| 查看: 702 | 回复: 2 | |
[求助]
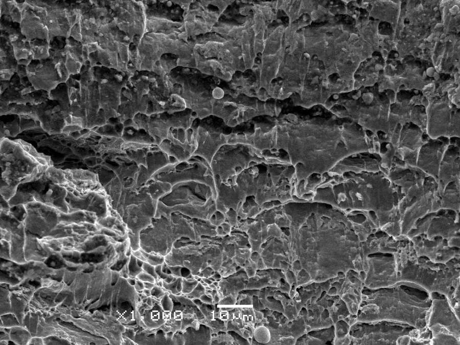
这是爆炸焊接复合板的拉伸断口,求大神分析是否韧性断裂 已有1人参与
|
|
|
|
|
engle028至尊木虫 (知名作家)
脚踏实地
|
|
![]() |
|
|
2楼2016-11-22 19:58:52
|
|
|
3楼2016-11-23 08:16:27
|
|













回复此楼
杨大旋