| 查看: 857 | 回复: 5 | |
讨厌毛毛虫铜虫 (小有名气)
|
[求助]
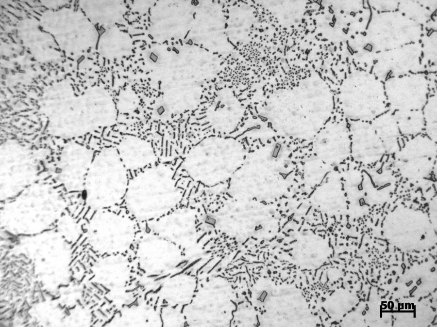
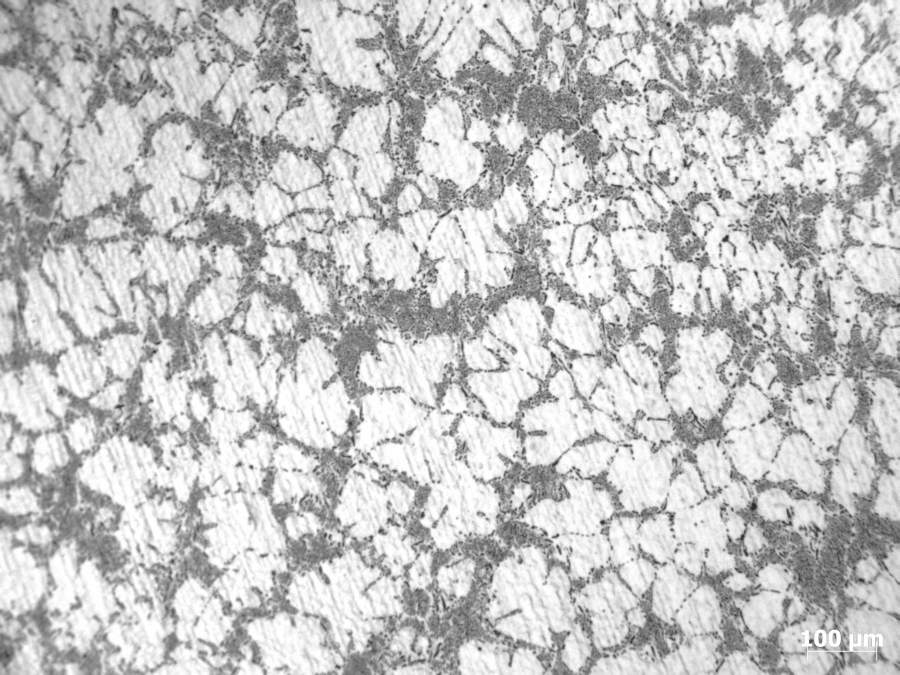
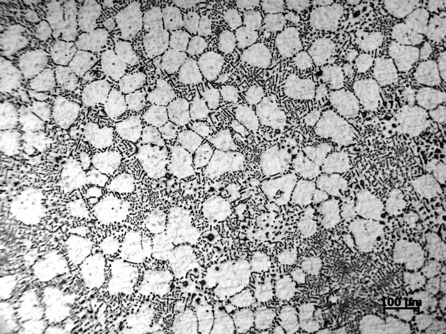
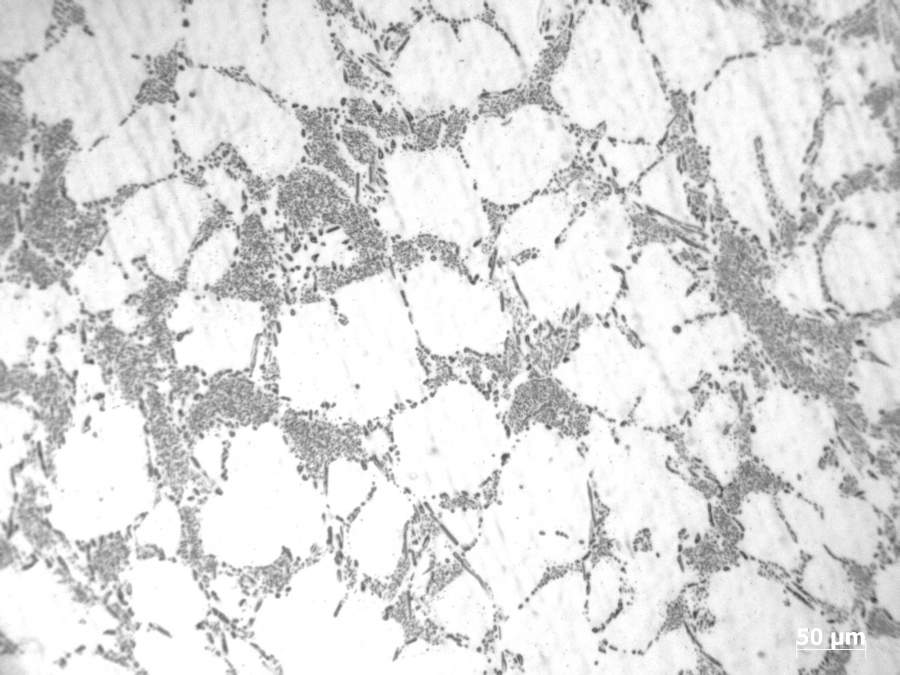
求大神帮忙看一下8014铝合金的金相 已有1人参与
|
|
|
|
|
2楼2016-11-11 23:52:31
|
|
|
3楼2016-12-01 13:32:24
|
|
|
4楼2016-12-01 13:35:20
|
|
|
5楼2016-12-01 13:35:42
|
|
讨厌毛毛虫铜虫 (小有名气)
|
|
|
6楼2016-12-07 09:03:24
|
|













回复此楼