| 查看: 990 | 回复: 1 | |||
[求助]
求助对PNGV模型中电容的理解
|
|
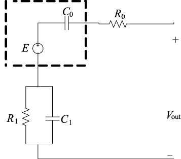
如题,求大神,能具体解释一下在PNGV模型中的C0的意义么?论文里一般说电路中E是“理想”电压源,在仿真时使用的是SOC-OCV来替代,电流如果引起电池SOC变化,在不同SOC下对应的OCV不是已经变化了么? 论文说C0是电流随时间的累计而产生的对开路电压的变化,前面不是已经算是描述了开路电压的变化吗?还要这个电容干嘛? 大神们,能详细解释一下么?跪谢~~~ PNGV.jpg |
» 猜你喜欢
求助:我三月中下旬出站,青基依托单位怎么办?
已经有9人回复
Cas 72-43-5需要30g,定制合成,能接单的留言
已经有8人回复
北京211副教授,35岁,想重新出发,去国外做博后,怎么样?
已经有8人回复
磺酰氟产物,毕不了业了!
已经有5人回复
论文终于录用啦!满足毕业条件了
已经有25人回复
2026年机械制造与材料应用国际会议 (ICMMMA 2026)
已经有3人回复
自荐读博
已经有3人回复
不自信的我
已经有5人回复
投稿Elsevier的杂志(返修),总是在选择OA和subscription界面被踢皮球
已经有8人回复
cathylau520
银虫 (著名写手)
- 应助: 3 (幼儿园)
- 金币: 3211.3
- 散金: 9
- 红花: 6
- 帖子: 1318
- 在线: 102.8小时
- 虫号: 1720142
- 注册: 2012-03-27
- 性别: MM
- 专业: 无机非金属材料
2楼2021-06-03 10:03:19









回复此楼