±±¾©Ê¯ÓÍ»¯¹¤Ñ§Ôº2026ÄêÑо¿ÉúÕÐÉú½ÓÊÕµ÷¼Á¹«¸æ
²é¿´: 976  |  »Ø¸´: 0

cuikk

ÖÁ×ðľ³æ (ÕýʽдÊÖ)

[½»Á÷] ×ÔÈ»½çÈÈÁ¿ÀûÓõķ½·¨

ÕªÒª£º×ÔÈ»½ç³äÂú×ÅÎÞÏÞÁ¿µÄ¿ÕÆø¡¢º£Ë®¡¢µØÈȵȳ£ÎÂÈÈÔ´£¬°ÑÕâЩÈÈÔ´½µÎ¹ý³ÌÖеÄÈÈÁ¿ÓÃÓÚ»úеÇý¶¯£¬¿ÉÓÃÓÚ·¢µç»ú·¢µç»ò½¢´¬¡¢³µÁ¾¡¢·ÉÐÐÆ÷µÄÐÐÊ»¡£ÎªÄÜÔ´µÄÀûÓÃÌṩһÖÖеÄ;¾¶¡£
¹Ø¼ü´Ê£º³£ÎÂÈÈÔ´ »úеÇý¶¯ ѹËõ ÅòÕÍ×ö¹¦

1.±³¾°
ÉúÃüÉú´æ·±ÑܵĹý³ÌÖÐÀë²»¿ªÄÜÔ´µÄÏûºÄ£¬ÌرðÊÇÈËÀ๤ҵ»¯½ø³ÌµÄÉîÈë¶ÔÄÜÔ´µÄÐèÇó½«Ô½À´Ô½¶à¡£ÈËÀàÔÚÄÜÔ´ÀûÓÃÁìÓò¿ÉÀûÓõÄ×ÊÔ´£¬°üÀ¨£ºÌ«ÑôÄÜ¡¢·çÄÜ¡¢º£Ë®³±Ï«ÄÜ¡¢½­ºÓË®Á¦ÄÜ£¬Ê¯ÓÍ¡¢ÌìÈ»Æø¡¢ÃºÌ¿µÈ»¯Ê¯ÀàÄÜÔ´£¬ºËÁѱ䡢ºË¾Û±äµÄºËÄܵȡ£Ì«ÑôÄÜ¡¢·çÄÜ¡¢º£Ë®³±Ï«ÄÜ¡¢½­ºÓË®Á¦ÄÜËäÈ»Çå½à£¬µ«±Ï¾¹ÓÐÏÞ£¬ÇÒ»áÔì³ÉÈ˹¤¸ÉÈÅ×ÔÈ»ÔËת״̬£»Ê¯ÓÍ¡¢ÌìÈ»Æø¡¢ÃºÌ¿µÈ»¯Ê¯ÀàÄÜÔ´£¬²»½öÓÐÏÞ£¬ÇÒ½«»áÔì³ÉµØÇòζȵÄÉÏÉý¡¢´óÆøµÄÎÛȾºÍ´óÆøÖÐÎÂÊÒÆøÌå¶þÑõ»¯Ì¼º¬Á¿µÄÉÏÉý£»ºËÁѱ䡢ºË¾Û±äµÄÄÜÁ¿£¬½«»áÔì³ÉÈ«ÇòζȵÄÉÏÉý¡£

2.˼·
×ÔÈ»½çÔ̲Ø×Å´óÁ¿µÄ¿ÕÆø¡¢º£Ë®¡¢µØÈȵȳ£ÎÂÈÈÔ´£¬°ÑÕâЩÈÈÔ´½µÎ¹ý³ÌÖеÄÈÈÁ¿×ª»»Îª»úеÄÜ£¬Çý¶¯·¢µç»ú·¢µç»ò½¢´¬¡¢³µÁ¾¡¢·ÉÐÐÆ÷µÄÐÐÊ»¡£·¢µç¹ý³ÌÊÊÅäÓÚ¹¤³§Àä¶³¡¢³ÇÊÐÖÐÑë¿Õµ÷ÖÆÀä¹ý³ÌÐ§Òæ½«µÃÒÔÀ©Õ¹¡£
ÈÈÁ¿µÄ¸ßÎÂÏòµÍδ«µÝÐÔÖÊÏÞ¶¨ÁËÎÒÃDz»¿ÉÄÜÖ±½ÓÀûÓó£ÎÂÈÈÔ´µÄÈÈÁ¿£¬Í¨¹ýÒ»ÖÖ·½·¨(²¼À×¶ÙÑ­»·Braytom Cycle»òÆøÌåÖÆÀä»úÑ­»·)°ÑµÍεÄÈÈβîת»»Îª¸ßεÄÈÈβ´Ó¶øÍê³É³£ÎÂÈÈÔ´ÈÈÁ¿µÄÀûÓá£
2.1.ÀíÂÛ²ãÃæµÄÓÀ¶¯»ú
ÆøÌåÔÚ¾øÈÈѹËõ¹ý³ÌÖУ¬Ñ¹Á¦Éý¸ßµÄͬʱζÈÏàÓ¦Éý¸ß£¬Ñ¹Á¦±ä»¯µÄͬʱζȷ¢ÉúÏàÓ¦µÄ±ä»¯£»ÆøÌåÔÚ¾øÈÈÅòÕÍ×ö¹¦µÄ¹ý³ÌÖУ¬Ñ¹Á¦½µµÍµÄͬʱζÈÏàӦϽµ£¬Ñ¹Á¦±ä»¯µÄͬʱζȷ¢ÉúÏàÓ¦µÄ±ä»¯£¬ÆÚ¼äµÄ¹ØÏµÓÉÆøÌå±¾ÉíµÄζȹý³ÌÖ¸ÊýKTËù¾ö¶¨£¬ÇÒ×ñÑ­ÈçϹ«Ê½£º
T_2/T_1 =(P_2/P_1 )^(((K_T-1)/K_T ) )
ÆøÌå¾øÈÈѹËõ¹ý³ÌÖÐËùÐèµÄ»úеÄÜ¡¢¾øÈÈÅòÕÍ×ö¹¦¹ý³ÌÖÐËùÊä³öµÄ»úеÄÜÀíÂÛÉϵÈÓÚ¹ý³ÌÆøÌåµÄìʱ䣬£¬ÆÚ¼ä½éÖʵıÈìʲ»±ä£¬ÇÒ×ñÑ­ÈçϹ«Ê½£º
W=∆H=F¡ÁR¡ÁT¡Á(K_T/(K_T-1))¡Á[(P_2/P_1 )^(((K_T-1)/K_T ) )-1]
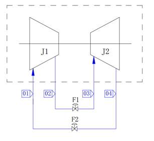
»ùÓÚ´ËÀíÂÛÎÒÃÇ¿ÉÒÔ×ö³öÈçͼ1µÄѹËõ»úJ1¡¢ÅòÕÍ»úJ2×é³É²¢ÓÉ·§ÃÅF1¡¢F2¿ØÖƵÄÀíÂÛ²ãÃæÉϵÄÓÀ¶¯»ú£º

ͼ1
¸³ÓèÊý¾Ý£¬Ñ¡È¡¶þÑõ»¯Ì¼×ö»ú×éÔËÐмäµÄ½éÖÊ£¬
1000Kmol/h¡¢15¡æ¡¢0.518MpaµÄ¶þÑõ»¯Ì¼(01)¾­¹ýѹËõ»ú(J1)ѹËõ£¬ÓÉ·§ÃÅ(F1)¿ØÖƳö¿ÚѹÁ¦5.00Mpa£¬¼ÆËã³ö¿ÚѹËõ»úζÈΪ277.60¡æ£¬¼´Ñ¹Ëõ»ú³ö¿ÚµÄ¶þÑõ»¯Ì¼(02)Ϊ1000Kmol/h¡¢277.60¡æ¡¢5.00Mpa£»
ÅòÕÍ»ú(J2)Èë¿ÚµÄ¶þÑõ»¯Ì¼(03)µÄ²ÎÊýÓëѹËõ»ú³ö¿ÚµÄÏàͬ£º1000Kmol/h¡¢277.60¡æ¡¢5.00Mpa£»
ÓÉ·§ÃÅ(F2)¿ØÖÆÅòÕÍ»ú(J2)³ö¿Ú¶þÑõ»¯Ì¼µÄѹÁ¦Îª0.518Mpa£¬¼ÆËã³ö¿ÚζÈΪ15¡æ£¬¼´ÅòÕÍ»ú³ö¿ÚµÄ¶þÑõ»¯Ì¼(04)Ϊ1000Kmol/h¡¢15¡æ¡¢0.518Mpa£»
Íê³ÉѹËõ»ú¡¢ÅòÕÍ»ú¼äµÄ¶þÑõ»¯Ì¼Ñ­»·£»Ñ¹Ëõ»ú¹¦ºÄΪ10644256.5KJ/h£¬ÅòÕÍ»ú¶ÔÍâ×ö¹¦Îª1064256.5KJ/h£¬Íê³ÉÓÀ¶¯»ú×éµÄÔËת¡£
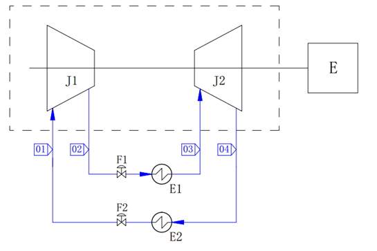
2.2.´«Èȹý³Ì
Èçͼ2£¬ÔÚÓÀ¶¯»ú¼äÔö¼Ó»»ÈÈÉ豸£¬Ñ¹Ëõ»ú³ö¿ÚÒÆ³öÈÈÁ¿¡¢ÅòÕÍ»ú³ö¿Ú²¹³äÈÈÁ¿£¬»ú×é¼äµÄ¹¦ºÄÓÉÇý¶¯»úеEƽºâ¡£

ͼ2
ѹËõ»ú³ö¿ÚµÄ¶þÑõ»¯Ì¼(02)¾­¹ý»»ÈÈÆ÷(E1)ÒÆ³öÈÈÁ¿£¬¿ØÖÆÎ¶ÈΪ45¡æ£¬ÒƳöÈÈÁ¿Îª11449872.4KJ/h£¬¼´ÅòÕÍ»ú(J2)Èë¿Ú¶þÑõ»¯Ì¼(03)Ϊ1000Kmol/h¡¢45¡æ¡¢5.00Mpa£»
ÅòÕÍ»ú(J2)Èë¿ÚµÄ1000Kmol/h¡¢45¡æ¡¢5.00Mpa¶þÑõ»¯Ì¼(03)¾­¹ýÅòÕÍ×ö¹¦£¬ÓÉ·§ÃÅ(F2)¿ØÖÆÅòÕÍ»ú(J2)³ö¿Ú¶þÑõ»¯Ì¼µÄѹÁ¦Îª0.518Mpa£¬¼ÆËãÆäµ±Á¿Î¶ÈΪ-112.41¡æ£¬Êµ¼Ê¸Ã´¦¶þÑõ»¯Ì¼ÎªÆøÒº¹²´æµÄ±¥ºÍ̬£¬Î¶ÈΪ¸ÃѹÁ¦Ï¶ÔÓ¦µÄ¶þÑõ»¯Ì¼µÄ±¥ºÍζÈ-56.5564¡æ£¬¼ÆËãÒºÌå¶þÑõ»¯Ì¼º¬Á¿Îª11.74%£¬¼´ÅòÕÍ»ú³ö¿ÚµÄ¶þÑõ»¯Ì¼Îª-56.5564¡æ¡¢0.518Mpa£¬º¬ÒºÌå11.74%£»
ÅòÕÍ»ú³ö¿ÚµÄ¶þÑõ»¯Ì¼¾­¹ý»»ÈÈÆ÷(E1)²¹³äÈÈÁ¿£¬¿ØÖÆÎ¶ÈΪ15¡æ£¬²¹³äÈÈÁ¿Îª4547820.3KJ/h£»
Íê³ÉѹËõ»ú¡¢ÅòÕÍ»ú¼äµÄ¶þÑõ»¯Ì¼Ñ­»·£»Ñ¹Ëõ»ú¹¦ºÄΪ10644256.6KJ/h£¬ÅòÕÍ»ú¶ÔÍâ×ö¹¦Îª3742204.4KJ/h£¬Çý¶¯»úеEÌṩ6096436.2KJ/h¹¦£¬Íê³É»ú×éµÄÔËת¡£
2.3.¹ý³ÌÈÈÀûÓÃ
Èçͼ2Ëùʾ£¬»»ÈÈÆ÷(E1)µÄÎüÈ¡×ÔÈ»½çµÄ¿ÕÆø¡¢º£Ë®¡¢µØÈȵȳ£ÎÂÈÈÔ´£¬»»ÈÈÆ÷(E2)µÄÈÈÁ¿ÓÃÓڽϵÍζÈÏÂ¿ÉÆø»¯µÄ½éÖÊ£¬ÈçÓÃÓÚÒºÌå¶þÑõ»¯Ì¼µÄÆø»¯ºÍ¹ýÈÈ£¬Æø»¯ºÍ¹ýÈȺóµÄ¶þÑõ»¯Ì¼¾­¹ýÅòÕÍ×ö¹¦£¬Íê³É¶Ô×ÔÈ»½ç³£ÎÂÈÈÔ´ÈÈÁ¿µÄÎüÈ¡¡¢ÓÉѹËõ»ú¡¢ÅòÕÍ»ú×é³ÉÇý¶¯»ú×éÏòÍâ½ç´«µÝ»úеÄÜ£¬´Ó¶øÍê³É×ÔÈ»½ç³£ÎÂÈÈÔ´µÄÈÈÁ¿×ª»»Îª»úеÄܵĹý³Ì£¬Èçͼ3¡£

ͼ3

3.¾ßÌåʵʩ
¸ßѹµÄµÚÒ»½éÖÊµÄÆøÌå¾­¹ýÅòÕÍ»úÅòÕÍ×ö¹¦£¬µÃµ½±È³£ÎÂÈÈԴζȸüµÍµÄµÚÒ»·½½éÖÊ£»³£ÎÂÈÈÔ´µÄÈÈÁ¿´«µÝ¸ø¸üµÍζȵĵÚÒ»½éÖÊ£»µÚÒ»½éÖÊµÄÆøÌå¾­¹ýѹËõѹÁ¦Éý¸ßµÄͬʱζÈÏàÓ¦Éý¸ß£¬ÉýѹÉýεĵÚÒ»½éÖÊµÄÆøÌå¾­¹ýµÚÈý·½½éÖʵĽµÎº󾭹ýÅòÕÍ»úÅòÕÍ×ö¹¦µÃµ½µÍÓÚ³£ÎÂÈÈÔ´ÎïÖÊζȵĵÚÒ»½éÖÊ£¬Íê³ÉµÚÒ»½éÖÊ´Ó×ÔÈ»½çÎüÈ¡ÈÈÁ¿¡¢ÏòµÚÈý·½½éÖÊ´«µÝÈÈÁ¿µÄ¹ý³Ì£»µÚÈý·½½éÖʵÄÒºÌå¾­¹ýѹËõ»ú³ö¿ÚµÄµÚÒ»½éÖʼÓÈÈÆø»¯ºÍ¹ýÈÈ£¬¹ýÈȵĵÚÈý·½½éÖʾ­¹ýÎÐÂÖÅòÕÍ»úÅòÕÍ×ö¹¦ºó¾­¹ýµÚÒ»½éÖÊÅòÕÍ»ú³ö¿ÚµÄµÚÒ»½éÖʵÄÀäÄý£¬ÐγɵÚÈý·½½éÖʵÄÒºÌ壬Íê³É³£ÎÂÈÈÔ´µÄÈÈÁ¿×ª»»Îª»úеÄܵĹý³Ì£¬´Ó¶øÍê³É³£ÎÂÈÈÔ´µÄÈÈÁ¿µÄÎüÊÕ²¢Ïò»úеÄÜת»»µÄ¹ý³Ì¡£
×ÔÈ»½çÈÈÔ´ÎïÖʼÓÈȺóµÄµÚÒ»·½¹¤ÖÊµÄÆøÌå¾­¹ýѹËõ»ú¾øÈÈѹËõ£¬Ñ¹Á¦Éý¸ßµÄͬʱζÈÏàÓ¦Éý¸ß£¬Í¨¹ý¿ØÖÆÆäѹÁ¦´ïµ½¿ØÖÆÆäζȣ¬Âú×ãµÚÈý·½¹¤ÖʵÄÒºÌåµÄÆø»¯ºÍ¹ýÈȹý³ÌÖеÄÈÈÁ¿ÐèÒª£»
ѹËõ»ú³ö¿ÚµÄµÚÒ»·½¹¤ÖÊµÄÆøÌå¾­¹ý»»ÈÈÆ÷½µÎ£¬Í¬Ê±Æø»¯ºÍ¹ýÈȵÚÈý·½¹¤ÖʵÄÒºÌ壬µÃµ½Î¶ȡ¢Ñ¹Á¦ÊܿصĵÚÈý·½¹¤ÖʵĹýÈÈÆøÌ壻
½µÎµĵÚÒ»·½¹¤ÖÊµÄÆøÌå¾­¹ýÎÐÂÖÅòÕÍ»úÅòÕÍ×ö¹¦£¬Í¨¹ý¿ØÖÆÆäѹÁ¦´ïµ½¿ØÖÆÆäζȵÍÓÚѡȡµÄ×ÔÈ»½çÈÈÔ´ÎïÖÊζȣ»
µÚÈý·½¹¤ÖʵĹýÈÈÆøÌå¾­¹ýÎÐÂÖÅòÕÍ»úÅòÕÍ×ö¹¦£¬Í¨¹ý¿ØÖÆÆäζȡ¢Ñ¹Á¦´Ó¶ø¿ØÖÆÅòÕÍ»ú³ö¿ÚµÄµÚÈý·½¹¤ÖÊ´¦ÓÚÑÇÁÙ½ç״̬(ζȡ¢Ñ¹Á¦½Ó½üÇÒµÍÓÚÁÙ½çµã)¡£
µÚÒ»·½¹¤ÖÊÎÐÂÖÅòÕÍ»úµÄµÚÒ»·½¹¤Öʾ­¹ý²¢ÁªµÄÁ½¸ö»»ÈÈÆ÷ÉýΣ»
µÚÈý·½¹¤ÖÊÎÐÂÖÅòÕÍ»ú³ö¿ÚµÄµÚÈý·½¹¤Öʾ­¹ýµÚÒ»·½¹¤ÖÊÎÐÂÖÅòÕÍ»úµÄµÚÒ»·½¹¤ÖʽµÎÂÀäÄýΪµÚÈý·½¹¤ÖʵÄÒºÌ壻
µÚÒ»·½¹¤ÖÊÎÐÂÖÅòÕÍ»úµÄµÚÒ»·½¹¤Öʾ­¹ýѡȡµÄ×ÔÈ»½çÈÈÔ´ÎïÖʼÓÈÈ£¬ÎüÈ¡×ÔÈ»½çÈÈÔ´ÎïÖʵÄÈÈÁ¿£»
µÚÒ»·½¹¤ÖÊÎÐÂÖÅòÕÍ»úµÄµÚÒ»·½¹¤ÖʼÓÈȺó»ãºÏ½øÈëѹËõ»úÉýѹÉýΣ¬Íê³É´ÓÑ­»·£»
ÀäÄýµÄµÚÈý·½¹¤ÖʵÄÒºÌå½øÈë´¢¹Þ£¬ÔÙ¾­¹ý±ÃµÄÌáѹ½øÈë»»ÈÈÆ÷Æø»¯ºÍ¹ýÈÈ£¬Íê³ÉµÚÈý·½¹¤ÖʵÄÑ­»·¡£
ͨ¹ýÒÔÉϹý³ÌÍê³É¶Ô×ÔÈ»½çÈÈÔ´ÎïÖʵÄÈÈÁ¿ÎüÊÕ£¬²¢ÓÉËùÊöµÄѹËõ»ú¡¢ÎÐÂÖÅòÕÍ»ú¹²Í¬Íê³ÉÎüÊÕµÄÈÈÁ¿×ª»»Îª»úеÄܵĹý³Ì£¬ÓÉËùÊöµÄѹËõ»ú¡¢ÎÐÂÖÅòÕÍ»ú×é³ÉµÄÇý¶¯»ú×éÏòÍâ½çÊä³ö»úеÄÜ¡£
´Ó¶øÍê³É×ÔÈ»½çÈÈÁ¿µÄÀûÓã¬ÎªÄÜÔ´µÄÀûÓÃÌṩһÖÖеÄ;¾¶£¬ÌṩһÖÖ×ÔÈ»½çÈÈÁ¿ÀûÓõķ½·¨£¬°Ñ×ÔÈ»½çµÄ¿ÕÆø¡¢º£Ë®¡¢µØÈȵȳ£ÎÂÈÈÔ´µÄÈÈÁ¿×ª»»Îª»úеÄÜ¡£

4.ʵʩÀý
4.1.ÀíÂÛÒÀ¾Ý
¹ý³ÌµÄÊý¾Ý½ÔΪ¼ÆËãÊý¾Ý£¬ÔËÓù«Ê½ÈçÏ£º
ÆøÌåµÄºãѹÈÈÈݹ«Ê½
C_P=a+b¡ÁT+c¡ÁT^2+d¡ÁT^3
ʽÖÐKΪÀíÏëÆøÌåµÄ¾øÈÈÖ¸Êý£¬RÎªÆøÌå³£Êý£¬È¡Öµ8.314472
ѹËõ»ú¡¢ÅòÕÍ»ú¹ý³Ì¹¦±äÀíÂÛÉϵÈÓÚ½ø³ö¿Ú½éÖʵÄìʱ䡣
ʵ¼ÊÆøÌåµÄÀíÏë¾øÈÈÖ¸Êý(CP/CV)Óë¾øÈȹý³ÌÖ®¼äÎÞÌØ¶¨µÄ¹ØÏµ£¬Óë¾øÈȹý³ÌµÄζȹý³ÌÖ¸ÊýKTÏà¹Ø£¬¼´T_2/T_1 =(P_2/P_1 )^(((K_T-1)/K_T ) )
¶þÑõ»¯Ì¼µÄµÄÒ»°ãζȹý³ÌÖ¸ÊýKT±í£º
ÎÂ¶È¡æ        ѹÁ¦ Mpa
        0.1        10        20        30        60        80        100
25        1.400        1.433        1.414        1.394        1.349        1.344        1.341
100        1.400        1.422        1.424        1.422        1.395        1.390        1.390
200        1.399        1.407        1.415        1.422        1.408        1.403        1.398
¡ù¼û¡¶Ñ¹Ëõ»ú¹¤³ÌÊÖ²á_ÓôÓÀÕ¡·P21/23

4.2.ʵʩÀý
ÓÉÓÚÊÜÏÞÓÚ»ù´¡Êý¾ÝµÄÆ«²î¡¢¹ý³ÌÖеÄÊý¾ÝÓдý¸üΪ¾«×¼µÄ¼ÆËãºÍÊÔÑéÊý¾ÝУÕý£¬µ«²»Ó°Ïì¹ý³ÌÔ­ÀíµÄÕýÈ·ÐÔ¡£
Èçͼ3Ëùʾ£¬Í¼ÖÐÉ豸˵Ã÷£º
J1:ѹËõ»ú  J2:µÚÒ»ÅòÕÍ»ú  J3:µÚ¶þÅòÕÍ»ú
E1:»»ÈÈÆ÷  E2:»»ÈÈÆ÷  E3:»·¾³»»ÈÈÆ÷  E4:ÀäÄýÆ÷
F1:µÚһѹÁ¦¿ØÖÆ·§  F2:µÚ¶þѹÁ¦¿ØÖÆ·§  F3:µÚÒ»Á÷Á¿¿ØÖÆ·§  F4:µÚ¶þÁ÷Á¿¿ØÖÆ·§  F5:µÚÈýѹÁ¦¿ØÖÆ·§
V:ÒºÌå´¢¹Þ  P:ÒºÌå±Ã  E:±»Çý¶¯»úе
4.2.1.ʵʩÀý1
Èçͼ3Ëùʾ£¬Ñ¡È¡¶þÑõ»¯Ì¼×öΪµÚÒ»·½¹¤ÖÊ¡¢Í¬Ê±Ñ¡È¡¶þÑõ»¯Ì¼×öΪµÚÈý·½¹¤ÖÊ¡£
1000Kmol/h¡¢15¡æ¡¢0.518Mpa¡¢4489.21m3/hµÄÆøÌå¶þÑõ»¯Ì¼(01)¾­¹ýѹËõ»ú(J1)Éýѹµ½5.00Mpa£¬Î¶ÈÏàÓ¦Éý¸ßΪ277.60¡æ¡¢896.97m3/h¡£ÓɵÚһѹÁ¦¿ØÖÆ·§(F1)¿ØÖÆÑ¹Ëõ»ú³ö¿Ú¶þÑõ»¯Ì¼µÄѹÁ¦¡¢´Ó¶ø¿ØÖÆÑ¹Ëõ»ú³ö¿Ú¶þÑõ»¯Ì¼(02)µÄζÈÂú×ãÒºÌå¶þÑõ»¯Ì¼(13)Æø»¯ºÍ¹ýÈȵÄÐèÒª¡£
1000Kmol/h¡¢277.60¡æ¡¢5.00Mpa¡¢896.97m3/hµÄÆøÌå¶þÑõ»¯Ì¼(02)¾­¹ýµÚһѹÁ¦¿ØÖÆ·§(F1)½øÈë»»ÈÈÆ÷(E1)¡¢(E2)½µÎÂÖÁ45¡æ£»Í¬Ê±Æø»¯ºÍ¹ýÈÈÒºÌå¶þÑõ»¯Ì¼±Ã(P)³ö¿ÚµÄÒºÌå¶þÑõ»¯Ì¼¡£
1000Kmol/h¡¢45¡æ¡¢4.96Mpa¡¢409.38m3/hµÄÆøÌå¶þÑõ»¯Ì¼(05)½øÈëµÚ¶þÎÐÂÖÅòÕÍ»ú(J3)ÅòÕÍ×ö¹¦£¬ÓɵڶþѹÁ¦¿ØÖÆ·§(F2)µÄÅÅ·Å»ò²¹³ä¿ØÖƵڶþÎÐÂÖÅòÕÍ»ú(J3)³ö¿ÚµÄ¶þÑõ»¯Ì¼(06)µÄѹÁ¦£¬´Ó¶ø¿ØÖƵڶþÎÐÂÖÅòÕÍ»ú(J3)³ö¿ÚµÄ¶þÑõ»¯Ì¼µÄζȵÍÓÚѡȡµÄ×ÔÈ»½çÈÈÔ´ÎïÖʵÄζȡ£¿ØÖƵڶþÎÐÂÖÅòÕÍ»ú(J3)³ö¿ÚµÄ¶þÑõ»¯Ì¼µÄѹÁ¦0.538Mpa£¬¼ÆËãÆäµ±Á¿Î¶ÈΪ-112.41¡æ£¬¸Ã¶þÑõ»¯Ì¼ÎªÆøÌåÒºÌå¹²´æµÄ±¥ºÍ״̬£¬Êµ¼ÊζÈΪ¸ÃѹÁ¦Ïµı¥ºÍζÈ-55.6812¡æ¡¢º¬ÒºÌå¶þÑõ»¯Ì¼11.74%¡£
µÚ¶þÎÐÂÖÅòÕÍ»ú(J3)³ö¿ÚµÄ1000Kmol/h¡¢-55.6812¡æ¡¢0.538Mpaº¬11.74%ÒºÌåµÄ¶þÑõ»¯Ì¼¾­¹ý²¢ÁªµÄ»»ÈÈÆ÷(E3)¡¢(E4)¼ÓÈÈ£¬»·¾³Î¶ÈΪ30¡æµÄÇé¿öÏÂζÈÉý¸ßΪ15¡æ£¬ÐγÉ1000Kmol/h¡¢15¡æ¡¢0.518Mpa¡¢4489.21m3/hµÄÆøÌå¶þÑõ»¯Ì¼(11)£»ÆäÖÐͨ¹ý·§ÃÅ(F3)¿ØÖÆÍ¨¹ý»»ÈÈÆ÷(E3)µÄÀäÁ¿Âú×ãµÚÒ»ÅòÕÍ»ú³ö¿Ú¶þÑõ»¯Ì¼ÀäÄýÒº»¯µÄÐèÒª£¬Á÷Á¿Îª292.03Kmol/h£»Í¨¹ýÎüÈÈ»»ÈÈÆ÷(E4) Á÷Á¿Îª707.97Kmol/h£¬´Ó»·¾³ÎüÈ¡ÈÈÁ¿Îª3219720.6KJ/h¡£
1000Kmol/h¡¢15¡æ¡¢0.518Mpa¡¢4489.21m3/hµÄÆøÌå¶þÑõ»¯Ì¼(11)½øÈëѹËõ»ú(J1)Íê³ÉÑ­»·¡£
ѹËõ»ú(J1)³ö¿ÚµÄ1000Kmol/h¡¢277.60¡æ¡¢5.00Mpa¡¢896.97m3/hµÄÆøÌå¶þÑõ»¯Ì¼¾­¹ý»»ÈÈÆ÷(E1)¡¢(E2)½µÎÂÖÁ45¡æµÄÈÈÁ¿µ±Á¿ÓÚ1070.67 Kmol/hÒºÌå¶þÑõ»¯Ì¼ÓÉ30.8¡æµÄÆø»¯ºÍ¹ýÈÈΪ200.00¡æ¡¢35.00MpaÆøÌå¶þÑõ»¯Ì¼µÄ¹ý³ÌµÄÈÈÁ¿¡£
ÒºÌå¶þÑõ»¯Ì¼±Ã(P)³ö¿ÚµÄ1070.67 Kmol/h¡¢30.8¡æ¡¢35.50MpaµÄÒºÌå¶þÑõ»¯Ì¼¾­¹ý»»ÈÈÆ÷(E2)Æø»¯¡¢»»ÈÈÆ÷(E1)¼ÓÈÈ200.00¡æ¡¢35.00Mpa¡¢105.53m3/hµÄ¹ýÈÈÆøÌå¶þÑõ»¯Ì¼(16)¡£ÓɵÚÈýѹÁ¦¿ØÖÆ·§(F5)¿ØÖÆÆäѹÁ¦¡¢ÓɵڶþÁ÷Á¿¿ØÖÆ·§(F4)¿ØÖÆÒºÌå¶þÑõ»¯Ì¼µÄÁ÷Á¿´Ó¶ø¿ØÖÆÆäζȣ¬´Ó¶ø¿ØÖƵÚÒ»ÎÐÂÖÅòÕÍ»ú(J2)³ö¿ÚµÄ¶þÑõ»¯Ì¼(17)´¦ÓÚ30.8¡æ¡¢7.3471MpaµÄÑÇÁÙ½ç״̬(ζȡ¢Ñ¹Á¦½Ó½üÇÒµÍÓÚÁÙ½çµã)¡£
µÚÒ»ÎÐÂÖÅòÕÍ»ú(J2)³ö¿Ú1070.67Kmol/h¡¢30.8¡æ¡¢7.3471MpaµÄÆøÒº»ìºÏ̬µÄ¶þÑõ»¯Ì¼£¬¾­¹ý»»ÈÈÆ÷(E3)ÀäÄý£¬ÐγÉÒºÌå¶þÑõ»¯Ì¼(18)½øÈëÒºÌå¶þÑõ»¯Ì¼´¢¹Þ(V)¡£ÓɵÚÒ»Á÷Á¿¿ØÖÆ·§(F3)¿ØÖƵڶþÎÐÂÖÅòÕÍ»ú(J3)³ö¿ÚµÄ¶þÑõ»¯Ì¼(07)µÄÁ÷Á¿,´Ó¶ø¿ØÖƵÚÒ»ÎÐÂÖÅòÕÍ»ú(J2)µÄ¶þÑõ»¯Ì¼(17)µÄζÈ,¸Ã¶þÑõ»¯Ì¼Îª±¥ºÍ̬¡¢ÆäѹÁ¦Îª¶þÑõ»¯Ì¼ÔÚ¸ÃζÈϵı¥ºÍѹÁ¦7.3471Mpa¡£
ÒºÌå¶þÑõ»¯Ì¼´¢¹Þ(V)³ö¿ÚµÄ30.8¡æ¡¢7.3471MpaÒºÌå¶þÑõ»¯Ì¼¾­¹ýÒºÌå¶þÑõ»¯Ì¼±Ã(P)Ìáѹ½øÈë»»ÈÈÆ÷(E1)Íê³ÉÑ­»·¡£
¹ý³Ì¿ØÖƵĹؼü£ºÑ¹Ëõ»ú³ö¿ÚµÄζÈÂú×ãÒºÌå¶þÑõ»¯Ì¼(13)Æø»¯ºÍ¹ýÈȵÄÐèÒª£»Æø»¯ºÍ¹ýÈȵĶþÑõ»¯Ì¼(16)µÄζȡ¢Ñ¹Á¦Âú×ãµÚÒ»ÎÐÂÖÅòÕÍ»ú(J2)³ö¿ÚµÄ¶þÑõ»¯Ì¼(17)´¦ÓÚ30.8¡æ¡¢7.3471MpaµÄÑÇÁÙ½ç״̬(ζȡ¢Ñ¹Á¦½Ó½üÇÒµÍÓÚÁÙ½çµã)£»µÚ¶þÎÐÂÖÅòÕÍ»ú(J3)³ö¿ÚµÄ¶þÑõ»¯Ì¼µÄζȵÍÓÚѡȡµÄ×ÔÈ»½çÈÈÔ´ÎïÖʵÄζȡ£
¹¤ÖʵÄÑ¡Ôñ£ºµÚÒ»¹¤ÖÊÓ¦¸Ã¾ßÓеͷе㡢µÍÄý¹ÌµãÌØÐÔ£¬ÒÔ±ãÏòÍâ½çÌṩµÍÎÂÀäÁ¿µÄ¹ý³ÌÖоßÓÐÁ¼ºÃµÄÁ÷¶¯ÐÔ£¬±£Ö¤¹ý³ÌµÄÔËÐУ»µÚÈý·½¹¤ÖÊÓ¦¸Ã¾ßÓеÍÁÙ½çζȡ¢µÍÁÙ½çѹÁ¦µÄÌØÐÔ£¬ÒÔ±£Ö¤É豸´¦ÓÚÏà¶ÔµÄµÍѹÔËÐÐ×´¿ö¡£
¼ÆËãÊý¾Ý£º
ѹËõ»ú³ö¿ÚµÄ1000Kmol/h¡¢277.60¡æ¡¢5.00MpaµÄÆøÌå¶þÑõ»¯Ì¼¾­¹ý»»ÈÈÆ÷(E1)¡¢(E2)½µÎÂÖÁ45¡æ¹ý³Ì·ÅÈÈ£º11449872.4KJ/h£»
»»ÈÈÆ÷(E3)ÈȸººÉ£º1328099.7KJ/h£»
»»ÈÈÆ÷(E4)ÈȸººÉ£º3219720.6KJ/h£»
ѹËõ»ú(J1)ÊäÈ빦ÂÊ£º2956.74KW£»
µÚÒ»ÎÐÂÖÅòÕÍ»ú(J2)Êä³ö¹¦ÂÊ£º3497.3KW£»
µÚ¶þÎÐÂÖÅòÕÍ»ú(J3) Êä³ö¹¦ÂÊ£º1039.5KW£»
ÒºÌå¶þÑõ»¯Ì¼±Ã(P) ÊäÈ빦ÂÊ£º685.7KW£»
Çý¶¯»ú×é(J1)¡¢(J2)¡¢(J3)Êä³ö¹¦ÂÊ£º1580KW£»
»»ÈÈÆ÷(E4)ÈȸººÉ£¬¼´ÏµÍ³´Ó»·¾³ÎüÊÕÈÈÁ¿£¬Í¬Ê±µ±Á¿ÓÚÌá¹©ÖÆÀäÁ¿¡£

×ÔÈ»½çÈÈÁ¿ÀûÓõķ½·¨
ͼ1.JPG


×ÔÈ»½çÈÈÁ¿ÀûÓõķ½·¨-1
ͼ2.JPG


×ÔÈ»½çÈÈÁ¿ÀûÓõķ½·¨-2
ͼ3.JPG


×ÔÈ»½çÈÈÁ¿ÀûÓõķ½·¨-3
×ÔÈ»½çÈÈÁ¿ÀûÓõķ½·¨-01.jpg


×ÔÈ»½çÈÈÁ¿ÀûÓõķ½·¨-4
×ÔÈ»½çÈÈÁ¿ÀûÓõķ½·¨-02.jpg


×ÔÈ»½çÈÈÁ¿ÀûÓõķ½·¨-5
×ÔÈ»½çÈÈÁ¿ÀûÓõķ½·¨-03.jpg


×ÔÈ»½çÈÈÁ¿ÀûÓõķ½·¨-6
×ÔÈ»½çÈÈÁ¿ÀûÓõķ½·¨-04.jpg


×ÔÈ»½çÈÈÁ¿ÀûÓõķ½·¨-7
×ÔÈ»½çÈÈÁ¿ÀûÓõķ½·¨-05.jpg


×ÔÈ»½çÈÈÁ¿ÀûÓõķ½·¨-8
×ÔÈ»½çÈÈÁ¿ÀûÓõķ½·¨-06.jpg


×ÔÈ»½çÈÈÁ¿ÀûÓõķ½·¨-9
×ÔÈ»½çÈÈÁ¿ÀûÓõķ½·¨-07.jpg


×ÔÈ»½çÈÈÁ¿ÀûÓõķ½·¨-10
×ÔÈ»½çÈÈÁ¿ÀûÓõķ½·¨-08.jpg


×ÔÈ»½çÈÈÁ¿ÀûÓõķ½·¨-11
×ÔÈ»½çÈÈÁ¿ÀûÓõķ½·¨-09.jpg


×ÔÈ»½çÈÈÁ¿ÀûÓõķ½·¨-12
×ÔÈ»½çÈÈÁ¿ÀûÓõķ½·¨-10.jpg
»Ø¸´´ËÂ¥
ÒÑÔÄ   »Ø¸´´ËÂ¥   ¹Ø×¢TA ¸øTA·¢ÏûÏ¢ ËÍTAºì»¨ TAµÄ»ØÌû
Ïà¹Ø°æ¿éÌø×ª ÎÒÒª¶©ÔÄÂ¥Ö÷ cuikk µÄÖ÷Ìâ¸üÐÂ
×î¾ßÈËÆøÈÈÌûÍÆ¼ö [²é¿´È«²¿] ×÷Õß »Ø/¿´ ×îºó·¢±í
[¿¼ÑÐ] 085701»·¾³¹¤³ÌÇóµ÷¼Á +9 ¶à¾ÃÉϿΠ2026-03-27 9/450 2026-03-28 03:58 by fmesaito
[¿¼ÑÐ] Çóµ÷¼Á +6 °×QF 2026-03-21 7/350 2026-03-28 00:42 by °×QF
[¿¼ÑÐ] 085701»·¾³¹¤³Ì£¬267Çóµ÷¼Á +12 minht 2026-03-26 12/600 2026-03-27 22:22 by Î޼ʵIJÝÔ­
[¿¼ÑÐ] µ÷¼ÁÍÆ¼ö +5 Ç徯714 2026-03-26 6/300 2026-03-27 11:12 by ²»³Ôô~µÄ؈
[¿¼ÑÐ] 359Çóµ÷¼Á +4 ÍõÁ˸öéª 2026-03-25 4/200 2026-03-27 08:43 by ²»³Ôô~µÄ؈
[¿¼ÑÐ] 329Çóµ÷¼Á +7 Å¥¶÷Ñ© 2026-03-25 7/350 2026-03-27 04:28 by wxiongid
[¿¼ÑÐ] 325Çóµ÷¼Á +5 Àî¼Îͼ¡¤S¡¤Â· 2026-03-23 5/250 2026-03-27 00:42 by wxiongid
[¿¼ÑÐ] 071000ÉúÎïѧÇóµ÷¼Á£¬³õÊԳɼ¨343 +6 ССÌðÃæÍÅ 2026-03-25 6/300 2026-03-26 23:01 by ²»³Ôô~µÄ؈
[¿¼ÑÐ] 281Çóµ÷¼Á +3 ÑÇ¿ËÎ÷good 2026-03-26 5/250 2026-03-26 19:48 by ²»³Ôô~µÄ؈
[¿¼ÑÐ] 340Çóµ÷¼Á +3 Amber00 2026-03-26 3/150 2026-03-26 18:57 by ²»³Ôô~µÄ؈
[¿¼ÑÐ] 290·Öµ÷¼ÁÇóÖú +3 ¼ªÏéÖ¹Ö¹³Â 2026-03-25 3/150 2026-03-25 19:58 by barlinike
[¿¼ÑÐ] 293Çóµ÷¼Á +7 ¼ÓÒ»Ò»¾Å 2026-03-24 7/350 2026-03-25 12:02 by userper
[¿¼ÑÐ] »¯Ñ§µ÷¼Á +6 yzysaa 2026-03-21 6/300 2026-03-25 09:27 by aa331100
[¿¼ÑÐ] 318Çóµ÷¼Á +5 plumÀî×Ó 2026-03-21 8/400 2026-03-25 09:26 by aa331100
[¿¼ÑÐ] 292Çóµ÷¼Á +4 ¶ì¶ì¶ì¶î¶î¶î¶î¶ 2026-03-24 4/200 2026-03-24 16:41 by peike
[¿¼ÑÐ] 291Çóµ÷¼Á +3 HanBeiNingZC 2026-03-24 3/150 2026-03-24 16:34 by barlinike
[¿¼ÑÐ] ²ÄÁÏ/ũҵרҵ£¬07/08¿ªÍ·¾ù¿É£¬¹ýÏß¾ÍÐÐ +3 ºÇßíŶ»í 2026-03-23 4/200 2026-03-23 22:30 by Íô£¡£¿£¡
[¿¼ÑÐ] Ò»Ö¾Ô¸¶«»ª´óѧ»¯Ñ§070300£¬Çóµ÷¼Á +7 2117205181 2026-03-21 8/400 2026-03-22 22:55 by chixmc
[¿¼ÑÐ] 308Çóµ÷¼Á +3 īīĮ 2026-03-21 3/150 2026-03-22 16:54 by i_cooler
[¿¼ÑÐ] Ò»Ö¾Ô¸Éî´ó£¬0703»¯Ñ§£¬×Ü·Ö302£¬Çóµ÷¼Á +4 ÆßÔÂ-ÆßÆß 2026-03-21 4/200 2026-03-21 18:20 by ѧԱ8dgXkO
ÐÅÏ¢Ìáʾ
ÇëÌî´¦ÀíÒâ¼û