| 查看: 1033 | 回复: 3 | ||
[求助]
TEM组织分析 已有3人参与
|
|
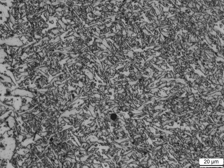
X80管线钢焊缝组织,研究氧化物冶金促进针状铁素体形核. 第1张为金相组织,针状铁素体.第2张为TEM组织.在TEM组织中为什么没有针状铁体?高人指点一下. image0003.jpg 图像_517.jpg |
» 猜你喜欢
288求调剂
已经有7人回复
321求调剂
已经有8人回复
一志愿北京化工大学0703化学318分,有科研经历,求调剂
已经有3人回复
307求调剂
已经有6人回复
266求调剂
已经有10人回复
085601材料工程专硕求调剂
已经有9人回复
本人考085602 化学工程 专硕
已经有19人回复
一志愿天津大学化学工艺专业(081702)315分求调剂
已经有11人回复
材料专硕274一志愿陕西师范大学求调剂
已经有7人回复
一志愿西安交通大学材料工程专业 282分求调剂
已经有7人回复
979540168
木虫 (著名写手)
- 应助: 25 (小学生)
- 金币: 4210.9
- 散金: 30
- 红花: 1
- 帖子: 1009
- 在线: 258.2小时
- 虫号: 1016952
- 注册: 2010-05-12
- 专业: 金属结构材料
2楼2016-11-02 11:00:11
houlucky
木虫 (正式写手)
- 应助: 52 (初中生)
- 金币: 3753.3
- 散金: 387
- 红花: 3
- 帖子: 969
- 在线: 240.8小时
- 虫号: 228662
- 注册: 2006-03-25
- 性别: GG
- 专业: 功能陶瓷
3楼2016-11-02 16:43:15
ganggangdi
银虫 (小有名气)
- 应助: 1 (幼儿园)
- 金币: 379.7
- 帖子: 59
- 在线: 24.6小时
- 虫号: 4507703
- 注册: 2016-03-15
- 专业: 金属材料的制备科学与跨学
4楼2016-11-02 21:33:41













回复此楼