| 查看: 2028 | 回复: 13 | ||
Xfrag捐助贵宾 (小有名气)
|
[求助]
纯钛金相轧制方向请教 已有2人参与
|
|
|
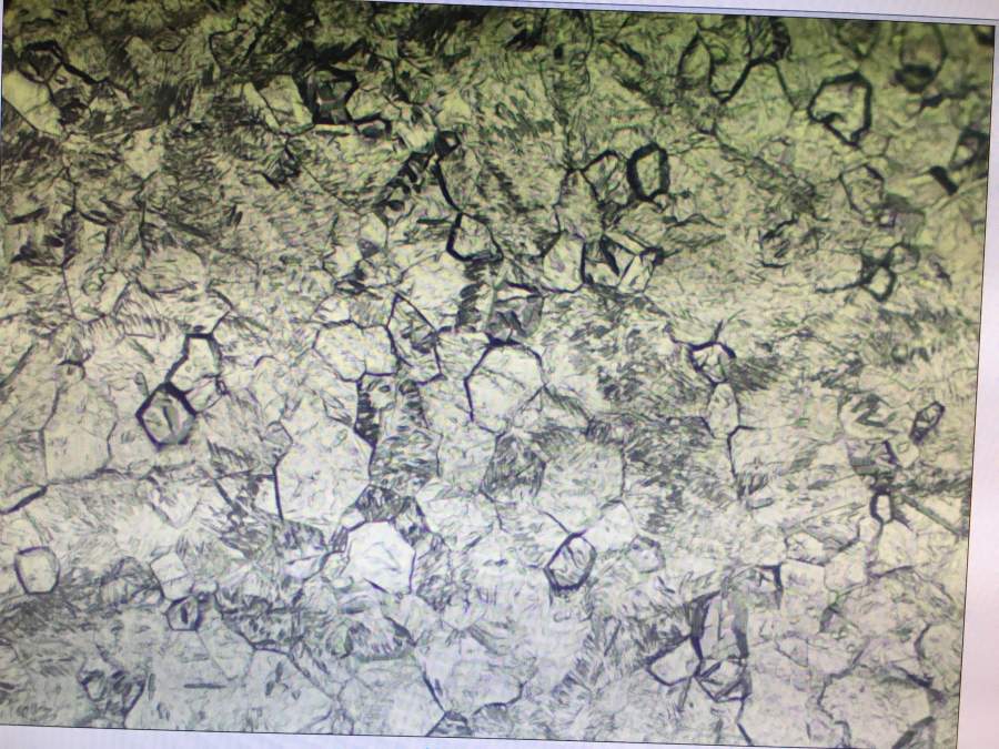
求助各位虫友,怎么从这张cp纯钛的金相图看出板材的轧制方向呢? 这是轧制后退火过的纯钛板,金相看晶粒都是基本等轴的,所以不能从拉长晶粒判断,还有其他的方法吗? 谢谢!! IMG_6953.JPG IMG_6950.JPG IMG_6951.JPG |
» 猜你喜欢
存款400万可以在学校里躺平吗
已经有28人回复
拟解决的关键科学问题还要不要写
已经有8人回复
最失望的一年
已经有11人回复
求推荐英文EI期刊
已经有5人回复
请教限项目规定
已经有4人回复
国自然申请面上模板最新2026版出了吗?
已经有20人回复
26申博
已经有3人回复
基金委咋了?2026年的指南还没有出来?
已经有10人回复
基金申报
已经有6人回复
疑惑?
已经有5人回复
ruirui4598
木虫 (正式写手)
- 应助: 49 (小学生)
- 金币: 3991.6
- 红花: 11
- 帖子: 357
- 在线: 32.2小时
- 虫号: 3602302
- 注册: 2014-12-19
- 专业: 金属材料的微观结构
4楼2016-11-01 07:30:31
平江易趣
木虫 (正式写手)
- 应助: 1 (幼儿园)
- 金币: 1161.8
- 散金: 320
- 红花: 4
- 帖子: 982
- 在线: 117.4小时
- 虫号: 2010475
- 注册: 2012-09-18
- 性别: GG
- 专业: 金属结构材料
7楼2016-11-01 09:00:30
寂寞飘落
金虫 (正式写手)
- 应助: 11 (小学生)
- 金币: 1007.9
- 散金: 1076
- 红花: 5
- 帖子: 613
- 在线: 398.7小时
- 虫号: 1011912
- 注册: 2010-05-05
- 专业: 金属结构材料
8楼2016-11-01 09:19:23
dddawy
木虫 (小有名气)
- 应助: 24 (小学生)
- 金币: 3175.5
- 红花: 3
- 帖子: 294
- 在线: 120.8小时
- 虫号: 1618695
- 注册: 2012-02-15
- 性别: GG
- 专业: 金属结构材料
11楼2016-11-02 14:12:41
hfutym
新虫 (正式写手)
- 应助: 0 (幼儿园)
- 金币: 1876.7
- 散金: 1853
- 红花: 8
- 帖子: 992
- 在线: 209.8小时
- 虫号: 5100085
- 注册: 2016-10-09
- 性别: GG
- 专业: 聚合物共混与复合材料
|
你一来应该就标记好轧制的三个方向。就轧制而言,三个面(RD/TD,RD/ND,TD/ND)选择RD/ND面看金相最好,As-received态组织细长,拉长晶粒特别明显;而RD/TD面的金相,则会显得矮胖,如果变形量较大,晶粒拉长明显,如果变形量不大,也不会看出很明显的拉长晶粒。 发自小木虫Android客户端 |
» 本帖已获得的红花(最新10朵)
12楼2016-11-02 16:53:12
2楼2016-10-31 08:51:21
flingbaby
铁杆木虫 (著名写手)
小虫子
- 应助: 4 (幼儿园)
- 金币: 6595.2
- 散金: 10
- 红花: 3
- 帖子: 1209
- 在线: 404.1小时
- 虫号: 904212
- 注册: 2009-11-16
- 性别: GG
- 专业: 聚合物共混与复合材料

3楼2016-10-31 09:45:31
bsterq
金虫 (正式写手)
- 应助: 9 (幼儿园)
- 金币: 1286.9
- 散金: 60
- 红花: 5
- 帖子: 366
- 在线: 83.9小时
- 虫号: 1804327
- 注册: 2012-05-08
- 性别: GG
- 专业: 金属结构材料

5楼2016-11-01 07:55:26
bsterq
金虫 (正式写手)
- 应助: 9 (幼儿园)
- 金币: 1286.9
- 散金: 60
- 红花: 5
- 帖子: 366
- 在线: 83.9小时
- 虫号: 1804327
- 注册: 2012-05-08
- 性别: GG
- 专业: 金属结构材料

6楼2016-11-01 07:56:22
Xfrag
捐助贵宾 (小有名气)
- 应助: 0 (幼儿园)
- 金币: 3816.3
- 散金: 93
- 红花: 4
- 帖子: 124
- 在线: 63小时
- 虫号: 3520060
- 注册: 2014-11-05
- 性别: GG
- 专业: 金属材料的微观结构
9楼2016-11-01 13:40:37
Xfrag
捐助贵宾 (小有名气)
- 应助: 0 (幼儿园)
- 金币: 3816.3
- 散金: 93
- 红花: 4
- 帖子: 124
- 在线: 63小时
- 虫号: 3520060
- 注册: 2014-11-05
- 性别: GG
- 专业: 金属材料的微观结构
10楼2016-11-01 13:42:32













回复此楼
Xfrag