| 查看: 2933 | 回复: 21 | ||
| 当前只显示满足指定条件的回帖,点击这里查看本话题的所有回帖 | ||
[求助]
45钢金相腐蚀的问题 已有3人参与
|
||
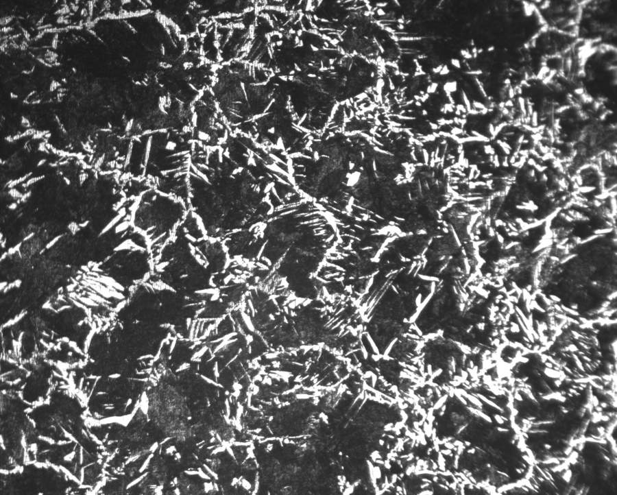
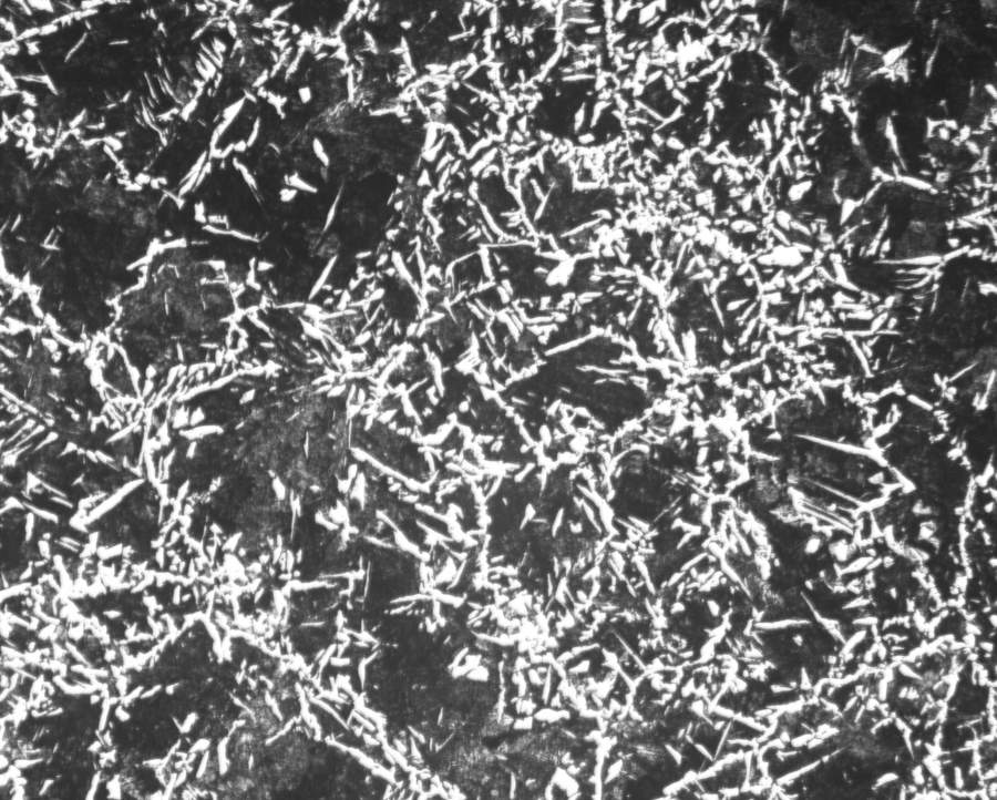
之前用45钢做了一个实验,在1100℃条件下做了一下热压缩,想通过对比晶粒大小来比较各部分变形程度大小。但是采用4%的酒精硝酸溶液对试样表面进行腐蚀了之后,得到的是铁素体等低倍组织,如果想看晶粒的话用什么样的腐蚀方法比较好?![]() 这是我腐蚀出来的金相照片(放大50倍) 我想的是做出来大概这种效果:(文献中的,但是文献里面也说的是用4%的酒精硝酸溶液) |
» 猜你喜欢
要不要辞职读博?
已经有7人回复
不自信的我
已经有11人回复
北核录用
已经有3人回复
实验室接单子
已经有3人回复
磺酰氟产物,毕不了业了!
已经有8人回复
求助:我三月中下旬出站,青基依托单位怎么办?
已经有10人回复
26申博(荧光探针方向,有机合成)
已经有4人回复
论文终于录用啦!满足毕业条件了
已经有26人回复
2026年机械制造与材料应用国际会议 (ICMMMA 2026)
已经有4人回复
Cas 72-43-5需要30g,定制合成,能接单的留言
已经有8人回复
» 本主题相关价值贴推荐,对您同样有帮助:
屏蔽泵检修心得
已经有3人回复
做一下好事吧,南京航空航天大学资助清单,我没中,郁闷!
已经有11人回复
2011年博士点基金联合资助课题立项公布
已经有3人回复
如何在SEM下看见cr23c6碳化物颗粒
已经有10人回复
2010年河南省博士后项目启动经费获得者名单
已经有9人回复
关于2011中俄(NSFC-FRBR)合作项目初审结果的通告
已经有6人回复
2011年度国家自然科学基金委员会与韩国国家研究基金会合作交流项目初审结果的通知
已经有0人回复
基金委工程与材料科学部2011年度拟资助重点领域公布
已经有8人回复
【求助】北京科技大学的材料学院研究生请进
已经有15人回复
ypy2014
金虫 (正式写手)
- 应助: 34 (小学生)
- 金币: 2413.1
- 散金: 450
- 红花: 6
- 帖子: 517
- 在线: 89.2小时
- 虫号: 3487265
- 注册: 2014-10-20
- 性别: GG
- 专业: 金属材料的凝固与结晶学
3楼2016-10-18 15:54:07
2楼2016-10-18 11:20:14
4楼2016-10-18 23:20:33
xiyurusi
银虫 (正式写手)
- 应助: 4 (幼儿园)
- 金币: 3578.8
- 散金: 240
- 红花: 2
- 帖子: 651
- 在线: 151小时
- 虫号: 626501
- 注册: 2008-10-15
- 专业: 力学中的基本问题和方法
5楼2016-10-19 17:02:59













回复此楼