| 查看: 244 | 回复: 0 | ||
[求助]
求解释电路图,急急急
|
|
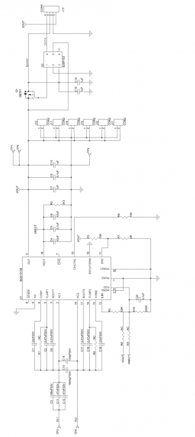
这是个手机后无线接收贴片的电路图,无线充电接收芯片BQ51013B 单片机BJ8P153 “大概就是从tp2 和3输入交流的信号,前面那部分应该是将交流信号整流成直流信号,然后通过接收芯片将电压变为5v,然后输入” 有没有大神把这段话详细拓展一下,越详细越好,谢谢,救急!! 电路图.png |
» 猜你喜欢
依托企业入选了国家启明计划青年人才。有无高校可以引进的。
已经有5人回复
依托企业入选了国家启明计划青年人才。有无高校可以引进的。
已经有10人回复
天津大学招2026.09的博士生,欢迎大家推荐交流(博导是本人)
已经有9人回复
有院领导为了换新车,用横向课题经费买了俩车
已经有10人回复
同年申请2项不同项目,第1个项目里不写第2个项目的信息,可以吗
已经有5人回复
遇见不省心的家人很难过
已经有24人回复
AI 太可怕了,写基金时,提出想法,直接生成的文字比自己想得深远,还有科学性
已经有6人回复
酰胺脱乙酰基
已经有13人回复
有时候真觉得大城市人没有县城人甚至个体户幸福
已经有10人回复














回复此楼