| ²é¿´: 1331 | »Ø¸´: 4 | |||
babyguoyanгæ (³õÈëÎÄ̳)
|
[ÇóÖú]
Áùͨ·§ÎÛȾÎÊÌâ ÒÑÓÐ3È˲ÎÓë
|
|
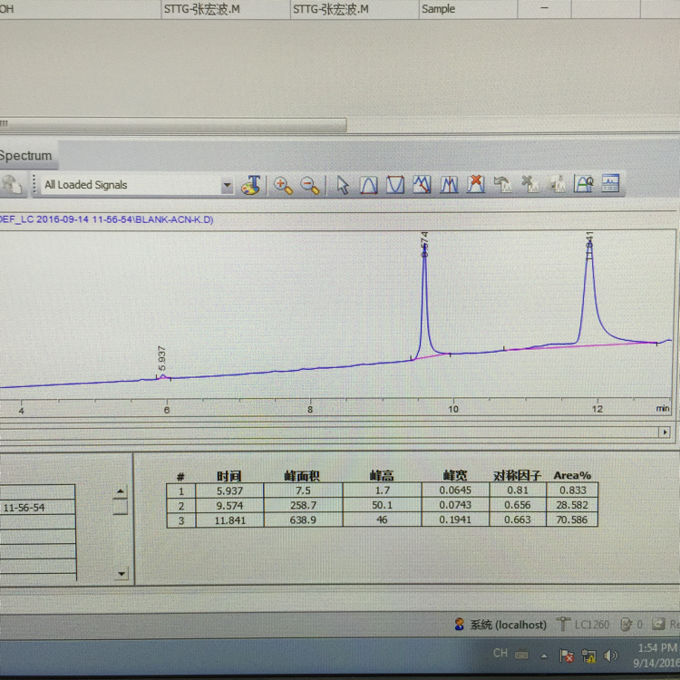
¸÷λ´óÉñ£¬°²½ÝÂ×1260HPLC£¬Áùͨ·§ÎÛȾÔõô½â¾ö£¿ÎÒÒѾÄü״¼ºÍÒì±û´¼ÔÚ³¬ÒôÇåÏ´»úÀïÏ´¹ýÁË»¹ÊDz»ÐС£´óÉñÓÐûÓиüºÃµÄ°ì·¨£¿µÚÒ»ÕÅͼÊǿհ×ÈܼÁ×ß³öÀ´µÄ£¬µÚ¶þÕÅÊÇ¿ÕÕë¡£¹òÇó½â´ð£¬ÔÚÏߵȣ¡ ·¢×ÔСľ³æIOS¿Í»§¶Ë |
» ²ÂÄãϲ»¶
282Çóµ÷¼Á
ÒѾÓÐ22È˻ظ´
283Çóµ÷¼Á
ÒѾÓÐ5È˻ظ´
265Çóµ÷¼Á
ÒѾÓÐ21È˻ظ´
288Çóµ÷¼Á Ò»Ö¾Ô¸¹þ¹¤´ó ²ÄÁÏÓ뻯¹¤
ÒѾÓÐ10È˻ظ´
µ÷¼Á0855-288
ÒѾÓÐ5È˻ظ´
µç×ÓÐÅÏ¢µ÷¼Á½»²æÑ§¿ÆÓÐÍÆ¼öÂð
ÒѾÓÐ6È˻ظ´
266Çóµ÷¼Á
ÒѾÓÐ6È˻ظ´
²ÄÁÏ¿ÆÑ§Ó빤³Ì¿¼ÑÐ
ÒѾÓÐ10È˻ظ´
283·Ö²ÄÁÏÓ뻯¹¤Çóµ÷¼Á
ÒѾÓÐ29È˻ظ´
Ò»Ö¾Ô¸¹þ¶û±õ¹¤Òµ´óѧ085600Ó¢Ò»Êý¶þ337·ÖÇóµ÷¼Á
ÒѾÓÐ4È˻ظ´
» ±¾Ö÷ÌâÏà¹Ø¼ÛÖµÌùÍÆ¼ö£¬¶ÔÄúͬÑùÓаïÖú:
É«Æ×±Ã״̬ÏÔʾÓëѹÁ¦±ä»¯µÄ¹ØÏµ
ÒѾÓÐ7È˻ظ´
¡¾ÇóÖú¡¿ÆøÏàÉ«Æ×ÔÚÏß¼ì²âÎÊÌâ
ÒѾÓÐ9È˻ظ´
¡¾ÇóÖú¡¿ÆøÏàÉ«Æ×Í¨ÔØÆø¼ì²âÓÐÔÓ·å
ÒѾÓÐ4È˻ظ´
¡¾½»Á÷¡¿³£ÓÃÉ«Æ×ÒǵÄά»¤Óë±£Ñø
ÒѾÓÐ12È˻ظ´
¡¾·ÖÏí¡¿HPLCÖùÊ®´óÎóÇø
ÒѾÓÐ31È˻ظ´

376zfm
ÖÁ×ðľ³æ (Ö°Òµ×÷¼Ò)
- Ó¦Öú: 71 (³õÖÐÉú)
- ½ð±Ò: 14618.5
- É¢½ð: 20
- ºì»¨: 14
- Ìû×Ó: 3376
- ÔÚÏß: 252.4Сʱ
- ³æºÅ: 1158986
- ×¢²á: 2010-11-30
- ÐÔ±ð: GG
- רҵ: ·ÖÎö»¯Ñ§
¡¾´ð°¸¡¿Ó¦Öú»ØÌû
¸Ðл²ÎÓ룬ӦÖúÖ¸Êý +1
| ÈܼÁ¿Õ°×³ö·å£¬³ýÁËÁ÷ͨ·§£¬»¹ÓбÈÀý·§ÎÛȾ¡¢Á÷ͨ³ØÎÛȾµÈÔÒò£¬½¨Òéµç»°×ÉѯAgilent£¬ËûÃÇ»á¸øÄã×öÏêϸµÄ½â´ðµÄ¡£ÎÒÿ´ÎÓÐÎÊÌâ×Ô¼º½â¾ö²»Á˵쬶¼ÕÒÊÛºó¼¼ÊõÖ§³Ö¡£ |
2Â¥2016-09-14 17:14:25
superyeast
ר¼Ò¹ËÎÊ (Ö°Òµ×÷¼Ò)
-

ר¼Ò¾Ñé: +965 - ACI: 2
- Ó¦Öú: 967 (²©ºó)
- ¹ó±ö: 0.641
- ½ð±Ò: 17460.9
- É¢½ð: 1200
- ºì»¨: 206
- Ìû×Ó: 3316
- ÔÚÏß: 312.8Сʱ
- ³æºÅ: 3322402
- ×¢²á: 2014-07-14
- ÐÔ±ð: GG
- רҵ: ÓлúºÏ³É
- ¹ÜϽ: ·ÖÎö
3Â¥2016-09-14 21:48:03
zymc1994
½ð³æ (ÖøÃûдÊÖ)
- Ó¦Öú: 126 (¸ßÖÐÉú)
- ½ð±Ò: 1375.3
- É¢½ð: 1884
- ºì»¨: 23
- Ìû×Ó: 1342
- ÔÚÏß: 440.9Сʱ
- ³æºÅ: 4888902
- ×¢²á: 2016-08-02
- ÐÔ±ð: GG
- רҵ: ´ß»¯»¯Ñ§
4Â¥2016-09-18 11:59:01
silence18
½ð³æ (ÕýʽдÊÖ)
- Ó¦Öú: 31 (СѧÉú)
- ½ð±Ò: 599.2
- É¢½ð: 14
- ºì»¨: 3
- Ìû×Ó: 351
- ÔÚÏß: 124.3Сʱ
- ³æºÅ: 635681
- ×¢²á: 2008-10-24
- רҵ: Ò©Îï·ÖÎö
5Â¥2016-09-18 13:45:24














»Ø¸´´ËÂ¥