| ²é¿´: 2338 | »Ø¸´: 1 | ||||
cuikkÖÁ×ðľ³æ (ÕýʽдÊÖ)
|
[½»Á÷]
µÍμ״¼Ï´Óë¶þÑõ»¯Ì¼Òº»¯·ÖÀëñîºÏµÄÆøÌå¾»»¯¼¼Êõ̽ÌÖ
|
|
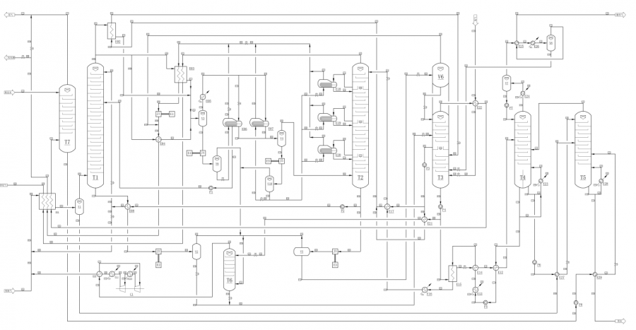
µÍμ״¼Ï´Óë¶þÑõ»¯Ì¼Òº»¯·ÖÀëñîºÏµÄÆøÌå¾»»¯¼¼Êõ̽ÌÖ ¡ª¡ªÔÌù¡¶µÍμ״¼Ï´¹¤ÒÕ½ÚÄܸĽøÌ½ÌÖ¡· ¡ª¡ª¼ûרÀû¡¶Ò»ÖÖÆøÌå¾»»¯µÄÉ豸¼°·½·¨¡·CN201410428500.5 ÕªÒª£ºµÍμ״¼Ï´¹¤ÒÕÏà¶ÔÓÚÆäËû¾»»¯¹¤ÒÕÓÐמ»»¯³Ì¶È¸ß¡¢Óк¦ÆøÌåÍѳö³¹µ×¡¢´¦Àí¹ý³ÌÄܺĵ͵ÄÓÅÊÆ£¬ÔÚÆøÌå¾»»¯ÁìÓòÔ½À´Ô½µÃµ½¹ã·ºÓ¦Ó㬳ÉΪµ±Ç°´óÐÍú»¯¹¤ÆøÌå¾»»¯¹ý³ÌµÄÊ×Ñ¡¡£µÍμ״¼Ï´¹¤ÒÕ×ÔÉÏÊÀ¼Í50Äê´úÓÉÁֵ¡¢Â³ÆæÁ½¹«Ë¾¹²Í¬¿ª·¢Íê³ÉÒÔÀ´£¬¾¹ýÓ¦Óùý³ÌÖв»¶Ï·¢Õ¹ÍêÉÆ£¬ÒѾ¼«¾ß³ÉÊ죬¾ÍÆä¹¤ÒÕ±¾Éí¶øÑÔ»¹ÊÇ´æÔÚ²»Ð¡µÄ½ÚÄܸĽøµÄ¿Õ¼ä£¬ÆäÖеÍÎÂÒº»¯·ÖÀ벿·Ö¶þÑõ»¯Ì¼£¬¼´µÍμ״¼Ï´Óë¶þÑõ»¯Ì¼Òº»¯·ÖÀëñîºÏµÄÆøÌå¾»»¯¾ÍÊǺܺõÄÒ»¸ö½ÚÄÜ·½·¨¡£ ¹Ø¼ü´Ê£ºµÍμ״¼Ï´ ¶þÑõ»¯Ì¼Òº»¯ ñîºÏ ×ö¹¦ÅòÕÍ 1.±³¾° µÍμ״¼Ï´(Rectisol)¹¤ÒÕÊÇÉÏÊÀ¼Í50Äê´úÓÉÁֵ¡¢Â³ÆæÁ½¹«Ë¾¹²Í¬¿ª·¢Íê³É£¬ÔÚÕâô¶àÄêµÄÓ¦Óùý³ÌÖУ¬²»¶Ï·¢Õ¹ÍêÉÆ£¬ÒѾ¼«¾ß³ÉÊ죬²¢ÒòÆäÏà¶ÔÓÚÆäËû¾»»¯¹¤ÒÕÓÐמ޴óµÄ½ÚÄÜÓÅÊÆ£¬»ù±¾³ÉΪÏÖ´ú´óÐÍú»¯¹¤ÆøÌå¾»»¯¹ý³ÌÖй¤ÒÕµÄÊ×Ñ¡¡£ µÍμ״¼Ï´ÊÊÓÃÓÚÃºÆø»¯ºóº¬Áò±ä»»Æø¡¢½¹»¯Î²Æø¡¢Ãº²ãÆø¡¢¸»º¬¶þÑõ»¯Ì¼µÄÌìÈ»ÆøµÈÆøÌåµÄ¾»»¯¡£ µÍμ״¼Ï´,¾ÍÊÇÀûÓõÍεļ״¼¶ÔÐèÒª´¦ÀíµÄ¹¤ÒÕÆø½øÐÐÎüÊÕ´¦Àí£¬ÀûÓù¤ÒÕÆøÖи÷ÖÖ½éÖÊÔÚ¼×´¼ÖÐÈܽâ¶È²»Í¬µÄÌØÐÔ£¬´Ó¶øÍѳý¹¤ÒÕÆøÖеÄCO2¡¢H2S¡¢COS¡¢NH3µÈ²»ÀûÓÚÏÂÓι¤ÐòÉú²úÐèÒªµÄ×é·Ö¡£ µÍμ״¼Ï´½ÏÆäËû¾»»¯¹¤ÒÕÓÐמ޴óµÄ½ÚÄÜÓÅÊÆ£¬µ«¾ÍÆä¹¤ÒÕ±¾Éí¶øÑÔ£¬²¢²»ÊǾ¡Éƾ¡ÃÀ¡£×ÐϸÑо¿·¢ÏÖ£¬µ±Ç°µÄµÍμ״¼Ï´¹¤ÒÕ»¹ÊÇ´æÔÚ²»Ð¡µÄ½ÚÄܸĽø¿Õ¼äµÄ£¬ÆäÖеÍÎÂÒº»¯·ÖÀ벿·Ö¶þÑõ»¯Ì¼£¬¼´µÍμ״¼Ï´Óë¶þÑõ»¯Ì¼Òº»¯·ÖÀëñîºÏµÄÆøÌå¾»»¯¾ÍÊǺܺõÄÒ»¸ö½ÚÄÜ·½·¨¡£ 2.˼· 2.1.Òº»¯·ÖÀ빤ÒÕÆøÖв¿·Ö¶þÑõ»¯Ì¼ µÍμ״¼Ï´¹¤ÒÕÌØµã£ºµÍμ״¼Ï´¹ý³ÌÖÐÑ»·¼×´¼Ö±½ÓµÄ¡¢¼ä½ÓµÄÄܺÄÕ¼ÁËÕû¸ö¹¤ÒÕ¹ý³ÌÄܺĵÄ50%ÒÔÉÏ£»ÏÖÓеÄÃºÆø»¯¹¤ÒÕ¹ý³ÌÖÐËù²úµÄË®ÃºÆøÖжþÑõ»¯Ì¼º¬Á¿¸ß£¬Áò»¯ÎïµÈÆäËûÓк¦ÆøÌ庬Á¿µÍ£¬µÍμ״¼Ï´µÄÑ»·¼×´¼ÔÚÓÃÀ´ÍѳýÁò»¯ÎïµÈÆäËûÓк¦ÆøÌåµÄͬʱ»¹ÒªÍѳý¶þÑõ»¯Ì¼£¬ÈôÄÜÀûÓÃÆäËü½ÚÄܵŤÒÕÍѳý¹¤ÒÕÆøÖв¿·ÖµÄ¶þÑõ»¯Ì¼£¬¾Í¿ÉÒÔ½µµÍ¼×´¼Ñ»·Á¿£¬´Ó¶ø´ïµ½µÍμ״¼Ï´¹¤ÒյĽÚÄÜÄ¿µÄ¡£ ͨ¹ý°ÑÍѳýÁò»¯ÎïµÈÆäËûÓк¦ÆøÌåµÄ¹¤ÒÕÆø½µÎ£¬Ê¹µÃ¹¤ÒÕÆøÖеIJ¿·Ö¶þÑõ»¯Ì¼Òº»¯·ÖÀ룬ÔÙÀûÓü״¼¶Ô¹¤ÒÕÆøÖвÐÓàµÄ¶þÑõ»¯Ì¼½øÐÐÍѳý£¬¼´µÍμ״¼Ï´Óë¶þÑõ»¯Ì¼Òº»¯·ÖÀë¼¼ÊõµÄñîºÏÀ´¾»»¯ÐèÒª´¦ÀíµÄ¹¤ÒÕÆø£¬¾ÍÏàÓ¦¼õÉÙÁ˼״¼µÄÑ»·Á¿¡£ 2.2.¸ßѹÁ÷ÌåµÄ¶¯ÄÜ»ØÊÕ Òº»¯µÄ¶þÑõ»¯Ì¼ÔÚÉÁÕô»ØÊÕÀäÁ¿Ê±£¬Îª·ÀÖ¹¶þÑõ»¯Ì¼¹Ì»¯½á±ù×è°¹¤ÒÕ¹ý³ÌµÄ³ÖÐø½øÐУ¬ÉÁÕôµÄÆøÌå¶þÑõ»¯Ì¼±ØÐë¿ØÖÆÔÚ¶þÑõ»¯Ì¼ÈýÏàµãµÄѹÁ¦¡¢Î¶ÈÖ®ÉÏ (¶þÑõ»¯Ì¼µÄÈýÏàµã£º0.51795MPa¡¢-56.568¡æ)¡£ÉÁÕôºóµÄÆøÌå¶þÑõ»¯Ì¼Ñ¹Á¦¸ßÓÚ0.51795MPa£¬¿ÉÒÔÔöÉè¶þÑõ»¯Ì¼ÅòÕÍ»ú£¬ÆøÌå¶þÑõ»¯Ì¼¾¹ý×ö¹¦ÅòÕÍ£¬»ØÊÕÕⲿ·ÖÄÜÁ¿¡¢Í¬Ê±Ò²¿ÉÏàÓ¦µÄ»ñµÃ¶þÑõ»¯Ì¼×ö¹¦ÅòÕ͹ý³ÌµÄÀäÁ¿£¬ÏàÓ¦½µµÍµÍμ״¼Ï´¹ý³ÌµÄÀäÁ¿ÏûºÄ¡£ 3.Òªµã(¼û¸½Í¼1) http://muchongimg.xmcimg.com/dat ... _1472254625_135.png ͼ1 3.1.Òº»¯·ÖÀ벿·Ö¶þÑõ»¯Ì¼ ͨ¹ý¸øÍѳýÁò»¯ÎïµÈÆäËûÓк¦ÆøÌåºóµÄ¹¤ÒÕÆø(02)½µÎ£¬Ê¹µÃ¹¤ÒÕÆøÖв¿·Ö¶þÑõ»¯Ì¼Òº»¯·ÖÀëÏÂÀ´¡£·ÖÀëҺ̬¶þÑõ»¯Ì¼ºóµÄ¹¤ÒÕÆø(05)Öл¹²ÐÁô²¿·Ö¶þÑõ»¯Ì¼£¬Ê£ÓàµÄÕⲿ·Ö¶þÑõ»¯Ì¼ÔÙÀûÓü״¼ÎüÊÕÍѳý¡£ÓÉÓÚ¹¤ÒÕÆøÖв¿·Ö¶þÑõ»¯Ì¼ÓɵÍÎÂÒº»¯·ÖÀëÍѳý£¬ËùÒÔÓÃÀ´ÎüÊÕ¹¤ÒÕÆøÖжþÑõ»¯Ì¼µÄ¼×´¼(10)µÄÁ¿ÏàÓ¦¼õÉÙ¡£ ÓÉÓÚÑ»·¼×´¼Á¿µÄ½µµÍ£¬ºóÐøµÄÔÙÉú¹ý³ÌÄܺÄÏàÓ¦½µµÍ¡¢Óɼ״¼´ø³öÓÐÐ§ÆøÌå¼õÉÙ¡¢¶þÑõ»¯Ì¼´ø³ö¼×´¼µÄ¼õÉÙ£¬ÌرðÊÇÕû¸öÉú²ú¹ý³ÌÄܺĻáÏàÓ¦½µµÍ£¬Ê¹µÃµÍμ״¼Ï´¹¤ÒÕÔÚÓëÆäËû¾»»¯¹¤ÒÕ¾ºÕùµÄÓÅÊÆ¸ü¼ÓÃ÷ÏÔ£»¹¤ÒÕÆø¾»»¯¹ý³ÌÖеõ½¸ü¶àµÄ´¿Ì¬¶þÑõ»¯Ì¼£¬¸üÀûÓÚºóÐø¶þÑõ»¯Ì¼µÄ²¶¼¯ºÍÀûÓᣠ3.2ÒºÌå¶þÑõ»¯Ì¼µÄÀûÓà Һ»¯·ÖÀëÏÂÀ´µÄÒºÌå¶þÑõ»¯Ì¼(07)£¬¾¹ýÒºÌå¶þÑõ»¯Ì¼ÉÁÕô»»ÈÈÆ÷(E2)ÉÁÕô¾Í¿ÉÒÔΪ¹¤ÒÕÆøµÄ¶þÑõ»¯Ì¼Òº»¯ÀäÈ´ÌṩËùÐèµÄµÍκÍÀäÁ¿£¬´Ó¶ø¼õÉÙµÍμ״¼Ï´¹ý³ÌÖÐÀäÁ¿µÄ²¹³ä¡£»»ÈÈÆ÷(E2)ÉÁÕôµÄÆøÌå¶þÑõ»¯Ì¼(08)µÄѹÁ¦¸ßÓÚ¶þÑõ»¯Ì¼ÈýÏàµãѹÁ¦0.51795MPa£¬¾¹ýÅòÕÍ»ú(J)¾øÈÈ×ö¹¦ÅòÕÍ,»ØÊոöþÑõ»¯Ì¼Ñ¹Á¦ÊÆÄܵÄͬʱ»¹¿ÉÒԵõ½Æä×ö¹¦ÅòÕ͹ý³ÌµÄÀäÁ¿£»Òº»¯·ÖÀëÏÂÀ´µÄÒºÌå¶þÑõ»¯Ì¼£¬¾¹ý¼òµ¥µÄ´¦Àí¾Í¿ÉÒÔÍê³É¶þÑõ»¯Ì¼µÄ²¶¼¯ºÍ´¢´æ¡£ 4.ÎÊÌâÓë¶Ô²ß 4.1.Òº»¯·ÖÀ벿·Ö¶þÑõ»¯Ì¼ºóµÄ¹¤ÒÕÆø(05)£¬¶þÑõ»¯Ì¼º¬Á¿½µµÍÊÆ±Ø»á½µµÍµ¥Î»¼×´¼¶Ô¶þÑõ»¯Ì¼µÄÎüÊÕÄÜÁ¦£¬Ó°Ïì½µµÍ¼×´¼Ñ»·Á¿µÄ³õʼĿ±ê¡£ ÀûÓÃÒº»¯·ÖÀëµÄÒºÌå¶þÑõ»¯Ì¼×öÀäÔ´£¬¿ØÖÆÍÑ̼ËþµÍ²¿³ö¿Ú¼×´¼(11)µÄζȵÍÓÚ-45¡æ£¬´Ó¶ø±£Ö¤¶þÑõ»¯Ì¼ÔÚ¼×´¼ÖÐÓнϸߵÄÈܽâ¶È£¬¿ØÖƹ¤ÒÕ¹ý³ÌÖÐÆ¶¼×´¼(10)Ñ»·Á¿µÄÄ¿µÄ£»´Ë¸»¼×´¼µÄζȾö¶¨Á˶þÑõ»¯Ì¼ÔÚ¼×´¼ÖеÄÈܽâ¶È¡¢´Ó¶ø¾ö¶¨ÁËÆ¶¼×´¼µÄÑ»·Á¿¡£ 4.2.¶þÑõ»¯Ì¼µÍÎÂʱÒ׳öÏֹ̻¯ÏÖÏó£¬×èÖ¹¹¤ÒÕ¹ý³ÌµÄ³ÖÐø½øÐС£ ¿ØÖƶþÑõ»¯Ì¼ÉÁÕô»»ÈÈÆ÷(E2)ÉÁÕôµÄÆøÌå¶þÑõ»¯Ì¼(08)µÄѹÁ¦¸ßÓÚ¶þÑõ»¯Ì¼ÈýÏàµãѹÁ¦0.51795MPa£¬±ÜÃâ¶þÑõ»¯Ì¼µÍι̻¯ÏÖÏóµÄ·¢Éú¡£ 4.3.²»Á˽⹤ÒÕÆø¸÷×é·ÖÔÚÒºÌå¶þÑõ»¯Ì¼ÖеÄÈܽâÐÔÄÜ¡¢ÎÞ·¨Ô¤²âÓÉÓÚ¶þÑõ»¯Ì¼µÄÒº»¯Ôì³É¹¤ÒÕÆøËðºÄ¡£ ½èÖúÓÚʵÑéÉ豸¡¢Í¨¹ýʵÑé×ö³öH2¡¢CO¡¢H2SÔÚ¼×´¼ÖÐÈܽâµÄÎïÐÔÊý¾Ý£¬ÒÔ±ãÖ¸µ¼µÍμ״¼Ï´Óë¶þÑõ»¯Ì¼Òº»¯·ÖÀëñîºÏµÄÆøÌå¾»»¯¹¤ÒÕÁ÷³ÌµÄÏêϸÉè¼Æ¡£ 5.µÍμ״¼Ï´Óë¶þÑõ»¯Ì¼Òº»¯·ÖÀëñîºÏµÄÆøÌå¾»»¯¹¤ÒÕÁ÷³Ì(¼û¸½Í¼2) ͼ2 5.1.¹¤ÒÕ²ÎÊý(À´Ô´ÓÚÉñ»ª°üͷú»¯¹¤µ¥Ì×µÍμ״¼Ï´¾»»¯) ±ä»»Æø£º17574Kmol/h¡¢40¡æ£¬5.6Mpa¡¢×é³É£º ¡¡ %(mol) Kmol/h H2 46.008651 8085.560327 N2 0.2295 40.33233 CO 21.552 3787.54848 Ar 0.0998 17.538852 CH4 0.0798 14.024052 CO2 31.56 5546.3544 H2S 0.2395 42.08973 COS 0.000549 0.09648126 H2O 0.2302 40.455348 ºÏ¼Æ 100 17574 5.2Éè¼ÆÒªÇó ¾»»¯Æø£º2.5%CO2¡¢¡ÆS£¼0.1PPm ËáÐÔÆø£º¡ÆS¡Ý40%£¬CH3OH£¼0.2% ·ÏË®£ºCH3OH£¼0.1% Î²Æø¡¢¶þÑõ»¯Ì¼²úÆ·£º¡ÆS£¼5PPm¡¢CH3OH£¼300PPm 5.3Á÷³ÌÐðÊö ±ä»»ÆøÓëÑ»·Æø¡¢ÅçÁܼ״¼»ìºÏºó½øÈë»»ÈÈÆ÷E01ÀäÈ´µ½-12.7¡æ(Ϊ±ÜÃâ¶þÑõ»¯Ì¼Òº»¯£¬¿ØÖÆ´ËζȲ»µÍÓÚ-17¡æ)£¬½øÈëÆøÒº·ÖÀë¹ÞV1·ÖÀ븻ˮ¼×´¼£¬¹¤ÒÕÆø½øÈëÍÑÁòËþT1µ×ÓëËþ¶¥ÊäÈëµÄ¸»¼×´¼ÄæÏò½Ó´¥£¬Íѳý¹¤ÒÕÆøÖеÄÁò»¯Îï¡¢°±µÈÓк¦ÆøÌå¡£ ¹¤ÒÕÆøÓÉÍÑÁòËþT1¶¥²¿Êä³ö£¬·Ö±ð½øÈë»»ÈÈÆ÷E02¡¢E03¡¢E04£¬¾¹ý¹ý³ÌµÍνéÖÊÀäÈ´½µÎ£¬Òº»¯¹¤ÒÕÆøÖеIJ¿·Ö¶þÑõ»¯Ì¼£¬¾¹ýÆøÒº·ÖÀë¹ÞV3·ÖÀëÒºÌå¶þÑõ»¯Ì¼¡£¹¤ÒÕÆøÖмдøµÄ¼×´¼¡¢Ë®¡¢Áò»¯ÎïµÈÓÉÕⲿ·ÖÒºÌå¶þÑõ»¯Ì¼ÈܽâÎüÊÕ£¬±£Ö¤Á˺óÐø¹¤ÒÕÆøµÄ´¿¶È¡£ ¹¤ÒÕÆø¾¹ý·ÖÀëÒºÌå¶þÑõ»¯Ì¼ºó£¬½øÈëÍⲿÀäÁ¿²¹³ä»»ÈÈÆ÷E05¡¢·Ö±ð½øÈëÒºÌå¶þÑõ»¯Ì¼ÉÁÕôÀäÈ´Æ÷E06¡¢E07¼ÌÐøÀäÈ´½µÎ£¬Î¶ȽµÖÁ-52.5¡æ£¬½øÒ»²½Òº»¯¹¤ÒÕÆøÖжþÑõ»¯Ì¼£¬¾¹ýÆøÒº·ÖÀë¹ÞV4·ÖÀëÒºÌå¶þÑõ»¯Ì¼¡£ ¹¤ÒÕÆøÓÉÆøÒº·ÖÀë¹ÞV4Êä³ö£¬½øÈëÍÑ̼ËþT2µ×²¿ÓëËþ¶¥ÊäÈëµÄƶ¼×´¼ÄæÏò½Ó´¥£¬Íѳý¹¤ÒÕÆøÖеĶþÑõ»¯Ì¼£¬´Ó¶øÉú²ú³ö·ûºÏÏÂÓι¤ÐòÒªÇóµÄ¾»»¯Æø¡£¾»»¯Æø¾¹ý¹ý³Ì»»ÈÈÆ÷E03¡¢E01¸´ÈÈ£¬»ØÊÕÀäÁ¿£¬ËÍÍùÏÂÓι¤Ðò¡£ ¸»Ë®¼×´¼ÓÉÆøÒº·ÖÀë¹ÞV1Êä³ö¡¢¾¹ý¹ý³Ì»»ÈÈÆ÷E29¼ÓÈÈ£¬ÊäËÍÖÁ¼×´¼/Ë®·ÖÀëËþ½øÐм״¼/Ë®µÄ·ÖÀ룬»ØÊÕÔÙÉú¼×´¼¡£ ÒºÌå¶þÑõ»¯Ì¼ÓÉÆøÒº·ÖÀë¹ÞV3Êä³ö£¬¾¹ýË®Á¦ÂÖ»úJ4»ØÊÕ¶¯Äܺ󣬽øÈëµ½ÒºÌå¶þÑõ»¯Ì¼ÉÁÕôÀäÈ´Æ÷E06£¬ÉÁÕô²¿·Ö¶þÑõ»¯Ì¼£¬Îª¹¤ÒÕÆøÀäÈ´ÌṩÀäÁ¿£¬²¢¸»¼¯ÆäÖеļ״¼¡¢Ë®¡¢Áò»¯ÎïµÈ£¬¸»¼¯Á˼״¼¡¢Ë®¡¢Áò»¯ÎïµÈµÄÒºÌå¶þÑõ»¯Ì¼»ØÁ÷µ½ÍÑÁòËþT1½øÐÐÔٴεļ״¼ÎüÊÕ¡£Í¨¹ý¿ØÖÆ»ØÁ÷ÒºÌå¶þÑõ»¯Ì¼µÄÁ¿´ïµ½¿ØÖÆÒºÌå¶þÑõ»¯Ì¼ÉÁÕôÀäÈ´Æ÷E06³ö¿ÚÆøÌå¶þÑõ»¯Ì¼µÄ´¿¶È¡¢²¢Í¨¹ýѹÁ¦¿ØÖƶþÑõ»¯Ì¼ÉÁÕôµÄζȣ¬²»ÖÁÓÚ¶þÑõ»¯Ì¼¹Ì»¯£¬Í¬Ê±Í¨¹ý»ØÁ÷ÒºÌå¶þÑõ»¯Ì¼µÄÁ÷Á¿¿ØÖÆÍÑÁòËþ¶¥³ö¿Ú¹¤ÒÕÆøÎ¶ȡ£ ÒºÌå¶þÑõ»¯Ì¼ÓÉÆøÒº·ÖÀë¹ÞV4Êä³ö£¬¾¹ýË®Á¦ÂÖ»úJ5»ØÊÕ¶¯Äܺ󣬽øÈëµ½ÒºÌå¶þÑõ»¯Ì¼ÉÁÕôÀäÈ´Æ÷E7¡¢E18¡¢E19¡¢E20ÉÁÕô£¬Îª¹¤ÒÕÆøÀäÈ´¡¢ÍÑ̼ËþÎüÊÕ¶þÑõ»¯Ì¼ÌṩÀäÁ¿£¬²¢Í¨¹ýѹÁ¦¿ØÖƶþÑõ»¯Ì¼ÉÁÕôµÄζȣ¬²»ÖÁÓÚ¶þÑõ»¯Ì¼¹Ì»¯¡£ Ϊ±ÜÃâ¶þÑõ»¯Ì¼ÔÚ¶þÑõ»¯Ì¼ÉÁÕôÀäÈ´Æ÷E06¡¢E07¡¢E18¡¢E19¡¢E20Öй̻¯£¬Í¨¹ý¿ØÖƶþÑõ»¯Ì¼ÉÁÕôÀäÈ´Æ÷E06¡¢E07¡¢E18¡¢E19¡¢E20³ö¿ÚѹÁ¦À´¿ØÖÆÒºÌå¡¢ÆøÌå¶þÑõ»¯Ì¼Î¶ȣ¬´Ó¶ø±ÜÃâ¶þÑõ»¯Ì¼ÉÁÕôÀäÈ´Æ÷E06¡¢E07¡¢E18¡¢E19¡¢E20ÄÚζȵÍÓÚÆäÈýÏàµã(ζȣº-56.568¡æ£»Ñ¹Á¦£º0.51795MPa)ζȶø¹Ì»¯¡£ ¶þÑõ»¯Ì¼ÉÁÕôÀäÈ´Æ÷E07¡¢E18¡¢E19¡¢E20·Ö±ðÉèÖÃÓÐÁÙʱÅÅÎÛ¹ÜÏß¡£ÆøÒº·ÖÀë¹ÞV4Êä³öµÄÒºÌå¶þÑõ»¯Ì¼»ò¶à»òÉٵĺ¬ÓÐÒ»¶¨Á¿µÄ¼×´¼£¬ÔÚ¶þÑõ»¯Ì¼ÉÁÕô¹ý³ÌÖÐÖ𽥸»¼¯£¬ÊƱػήµÍµ½¶þÑõ»¯Ì¼ÉÁÕôÀäÈ´Æ÷µÄζȣ¬Éú²ú¹ý³ÌÖÐÐè¼ä¶ÏÅÅÎÛ¡¢ÒԱ㽵µÍÆäÖм״¼µÄº¬Á¿¡£ ÒòΪÎÞÏà¹Ø¹¤ÒÕÆø¸÷×é·ÖÔÚÒºÌå¶þÑõ»¯Ì¼ÖÐÈܽâ¶ÈµÄÊý¾Ý£¬ÂÔÈ¥ÁËÒºÌå¶þÑõ»¯Ì¼¼õѹÉÁÕô»ØÊÕ²¿·ÖÓÐÐ§Æø¹ý³Ì¡£ ¹ý³ÌÖÐÓ¦ÓÃÁËÅòÕÍ»ú(J1)¡¢Ë®Á¦ÂÖ»ú(J2¡¢J3¡¢J4¡¢J5)»ØÊÕ¹ý³ÌÄÜÁ¿¡¢Í¬Ê±¿ÉÒÔ½µµÍÕû¸öµÍμ״¼Ï´¹ý³ÌÀäÁ¿Ëðʧ¡£ ¼×´¼ÔÙÉú²¿·Ö²»×öÐðÊö¡£ 6.Ïà¹Ø¼ÆËã 6.1.ÀíÂÛÒÀ¾Ý 6.1.1.¶þÑõ»¯Ì¼ÐÔÖÊ ¶þÑõ»¯Ì¼µÄ±¥ºÍÕôÆøÑ¹Á¦¡¢ÒºÌå¶þÑõ»¯Ì¼µÄÕô·¢ÈÈÒÔ¼°Ïà¹ØÊý¾Ý¿ÉÒÔͨ¹ý²éѯµÃµ½¡£ 6.1.2.¶þÑõ»¯Ì¼ÔÚ¼×´¼ÖеÄÈܽâ¶È ¶þÑõ»¯Ì¼ÔÚ¼×´¼ÖеÄÈܽâ×ñѹ«Ê½£º X_(¡¼CO¡½_2 )=K¡ÁP_(¡¼CO¡½_2 )/(P_(¡¼CO¡½_2)^0 ) X_(¡¼CO¡½_2 )£º¶þÑõ»¯Ì¼ÔÚ¼×´¼ÖÐÈܽâµÄĦ¶û·ÖÂÊ£» K:ÈܽâϵÊý£¬ÎüÊպͽâÎö¹ý³ÌÖдﵽƽºâʱȡ0.425£¬Êµ¼ÊÎüÊÕ¹ý³ÌÖÐСÓÚ0.425¡¢Êµ¼Ê½âÎö¹ý³ÌÖдóÓÚ0.425£¬²¢ÓÉÉú²ú¸ººÉ¡¢ÎüÊÕËþ½âÎöËþµÄËþÅÌÊý¾ö¶¨£» P_(¡¼CO¡½_2 )£ºÈÜÒºÒºÃæÉ϶þÑõ»¯Ì¼·Öѹ£» P_(¡¼CO¡½_2)^0£º¸ÃζÈ϶þÑõ»¯Ì¼±¥ºÍѹÁ¦¡£ 6.1.3.H2SÔÚ¼×´¼ÖеÄÈܽâ¶È H2SÔÚ¼×´¼ÖеÄÈܽâ¶È×ñѺàÀû¶¨ÂÉ£¬Í¬Ê±ÎüÊÕÁËÁò»¯ÇâµÄ¼×´¼ÒºÃæÉÏÁò»¯ÇâÆøÌåµÄ·Öѹ×ñÑ£º S_(H_2 S)=(692¡ÁP_(H_2 S))/(1.9¡ÁP_(H_2 S)^0-P_(H_2 S) ) »ò P_(H_2 S)=(1.9¡ÁP_(H_2 S)^0¡ÁS_(H_2 S))/(692+S_(H_2 S) ) S_(H_2 S)£º¹«½ï¼×´¼ÖÐÎüÊÕH2SµÄÁ¿£¬Éý/¹«½ï»òm3/¶Ö£» P_(H_2 S)£ºÈÜÒºÒºÃæÉÏH2SµÄ·Öѹ£» P_(H_2 S)^0£º¸ÃζÈÏÂH2SµÄ±¥ºÍѹÁ¦¡£ 6.1.4.¹¤ÒÕÆøÔÚ¼×´¼ÖеÄÈܽâ¶È ¹¤ÒÕÆø¸÷×é·ÖÔÚ¼×´¼ÖеÄÈܽâ¶È×ñѺàÀû¶¨ÂÉ£¬¼ÆËãÖеĺàÀûϵÊýÓÉÏÖÓеÍμ״¼Ï´¹¤ÒÕÖеÄÊý¾ÝÍÆµ¼¶øÀ´¡£ 6.1.5.ÆøÌåѹ±ä¹ý³ÌµÄαäЧӦ¼ÆËã ÆøÌå¾øÈÈѹËõ¡¢¾øÈÈÅòÕͽµÑ¹ÊÇ±È½ÏÆÕ±éµÄ»¯¹¤¹ý³Ì£¬ÆÚ¼ä½éÖÊѹÁ¦±ä»¯Í¬Ê±Î¶ÈÒ²»áÏàÓ¦±ä»¯¡£Ñ¹Á¦¶¨Á¿±ä»¯µÄͬʱζȱ仯µÄÁ¿µÄÈ·¶¨¡£ÆøÌåѹËõ¹ý³Ì×ñÑÈçϹ«Ê½£º Íâ½ç¶ÔÆøÌå×ö¹¦¡¢ÆøÌå¶ÔÍâ½ç×ö¹¦¹ý³ÌÖÐÆøÌåѹÁ¦¶¨Á¿±ä»¯ÒýÆðζȱ仯µÄ¶¨Á¿¹«Ê½£º T_2=T_1¡Á(P_2/P_1 )^((K-1)/K) --------------------¢Ù ÆøÌå±äѹ¹ý³ÌÖÐÓëÍâ½çµÄ¹¦±ä¶¨Á¿¹«Ê½£º W=NRT¡ÁK/(K-1)¡Á[(P_2/P_1 )^((K-1)/K)-1] -------¢Ú T£º¿ª¶ûÎÄζȣ¬µ¥Î»K K£ºÆøÌå¾øÈÈÖ¸Êý N£ºÆøÌåµÄÁ÷Á¿£¬mol/h R£ºÆøÌå³£Êý£¬8.314472J/(K•mol) 6.1.6ÒºÌåѹ±ä¹ý³ÌÖеÄÈȹ¦µ±Á¿ ÒºÌåÁ÷Ìåѹ±ä¹ý³ÌÖеÄÀíÂÛ¹¦¹«Ê½£º W=(¡÷P)/¦Ñ¡Ám W£ºµ¥Î»£¬J; P£ºµ¥Î»£¬Pa ¦Ñ£ºµ¥Î»£¬Kg/m3 m£ºµ¥Î»£¬Kg 6.1.7.ÆøÌåÈܽâÈÈ ¶þÑõ»¯Ì¼ÔÚ¼×´¼ÖÐÈܽ⡢½âÎö£º308KJ/Kg H2SÔÚ¼×´¼ÖÐÈܽ⡢½âÎö£º19.264KJ/mol 6.1.8.¸»¼×´¼¼õѹ¹ý³Ì ¸»¼×´¼¼õѹÉÁÕô¹ý³ÌÖÐ×ñÑ£ºX_(¡¼CO¡½_2 )=K¡ÁP_(¡¼CO¡½_2 )/(P_(¡¼CO¡½_2)^0 )£¬ÇÒK=0.425£»×ñÑÈÈÁ¿Æ½ºâ£»×ñÑÁ÷Ìå¼õѹ¹ý³ÌµÄÊÆÄÜ¡¢ÈÈÁ¿×ª»»£¬¼´Q=-W=-(¡÷P)/¦Ñ¡Ám 7.¼ÆËã¹ý³Ì¼°¹¤ÒÕ¹ý³ÌÖйؼü²ÎÊýÈ·¶¨(²ÎÕÕÁ÷³Ì¸½Í¼2) http://muchongimg.xmcimg.com/dat ... _1472254703_288.png ͼ2 004#ÎïÁÏ£º ζȿØÖÆÔÚ-12.7¡æ£¬ÓÐÀûÓÚ¹¤ÒÕÆøÖÐË®·ÖµÄÍѳý¡¢Í¬Ê±²»ÖÁÓÚ¶þÑõ»¯Ì¼µÍÎÂÒº»¯£¬Ôö´óÔÙÉú¹ý³ÌÄܺġ£ 006#ÎïÁÏ£º ζȿØÖÆÔÚ-12¡æ£¬ÓÐÀûÓÚÕû¸ö¹ý³ÌµÄµÍÎÂÀäÁ¿µÄ»ØÊÕÀûÓã» ¿ØÖÆ£¬Í¨¹ý¿ØÖÆ»ØÁ÷ÒºÌå¶þÑõ»¯Ì¼40#µÄÁ÷Á¿Íê³É¡£ 019#¡¢020#ÎïÁÏ£º ζȿØÖÆÔÚ-52.5¡æ£¬ÓÉÒºÌå¶þÑõ»¯Ì¼ÉÁÕôζȾö¶¨£¬¿ØÖÆ»»ÈÈÆ÷ζȶ˲î4¡æ¡£ 030#ÎïÁÏ£º ζȿØÖÆÔÚ-13.5¡æ£¬ÓÐÀûÓÚ½µµÍ¶þÑõ»¯Ì¼ÔÚ¼×´¼µÄÈܽâ¶È¡¢Òº»¯·ÖÀë¸ü¶àµÄ¶þÑõ»¯Ì¼¡¢½µµÍ¼×´¼ÔÙÉúµÄ¸ººÉ¡£ ¼×´¼µÄÈܽâ¶È¶þÑõ»¯Ì¼µÄŨ¶ÈÓ빤ÒÕÆø×ñÑ X_(¡¼CO¡½_2 )=K¡ÁP_(¡¼CO¡½_2 )/(P_(¡¼CO¡½_2)^0 )£¬KÈ¡0.375¡£ 038#ÎïÁÏ£º ѹÁ¦¿ØÖÆ£¬Í¨¹ý¿ØÖƸÃÎïÁϵÄѹÁ¦£¬´Ó¶ø´ïµ½¿ØÖÆÆäζȵÄÄ¿µÄ£¬Î¶ȿØÖÆÔÚ-56.5¡æ£¬Ðγɾ¡¿ÉÄܵ͵ĵÍÎÂÀäÁ¿¡¢Í¬Ê±Ò²²»ÖÁÓÚ¶þÑõ»¯Ì¼¹Ì»¯¡£ 039#ÎïÁÏ£º Á÷Á¿¿ØÖÆ£¬¿ØÖƸÃÎïÁϵÄÁ÷Á¿£¬´ïµ½¿ØÖÆÍÑÁòËþT1¶¥²¿³ö¿Ú¹¤ÒÕÆøÎ¶ȣ¬Í¬Ê±¾¡¿ÉÄܳ¹µ×µØÈܽ⹤ÒÕÆøÖм״¼¡¢Ë®¡¢Áò»¯ÎïµÈ£¬´Ó¶ø¿ØÖÆ038#ÎïÁÏ´¿¶ÈµÄÄ¿µÄ£»¿ØÖƸÃÎïÁϵÄÁ÷Á¿£¬¾Í¿ØÖÆÁ˸ÃÎïÁϵĶþÑõ»¯Ì¼Å¨¶È£¬´Ó¶ø¿ØÖÆÁË038#ÎïÁϵÄζȡ¢Ñ¹Á¦¡£ 056#ÎïÁÏ£º ѹÁ¦¿ØÖÆ£¬Í¨¹ý¿ØÖƸÃÎïÁϵÄѹÁ¦£¬´Ó¶ø´ïµ½¿ØÖÆ046#¡¢049#¡¢052#¡¢055#ζȵÄÄ¿µÄ£¬Î¶ȿØÖÆÔÚ-56.5¡æ£¬Ðγɾ¡¿ÉÄܵ͵ĵÍÎÂÀäÁ¿¡¢Í¬Ê±Ò²²»ÖÁÓÚ¶þÑõ»¯Ì¼¹Ì»¯¡£ 059#ÎïÁÏ£º ζȿØÖÆ£¬ÒºÌå¶þÑõ»¯Ì¼ÉÁÕôÀäÈ´Æ÷ÉÁÕôµÄ0.5MPa¡¢-56.5¡æµÄÆøÌå¶þÑõ»¯Ì¼¾¹ýJ1¼ÓÈÈ¡¢¿ØÖÆÒ»¶¨µÄζȡ¢±£Ö¤¶þÑõ»¯Ì¼¾¹ýÅòÕÍ»ú×ö¹¦ºó²»·¢Éú¹Ì»¯½á±ù¡£ 076#ÎïÁÏ£º ѹÁ¦¿ØÖÆ£¬¿ØÖÆÒ»¶¨µÄѹÁ¦¡¢±£Ö¤¶þÑõ»¯Ì¼¾¹ýÅòÕÍ»ú×ö¹¦ºó²»·¢Éú¹Ì»¯½á±ù¡£ 061#ºÅÎïÁÏ£º ζȿØÖÆÔÚ-45¡æ£¬¿ØÖÆÒ»¶¨µÄζȣ¬´Ó¶ø±£Ö¤¶þÑõ»¯Ì¼ÔÚ¼×´¼ÖÐÓнϸߵÄÈܽâ¶È£¬´ïµ½½µµÍ¹¤ÒÕ¹ý³Ìƶ¼×´¼Ñ»·Á¿µÍµÄÄ¿µÄ£»´Ë¸»¼×´¼µÄζȾö¶¨Á˶þÑõ»¯Ì¼ÔÚ¼×´¼ÖеÄÈܽâ¶È¡¢´Ó¶ø¾ö¶¨ÁËÆ¶¼×´¼µÄÑ»·Á¿¡£ 063#ºÅÎïÁÏ£º Á÷Á¿¿ØÖÆ£¬¿ØÖÆÒ»¶¨Á÷Á¿£¬´ïµ½¿ØÖÆÍÑÁòËþT1¶¥²¿Êä³ö¿Ú¹¤ÒÕÆøÖÐÁòŨ¶È¾¡Á¿µÍµÄÄ¿±ê£¬¿ØÖƸÃÎïÁϵÄÁ÷Á¿Îª061#ÎïÁϵÄ45%¡£ 8.¶¯É豸 Õû¸ö¹¤ÒÕ¹ý³ÌµÄ¶¯É豸°üÀ¨£ºÒºÌå¶þÑõ»¯Ì¼ÊäËͱÃP1¡¢ ¸»¼×´¼ÊäËͱÃP2¡¢¸»¼×´¼ÊäËͱÃP3¡¢¸»¼×´¼ÊäËͱÃP4¡¢Æ¶¼×´¼ÊäËͱÃP5¡¢Æ¶¼×´¼ÊäËͱÃP6¡¢ÄýÒºÊäËͱÃP7¡¢Ï´µÓÒºÊäËͱÃP8¡¢Ñ»·ÆøÑ¹Ëõ»úC1¡¢¶þÑõ»¯Ì¼ÅòÕÍ»úJ1Óë·¢µç»úE1¡¢Ë®Á¦Í¸Æ½J2Óë·¢µç»úE2¡¢Ë®Á¦Í¸Æ½J3Óë·¢µç»úE3¡¢Ë®Á¦Í¸Æ½J4Óë·¢µç»úE4¡¢Ë®Á¦Í¸Æ½J5Óë·¢µç»úE5×é³É£¬Õû¸ö¹¤ÒÕ¹ý³ÌÖÐÓÃÓÚÁ÷ÌåÊäËÍ»úеµÄµç»úÅäÌ×¹¦ÂÊ1202KW£¬Õû¸ö¹¤ÒÕ¹ý³ÌÁ÷ÌåÄÜÁ¿»ØÊյķ¢µç»úÕý³£·¢µç¹¦ÂÊ2094KW£¬Õû¸ö¹¤ÒÕ¹ý³Ì¿ÉÒÔÐγɵçÁ¦µÄÊä³ö892KW£»¶þÑõ»¯Ì¼ÅòÕÍ»úJ1×ö¹¦¶î¶¨·¢µç1800KW£¬ÔÚ²»ÔöÉèË®Á¦Í¸Æ½J2¡¢J3¡¢J4¡¢J5µÄ×´¿öÏ£¬Õû¸ö¹¤ÒÕ¹ý³Ì¿ÉÒÔÐγɵçÁ¦µÄÊä³ö598KW¡£ Éñ»ª°üÍ·ÁֵµÍμ״¼Ï´ÐÍÅäÌ×µç»ú¹¦ÂÊ£º4500KW 9.ÀäÁ¿ËðºÄ Õû¸ö¹¤ÒÕ¹ý³ÌÖÐÓÃÓÚ²¹³äÀäÁ¿µÄ»»ÈÈÆ÷ÓÉE05¡¢E16¡¢E26£¬ÔÚÈÈÆ½ºâ¼ÆËã»ù´¡ÉÏ£º Àä Á¿ Ëð ºÄ ¡¡ KJ/h Kcal/h E05 1725523 412134 E16 2727937 651556.5 E26 1686479 402808.5 ºÏ¼Æ 6139938 1466499 ºÏ¼ÆÀäÁ¿Ëðʧ£º1.466499¡Á106Kcal/h Éñ»ª°üÍ·ÁÖµÂÐÍΪ£º8.01¡Á106Kcal/h£¬Êµ¼ÊÔËÐÐÖÐÀäËðÔ¼4.0¡Á106Kcal/h 10.ÎïÁÏËðºÄ ÎïÁÏÏûºÄ ¸Ä½øÐÍ ¡¡ Éñ»ª°üÍ·ÁÖµÂÐÍ ÎïÁÏÃèÊö µ¥Î» ¡¡ ¡¡ ÎïÁÏÃèÊö µ¥Î» ¡¡ µçÁ¦ KWH/h -892 ¡¡ µçÁ¦ KWH/h 4500 µªÆø NM3/h 6386.956 ¡¡ µªÆø NM3/h 13000 0.56ÕôÆû T/h 12.44437 ¡¡ 0.56ÕôÆû T/h 14.025 1.1ÕôÆû T/h 8.030737 ¡¡ 1.1ÕôÆû T/h 7.146 Ñ»·Ë® T/h 549.2629 ¡¡ Ñ»·Ë® T/h 725.633 ÍÑÑÎË® T/h 6 ¡¡ ÍÑÑÎË® T/h 6 ÎïÁÏËðºÄ ¸Ä½øÐÍ ¡¡ Éñ»ª°üÍ·ÁÖµÂÐÍ ÎïÁÏÃèÊö µ¥Î» ¡¡ ¡¡ ÎïÁÏÃèÊö µ¥Î» ¡¡ H2 NM3/h 53.88917 ¡¡ H2 NM3/h 160.11 CO NM3/h 408.0977 ¡¡ CO NM3/h 845.47 CH3OH Kg/h 10.39399 ¡¡ CH3OH Kg/h 21.67225 1.¼×´¼ËðºÄ¼ÆËãÂÔÈ¥¼×´¼/Ë®·ÖÀëËþÍâÅÅ·ÏË®¼Ð´øÁ¿¡¢²»¼ÆÈë¾»»¯Æø¼Ð´øÁ¿¡£ 2.ÒòûÓмÆËã¹ý³Ì£¬ÂÔÈ¥ÁËÒºÌå¶þÑõ»¯Ì¼¼õѹÉÁÕô¹ý³ÌÖÐÓÐÐ§ÆøÌåµÄÀûÓ㬴æÔÚÆ«²î¡£ ÏÞÓÚÆª·ù£¬ÐèÒª¸üΪÏ꾡Êý¾ÝµÄ»°¿ÉÒÔÁªÏµ±¾ÈË¡£ ½áÊøÓï 1.µÍμ״¼Ï´¹¤ÒÕ·¢Õ¹ÖÁ½ñ£¬Ïà¶Ô±È½Ï³ÉÊ죬µÃµ½ÁËÒµ½çÌØ±ðÊÇ´óÁ¦·¢Õ¹Ãº»¯¹¤µÄÖйú»¯¹¤Òµ½çµÄÈÏͬ£¬µ«×Ðϸ¿¼Á¿Æä¿ÉÍÚ¾òµÄ½ÚÄÜDZÁ¦»¹ÊǾ޴óµÄ¡£ 2.µÍμ״¼Ï´ÊǸöϵͳ¹¤³Ì£¬²»ÊÇÒ²²»¿ÉÄÜÆ¾½èµÄ¸öÈËÐËȤ°®ºÃºÍÎÞÏÞµÄŬÁ¦¾Í¿ÉÒÔ¶À×ÔÍê³ÉµÄ£¬Ï£ÍûÒýÆðÒµ½çµÄÖØÊÓ²¢¼ÓÒԸĽø¡£ ͼ1.png ͼ2.png |
» ÊÕ¼±¾ÌûµÄÌÔÌûר¼ÍƼö
¡¾¹Ù·½¡¿¹¤ÒÕ¼¼Êõ |
» ²ÂÄãϲ»¶
0703 µ÷¼Á
ÒѾÓÐ6È˻ظ´
ÉêÇë»Ø¸åÑÓÆÚÒ»¸öÔ£¬±à¼Í¬ÒâÁË¡£µ«ÏµÍ³ÉϵÄʱ¼äû±ä£¬¸ø±à¼ÓÖдÓʼþÁË£¬Ã»»Ø¸´
ÒѾÓÐ4È˻ظ´
¸ß·Ö×Ó¿ÆÑ§ÂÛÎÄÈóÉ«/·ÒëÔõôÊÕ·Ñ?
ÒѾÓÐ94È˻ظ´
Î÷ÄÏij211ÕÐ27½ì²©Ê¿
ÒѾÓÐ32È˻ظ´
ÇóÖú¼¸¸öcifÎļþ£¬Ð»Ð»¡£
ÒѾÓÐ0È˻ظ´
´óÁ¬¹¤Òµ½ÜÇà/³¤½ÍŶÓ-ÉúÎïÖʲÄÁÏ-´¢ÄÜµç³Ø·½ÏòÕÐÊÕ2026¼¶²©Ê¿Éú
ÒѾÓÐ0È˻ظ´
»¯Ñ§308·ÖÇóµ÷¼Á
ÒѾÓÐ3È˻ظ´
AFM²âÊÔ½á¹ûºáÏßÇóÖú
ÒѾÓÐ1È˻ظ´
ÉîÛÚ´óѧ¸ßµÈÑо¿ÔºÕÔΰ¿ÎÌâ×éÕÐÊÕ»¯Ñ§µ÷¼ÁÉú
ÒѾÓÐ2È˻ظ´
cuikk
ÖÁ×ðľ³æ (ÕýʽдÊÖ)
- Ó¦Öú: 1 (Ó×¶ùÔ°)
- ½ð±Ò: 12831.1
- É¢½ð: 181
- ºì»¨: 2
- Ìû×Ó: 589
- ÔÚÏß: 88.3Сʱ
- ³æºÅ: 173070
- ×¢²á: 2006-01-20
- ÐÔ±ð: GG
- רҵ: ÎÞ»ú»¯¹¤
2Â¥2016-09-02 12:15:25













»Ø¸´´ËÂ¥