| 查看: 478 | 回复: 2 | |
[求助]
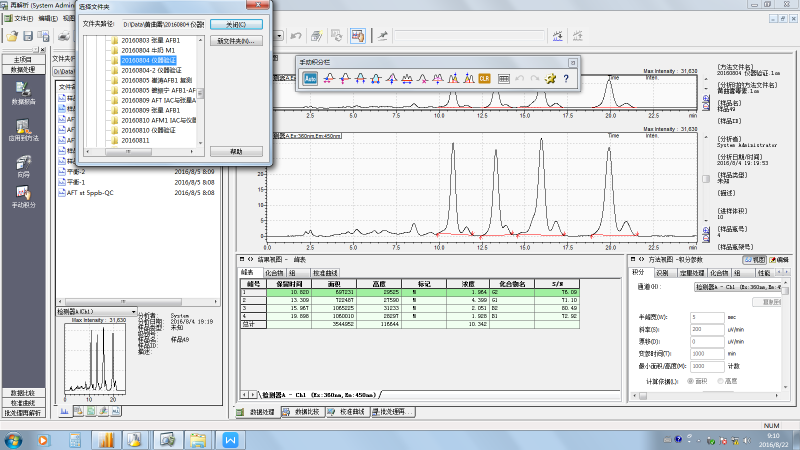
黄曲霉四相(B1、B2、G1、G2)液相图谱为什么后面又有一个小峰,小峰是什么 已有1人参与
|
|
|
|
|
klicking至尊木虫 (著名写手)
|
|
![]() |
|
|
2楼2016-08-22 12:15:41
|
|
|
3楼2016-08-24 07:56:42
|
|














回复此楼
