| 查看: 1305 | 回复: 16 | |
[求助]
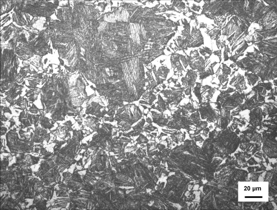
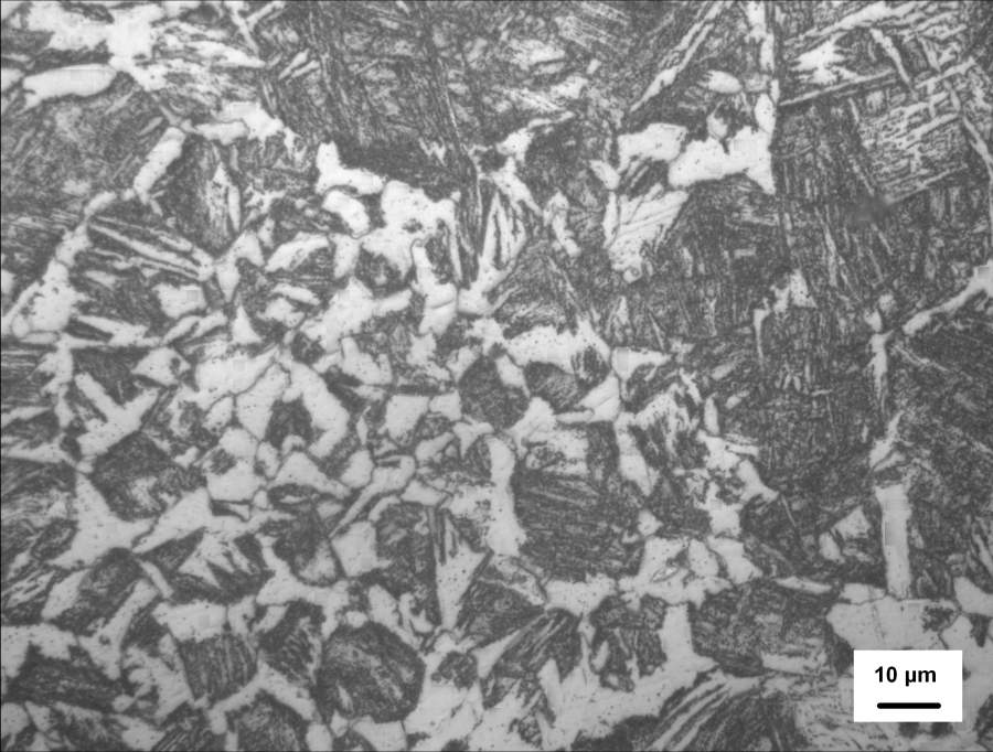
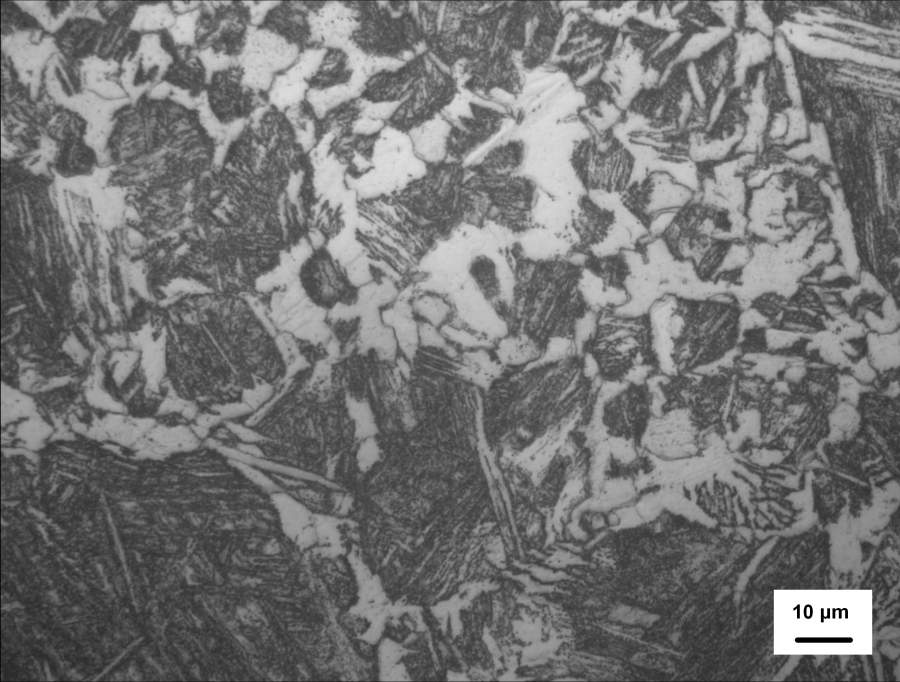
求助低合金高强度钢焊缝金属调制处理650度回火的组织是啥? 已有2人参与
|
|
|
|
|
| 回帖支持 ( 显示支持度最高的前 50 名 ) | |
|
9楼2016-07-29 23:24:09
|
|
| 普通回帖 | |
peterflyer
|
|
|
2楼2016-07-29 20:08:17
|
|
|
3楼2016-07-29 20:31:11
|
|
peterflyer
|
|
|
4楼2016-07-29 20:33:20
|
|
|
5楼2016-07-29 20:38:42
|
|
|
6楼2016-07-29 20:54:32
|
|
peterflyer
|
|
|
7楼2016-07-29 21:00:54
|
|
|
8楼2016-07-29 23:23:50
|
|
|
10楼2016-07-30 05:58:02
|
|














回复此楼
