| ²é¿´: 2403 | »Ø¸´: 11 | |||
ÄÁÑòÈ˶à¶àгæ (СÓÐÃûÆø)
|
[½»Á÷]
2ϵÂÁºÏ½ð¶¯Ì¬Ôٽᾧ£¬ebsd,Ñô¼«¸²Ä¤ ÒÑÓÐ11È˲ÎÓë
|
||
|
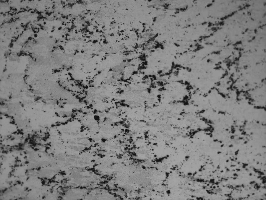
´ó¼ÒºÃ£¬±¾ÈËÕýÔÚ×ö2ϵÂÁºÏ½ðµÄ΢¹Û±¾¹¹Ä£ÐÍ£¬ÓÉÓÚ´ó±äÐΣ¬¾§Á£ÆÆË飬¾§½çÎÞ·¨·ÖÇå¡£ÏÂͼһÊǽøÐеç½âÅ×¹âºóµÄ½ðÏàͼ£¬Í¼¶þÊÇEBSDÈ¡Ïòͼ£¬ÇëÎÊͼ¶þÖеĴó¾§Á£ÊÇʲôÔÒò²úÉúµÄÄØ£¿EBSDÕÕÆ¬ÄÜ·ñºÍ½ðÏàͼ¶ÔÓ¦ÆðÀ´ÄØ£¿ÓÐûÓÐÈË×ö¹ýÑô¼«¸²Ä¤³É¹¦µÄÄØ£¿Ð»Ð»´ó¼Ò£¡ ·¢×ÔСľ³æAndroid¿Í»§¶Ë |
» ²ÂÄãϲ»¶
297£¬¹¤¿Æµ÷¼Á?
ÒѾÓÐ4È˻ظ´
¿ÒÇëÓÐѧУÊÕÁô
ÒѾÓÐ7È˻ظ´
291Çóµ÷¼Á
ÒѾÓÐ9È˻ظ´
300Çóµ÷¼Á
ÒѾÓÐ11È˻ظ´
22ר˶Çóµ÷¼Á
ÒѾÓÐ12È˻ظ´
²ÄÁÏÏà¹Ø×¨Òµ344Çóµ÷¼ÁË«·Ç¹¤¿ÆÑ§Ð£»ò¿ÎÌâ×é
ÒѾÓÐ25È˻ظ´
¼±Ðèµ÷¼Á
ÒѾÓÐ7È˻ظ´
Çóµ÷¼Á
ÒѾÓÐ10È˻ظ´
Ò»Ö¾Ô¸»ªÖÐũҵ071010£¬320Çóµ÷¼Á
ÒѾÓÐ16È˻ظ´
304Çóµ÷¼Á
ÒѾÓÐ5È˻ظ´
sunsyue
гæ (³õÈëÎÄ̳)
- Ó¦Öú: 1 (Ó×¶ùÔ°)
- ½ð±Ò: 103
- Ìû×Ó: 26
- ÔÚÏß: 3Сʱ
- ³æºÅ: 2853654
- ×¢²á: 2013-12-06
- רҵ: ½ðÊô²ÄÁÏ
¡ï
Сľ³æ: ½ð±Ò+0.5, ¸ø¸öºì°ü£¬Ð»Ð»»ØÌû
Сľ³æ: ½ð±Ò+0.5, ¸ø¸öºì°ü£¬Ð»Ð»»ØÌû
|
Ò»¸öÎÊÌâÊDZäÐι¤ÒÕ£¬Èç¹ûÊÇÀäÔþµÄ»°£¬Öм侧Á£´óÓпÉÄÜÊÇÖм䲿·ÖÔþÖÆ±äÐÎÁ¿Ð¡£¬Çý¶¯Á¦½ÏС¡£ÁíÍ⣬2ϵÂÁºÏ½ðÑô¼«¸²Ä¤¿ÉÒÔ¿¼ÂÇÁ×Ëá-ÁòËáµÄ¸²Ä¤Òº ·¢×ÔСľ³æAndroid¿Í»§¶Ë |
9Â¥2016-07-31 18:41:22
christyheng
гæ (ÕýʽдÊÖ)
- Ó¦Öú: 6 (Ó×¶ùÔ°)
- ½ð±Ò: 2435.9
- É¢½ð: 80
- ºì»¨: 6
- Ìû×Ó: 639
- ÔÚÏß: 109.2Сʱ
- ³æºÅ: 4015387
- ×¢²á: 2015-08-10
- רҵ: ½ðÊô²ÄÁϵÄÁ¦Ñ§ÐÐΪ
¡ï
Сľ³æ: ½ð±Ò+0.5, ¸ø¸öºì°ü£¬Ð»Ð»»ØÌû
Сľ³æ: ½ð±Ò+0.5, ¸ø¸öºì°ü£¬Ð»Ð»»ØÌû
|
Á½Í¼·´Á衃 ÇëÎʽðÏàͼÔõô´¦ÀíµÄ£¿Ñô¼«¸²Ä¤Ã´£¿Ã»ÓÐÏÔʾ³öÀ´¾§Á££¬¿ÉÄÜÑô¼«Ñõ»¯²»³É¹¦ ·¢×ÔСľ³æIOS¿Í»§¶Ë |
2Â¥2016-07-29 18:27:44
123lm321
½ð³æ (СÓÐÃûÆø)
- Ó¦Öú: 3 (Ó×¶ùÔ°)
- ½ð±Ò: 530.8
- ºì»¨: 2
- Ìû×Ó: 189
- ÔÚÏß: 95Сʱ
- ³æºÅ: 3878886
- ×¢²á: 2015-05-19
- רҵ: ½ðÊô²ÄÁϵÄ΢¹Û½á¹¹
3Â¥2016-07-30 11:02:01
crostion
½ð³æ (ÖøÃûдÊÖ)
- Ó¦Öú: 40 (СѧÉú)
- ½ð±Ò: 8223.4
- É¢½ð: 83
- ºì»¨: 10
- Ìû×Ó: 1675
- ÔÚÏß: 310.6Сʱ
- ³æºÅ: 1117319
- ×¢²á: 2010-10-09
- ÐÔ±ð: GG
- רҵ: ½ðÊô»ù¸´ºÏ²ÄÁÏ
4Â¥2016-07-31 00:37:50
cjlcjlllll
гæ (СÓÐÃûÆø)
- Ó¦Öú: 0 (Ó×¶ùÔ°)
- ½ð±Ò: 354.2
- Ìû×Ó: 73
- ÔÚÏß: 137Сʱ
- ³æºÅ: 3927785
- ×¢²á: 2015-06-16
- רҵ: ½ðÊô»ù¸´ºÏ²ÄÁÏ
5Â¥2016-07-31 07:10:00
FLY_Phoenix
ÈÙÓþ°æÖ÷ (Ö°Òµ×÷¼Ò)
Сľ³æ¹éÒþ´«µÀÊ¿
- Ó¦Öú: 12 (СѧÉú)
- ¹ó±ö: 0.9
- ½ð±Ò: 6070.7
- É¢½ð: 311
- ºì»¨: 16
- ɳ·¢: 1
- Ìû×Ó: 4257
- ÔÚÏß: 229.4Сʱ
- ³æºÅ: 368622
- ×¢²á: 2007-05-12
- ÐÔ±ð: GG
- רҵ: ½ðÊô½á¹¹²ÄÁÏ
- ¹ÜϽ: ½ðÊô

6Â¥2016-07-31 11:01:36
ÊÔÊÔ¿´
ͳæ (СÓÐÃûÆø)
- Ó¦Öú: 0 (Ó×¶ùÔ°)
- ½ð±Ò: 75.9
- Ìû×Ó: 215
- ÔÚÏß: 48.7Сʱ
- ³æºÅ: 2554697
- ×¢²á: 2013-07-19
- רҵ: Ó¦ÓÃÐÄÀíѧ

7Â¥2016-07-31 17:06:29
yongfeio
ľ³æ (СÓÐÃûÆø)
- Ó¦Öú: 8 (Ó×¶ùÔ°)
- ½ð±Ò: 3525
- Ìû×Ó: 161
- ÔÚÏß: 118.3Сʱ
- ³æºÅ: 2567167
- ×¢²á: 2013-07-26
- ÐÔ±ð: GG
- רҵ: Áã¼þ³ÉÐÎÖÆÔì
8Â¥2016-07-31 18:24:54
sneakery
гæ (³õÈëÎÄ̳)
- Ó¦Öú: 1 (Ó×¶ùÔ°)
- ½ð±Ò: 168.3
- Ìû×Ó: 37
- ÔÚÏß: 17.7Сʱ
- ³æºÅ: 3900245
- ×¢²á: 2015-05-31
- רҵ: ½ðÊô²ÄÁϵÄ΢¹Û½á¹¹
10Â¥2016-07-31 20:23:32













»Ø¸´´ËÂ¥
5