| ²é¿´: 1281 | »Ø¸´: 5 | ||
ÎÒÃÇÒÀÈ»ÄêÇá½ð³æ (СÓÐÃûÆø)
|
[ÇóÖú]
µÍºÏ½ð¸ßÇ¿¶ÈCO2ÆøÌå±£»¤º¸º¸·ì½ðÊô½ðÏà×éÖ¯
|
|
Çë´óÉñ°ï棬±ØÓÐÖØÐ»£¿¶¼ÊÇʲô×éÖ¯£¬µÚÒ»ÕÅͼƬΪɶÓзÖÇø£¿ hancai2.JPG hancai14.JPG hancai23.JPG hancai33.JPG hancai44.JPG hancai47.JPG hancai48.JPG hancai61.JPG@wacky1980 |
» ²ÂÄãϲ»¶
È˹¤ÖÇÄÜ320µ÷¼Á08¹¤À໹Óлú»áÂð
ÒѾÓÐ17È˻ظ´
¿¼ÑÐÓ¢Ò»ÊýÒ»338·Ö
ÒѾÓÐ10È˻ظ´
ÇóÖúµ÷¼Á£¬¿çµ÷
ÒѾÓÐ15È˻ظ´
085600²ÄÁÏÓ뻯¹¤329·ÖÇóµ÷¼Á
ÒѾÓÐ20È˻ظ´
085600²ÄÁÏÓ뻯¹¤349·ÖÇóµ÷¼Á
ÒѾÓÐ15È˻ظ´
Çóµ÷¼Á
ÒѾÓÐ13È˻ظ´
Ò»Ö¾Ô¸»ªÄÏÀí¹¤´óѧ331·Ö²ÄÁÏÇóµ÷¼Á
ÒѾÓÐ11È˻ظ´
271Çóµ÷¼Á
ÒѾÓÐ40È˻ظ´
Çóµ÷¼ÁѧУ
ÒѾÓÐ3È˻ظ´
332Çóµ÷¼Á
ÒѾÓÐ15È˻ظ´
ÎÒÃÇÒÀÈ»ÄêÇá
½ð³æ (СÓÐÃûÆø)
- Ó¦Öú: 0 (Ó×¶ùÔ°)
- ½ð±Ò: 225.9
- É¢½ð: 2
- ºì»¨: 1
- Ìû×Ó: 70
- ÔÚÏß: 28.1Сʱ
- ³æºÅ: 4183253
- ×¢²á: 2015-10-29
- רҵ: ½ðÊô½á¹¹²ÄÁÏ
2Â¥2016-07-28 21:08:55
ºìÀ¶ÔÂÒ¹
Òø³æ (СÓÐÃûÆø)
- Ó¦Öú: 5 (Ó×¶ùÔ°)
- ½ð±Ò: 654.6
- ºì»¨: 1
- Ìû×Ó: 55
- ÔÚÏß: 63.8Сʱ
- ³æºÅ: 3036890
- ×¢²á: 2014-03-11
- ÐÔ±ð: GG
- רҵ: ½ðÊô²ÄÁϵÄ΢¹Û½á¹¹
|
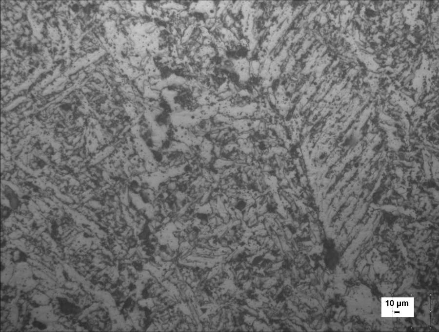
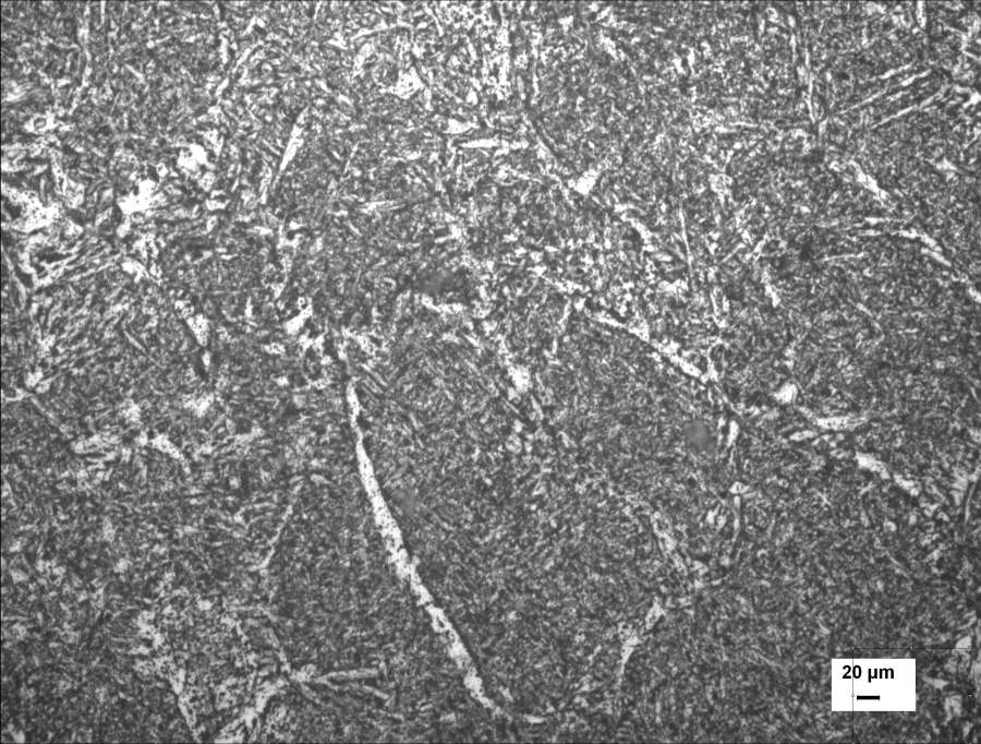
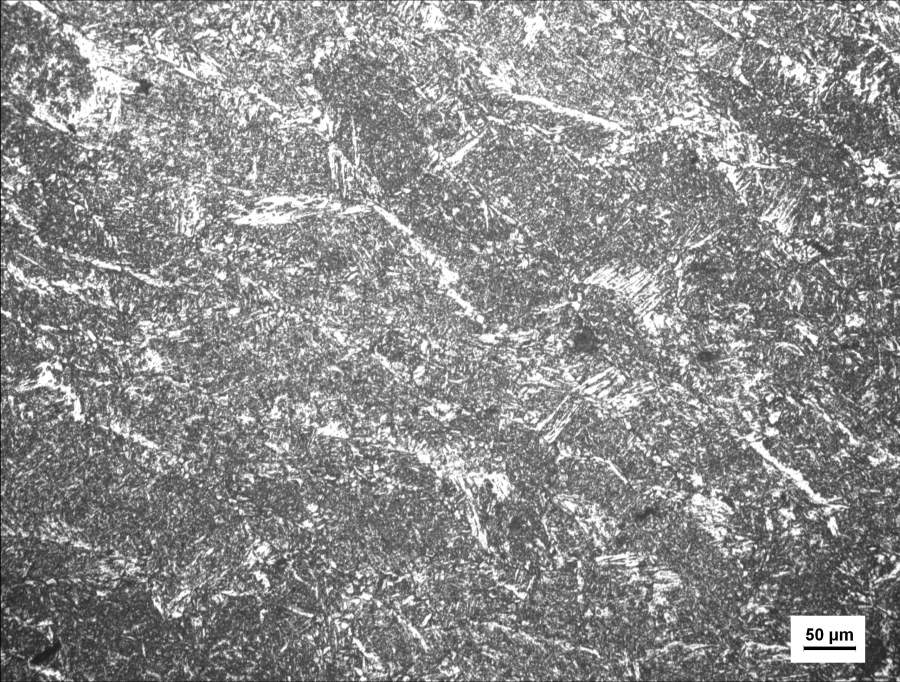
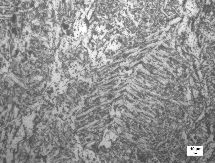
ÄãºÃ£¬ÓÖ¼ûÃæÁË¡£ÕâÑùµÄº¸·ì×éÖ¯ÎÒÃÇÒ»°ã³ÆÎªÌúËØÌå+Ë÷ÊÏÌå¡£ÌúËØÌå±È½Ï´Ö´ó£¬ÑÓÒ»´ÎÖáºÍ¶þ´ÎÖá·½ÏòÐÔ·Ö²¼£¬ÊǵäÐ͵帷ì×éÖ¯¡£Èç¹û̼º¬Á¿¸üµÍµÄ»°»áÓÐÎÞ̼±´ÊÏÌå¡£ÖÁÓÚµÚÒ»ÕÅͼƬµÄ·Ö²ã£¬¿ÉÄÜÊǺ¸·ìµÄ´Ö´ó×éÖ¯ºÍÈÈÓ°ÏìÇøµÄÏà±äÖØ½á¾§ÇøµÄ·Ö½çÏߣ¬Èç¹û·Å´ó±¶ÊýÔÙ´óһЩ»á¸üÇå³þ¡£ ·¢×ÔСľ³æAndroid¿Í»§¶Ë |

3Â¥2016-07-30 19:08:45
ÎÒÃÇÒÀÈ»ÄêÇá
½ð³æ (СÓÐÃûÆø)
- Ó¦Öú: 0 (Ó×¶ùÔ°)
- ½ð±Ò: 225.9
- É¢½ð: 2
- ºì»¨: 1
- Ìû×Ó: 70
- ÔÚÏß: 28.1Сʱ
- ³æºÅ: 4183253
- ×¢²á: 2015-10-29
- רҵ: ½ðÊô½á¹¹²ÄÁÏ
4Â¥2016-07-30 22:52:24
ÎÒÃÇÒÀÈ»ÄêÇá
½ð³æ (СÓÐÃûÆø)
- Ó¦Öú: 0 (Ó×¶ùÔ°)
- ½ð±Ò: 225.9
- É¢½ð: 2
- ºì»¨: 1
- Ìû×Ó: 70
- ÔÚÏß: 28.1Сʱ
- ³æºÅ: 4183253
- ×¢²á: 2015-10-29
- רҵ: ½ðÊô½á¹¹²ÄÁÏ
5Â¥2016-07-30 22:53:03
ÇåÇåÜÔÀò
ͳæ (СÓÐÃûÆø)
- Ó¦Öú: 0 (Ó×¶ùÔ°)
- ½ð±Ò: 557.4
- Ìû×Ó: 69
- ÔÚÏß: 64.1Сʱ
- ³æºÅ: 1457768
- ×¢²á: 2011-10-24
- רҵ: ½ðÊô²ÄÁÏ
|
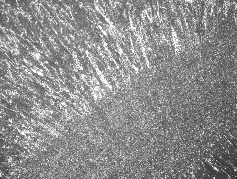
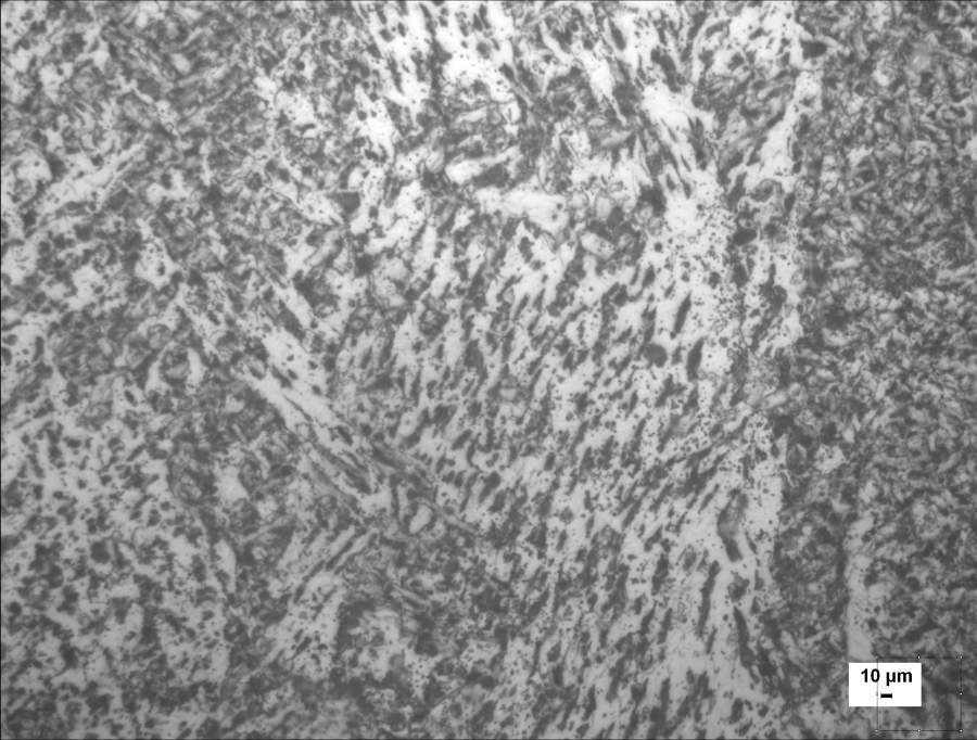
µÚÒ»ÕÅͼƬÓзÖÇø£¬ÊÇÒòΪ£º×óÉϽÇÊǺ¸·ì£¬ÓÒϽǺÜСµÄÒ»²¿·ÖÊÇĸ²Ä£¬ÖмäÊÇÈÈÓ°ÏìÇø£¬ÈÈÓ°ÏìÇøÓ¦¸ÃÔÙÅļ¸ÕÅ500±¶µÄÕÕÆ¬£¬¾ÍÄÜ·Ö³öÕⲿ·ÖµÄ¹ýÈÈÇø¡¢Õý»ðÇøºÍ²¿·ÖÖØ½á¾§Çø¡£º¸·ìÇøµÄ×éÖ¯Ö÷ÒªÊÇÌúËØÌåºÍÖé¹âÌ壬°×É«µÄÊÇÌúËØÌ壬ºÚÉ«µÄÊÇÖé¹âÌå¡£ÔÚ°ÂÊÏÌå¾§½çÎö³öµÄÊÇÏȹ²ÎöÌúËØÌ壬Ïò°ÂÊÏÌåÄÚ²¿Éú³¤¡¢³ÊÔÂÑÀ×´µÄÊDzà°åÌõÌúËØÌ壬»¹ÓÐһЩ°ÂÊÏÌå¾§ÄÚϸ³¤µÄÊÇÕë×´ÌúËØÌå¡£ ·¢×ÔСľ³æIOS¿Í»§¶Ë |
6Â¥2016-08-01 06:34:43














»Ø¸´´ËÂ¥
20