| 查看: 2129 | 回复: 11 | ||
leixiaobo713银虫 (正式写手)
|
[交流]
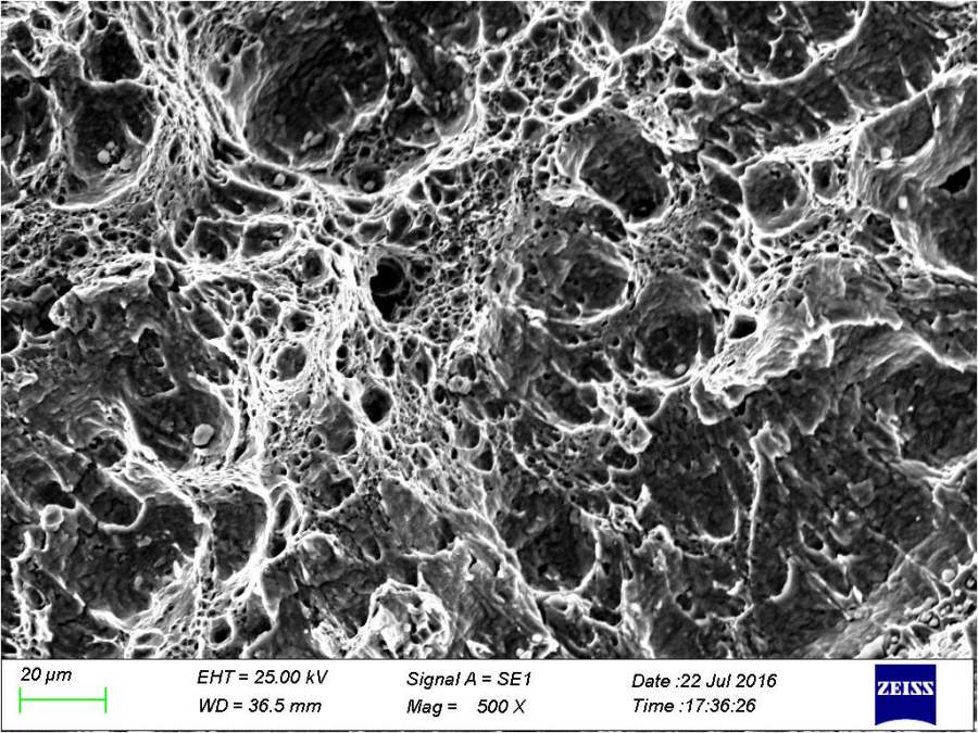
这个是一张不锈钢的冲击断口SEM,这属于什么形貌啊,求大神指点~~
|
|
» 本主题相关价值贴推荐,对您同样有帮助:
《我们的研究生时代》第四章 校园商机
已经有2人回复

beyond4650
铁杆木虫 (著名写手)
- 应助: 11 (小学生)
- 金币: 8431.8
- 红花: 4
- 帖子: 1076
- 在线: 155.3小时
- 虫号: 830115
- 注册: 2009-08-18
- 性别: GG
- 专业: 金属材料的微观结构
9楼2016-07-28 18:02:05
kangye_1989
木虫 (著名写手)
- 应助: 585 (博士)
- 金币: 1361.5
- 散金: 50
- 红花: 45
- 帖子: 1216
- 在线: 149.1小时
- 虫号: 2737587
- 注册: 2013-10-19
- 专业: 凝聚态物性 II :电子结构
2楼2016-07-28 10:18:51
leixiaobo713
银虫 (正式写手)
- 应助: 1 (幼儿园)
- 金币: 1228.5
- 散金: 148
- 红花: 4
- 帖子: 490
- 在线: 121.9小时
- 虫号: 1997539
- 注册: 2012-09-13
- 性别: GG
- 专业: 金属功能材料

3楼2016-07-28 11:44:14
kangye_1989
木虫 (著名写手)
- 应助: 585 (博士)
- 金币: 1361.5
- 散金: 50
- 红花: 45
- 帖子: 1216
- 在线: 149.1小时
- 虫号: 2737587
- 注册: 2013-10-19
- 专业: 凝聚态物性 II :电子结构
4楼2016-07-28 11:55:09
beyond4650
铁杆木虫 (著名写手)
- 应助: 11 (小学生)
- 金币: 8431.8
- 红花: 4
- 帖子: 1076
- 在线: 155.3小时
- 虫号: 830115
- 注册: 2009-08-18
- 性别: GG
- 专业: 金属材料的微观结构
5楼2016-07-28 13:50:32
leixiaobo713
银虫 (正式写手)
- 应助: 1 (幼儿园)
- 金币: 1228.5
- 散金: 148
- 红花: 4
- 帖子: 490
- 在线: 121.9小时
- 虫号: 1997539
- 注册: 2012-09-13
- 性别: GG
- 专业: 金属功能材料

6楼2016-07-28 16:49:01
leixiaobo713
银虫 (正式写手)
- 应助: 1 (幼儿园)
- 金币: 1228.5
- 散金: 148
- 红花: 4
- 帖子: 490
- 在线: 121.9小时
- 虫号: 1997539
- 注册: 2012-09-13
- 性别: GG
- 专业: 金属功能材料

7楼2016-07-28 16:49:52
leixiaobo713
银虫 (正式写手)
- 应助: 1 (幼儿园)
- 金币: 1228.5
- 散金: 148
- 红花: 4
- 帖子: 490
- 在线: 121.9小时
- 虫号: 1997539
- 注册: 2012-09-13
- 性别: GG
- 专业: 金属功能材料

8楼2016-07-28 16:53:03
leixiaobo713
银虫 (正式写手)
- 应助: 1 (幼儿园)
- 金币: 1228.5
- 散金: 148
- 红花: 4
- 帖子: 490
- 在线: 121.9小时
- 虫号: 1997539
- 注册: 2012-09-13
- 性别: GG
- 专业: 金属功能材料

10楼2016-07-29 13:25:11














回复此楼