| 查看: 2346 | 回复: 18 | ||
chenshory金虫 (初入文坛)
|
[求助]
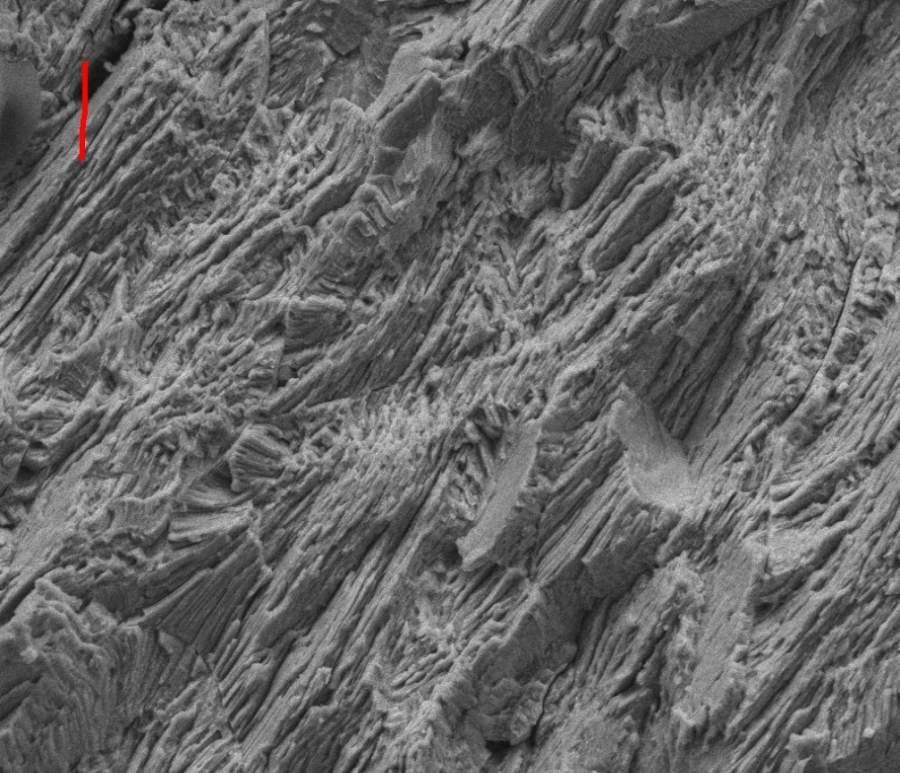
求大家帮忙分析下两图压缩断口形貌和断裂类型 已有1人参与
|
|
|
|
||
| 回帖置顶 ( 共有1个 ) | ||
luzichuan木虫 (正式写手)
|
chenshory: 回帖置顶 2016-07-26 14:54:11
» 本帖已获得的红花(最新10朵) |
|
|
13楼2016-07-25 12:07:27
|
|
|
| 普通回帖 | ||
chenshory金虫 (初入文坛)
|
||
|
2楼2016-07-24 21:14:10
|
|
|
sangxianxian铜虫 (正式写手)
|
||
|
3楼2016-07-24 22:36:02
|
|
|
chenshory金虫 (初入文坛)
|
||
|
4楼2016-07-24 23:34:09
|
|
|
|
||
|
5楼2016-07-25 00:59:56
|
|
|
|
||
|
6楼2016-07-25 01:33:27
|
|
|
|
||
|
7楼2016-07-25 02:07:01
|
|
|
|
||
|
8楼2016-07-25 02:40:42
|
|
|
|
||
|
9楼2016-07-25 03:14:11
|
|
|
|
||
|
10楼2016-07-25 03:47:39
|
|
|














回复此楼
chenshory