| ²é¿´: 247 | »Ø¸´: 0 | ||
260630687гæ (³õÈëÎÄ̳)
|
[ÇóÖú]
С°×һö£¬Çó´óÉñÃǰïÎÒ±æÈÏÏÂÕ⼸ÕÅͼ·Ö±ðÊÇʲô×éÖ¯£¬Íò·Ö¸Ðл
|
|
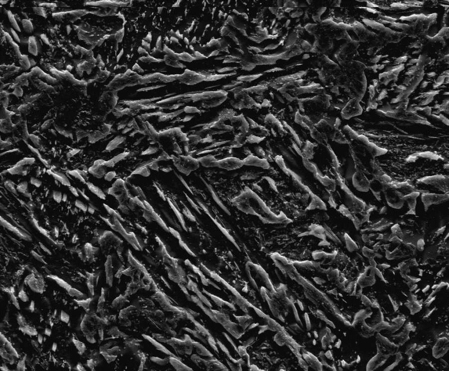
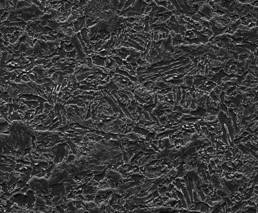
ÈçÌâС°×һö£¬Çó´óÉñÃǰïÎÒ±æÈÏÏÂÕ⼸ÕÅͼ·Ö±ðÊÇʲô×éÖ¯£¬Ç°ÃæÁ½ÕÅÊÇ450ÄÍÄ¥¸Ö£¬ÏÂÃæÁ½ÕÅÊÇQ235̼¸Ö£¬¹¤ÒÕÈ«²¿ÊÇ´ã»ð¼ÓµÍλػð¹¤ÒÕ£¬¸Ðл¡£ 5.jpg 6.jpg 10.jpg 99.jpg |
» ²ÂÄãϲ»¶
º±¼û²¡Ò©Ð¡ÅúÁ¿Éú²ú£¬¸ß¸¯Ê´¹¤¿öÏÂîã³ÄÀïÊÇ·ñ×îÓŽ⣿
ÒѾÓÐ0È˻ظ´
Êý¾ÝÇý¶¯»úеÖÇÄܹÊÕÏÕï¶Ï¼¼ÊõÑÐÌÖ
ÒѾÓÐ0È˻ظ´
Óлú¸ß·Ö×Ó²ÄÁÏÂÛÎÄÈóÉ«/·ÒëÔõôÊÕ·Ñ?
ÒѾÓÐ191È˻ظ´
AÇøÒ»±¾½»²æ¿ÎÌâ×飬»úеµç×ÓÐÅϢͨÐŵȽ»²æ·½Ïò
ÒѾÓÐ0È˻ظ´
½Ó¹¤Ñ§¿çרҵµ÷¼ÁѧÉú£¬·Ç³ÏÎðÈÅ£¬Ð»Ð»
ÒѾÓÐ0È˻ظ´
Çóµ÷¼Á
ÒѾÓÐ3È˻ظ´
½Ó¹¤Ñ§¿çרҵµ÷¼ÁѧÉú£¬·Ç³ÏÎðÈÅ£¬Ð»Ð»
ÒѾÓÐ0È˻ظ´
½Ó¹¤Ñ§¿çרҵµ÷¼ÁѧÉú£¬·Ç³ÏÎðÈÅ£¬Ð»Ð»
ÒѾÓÐ1È˻ظ´













»Ø¸´´ËÂ¥
20