| 查看: 1475 | 回复: 23 | |||
| 当前只显示满足指定条件的回帖,点击这里查看本话题的所有回帖 | |||
小美丽木虫 (著名写手)
努力,奋斗!!!!
|
[交流]
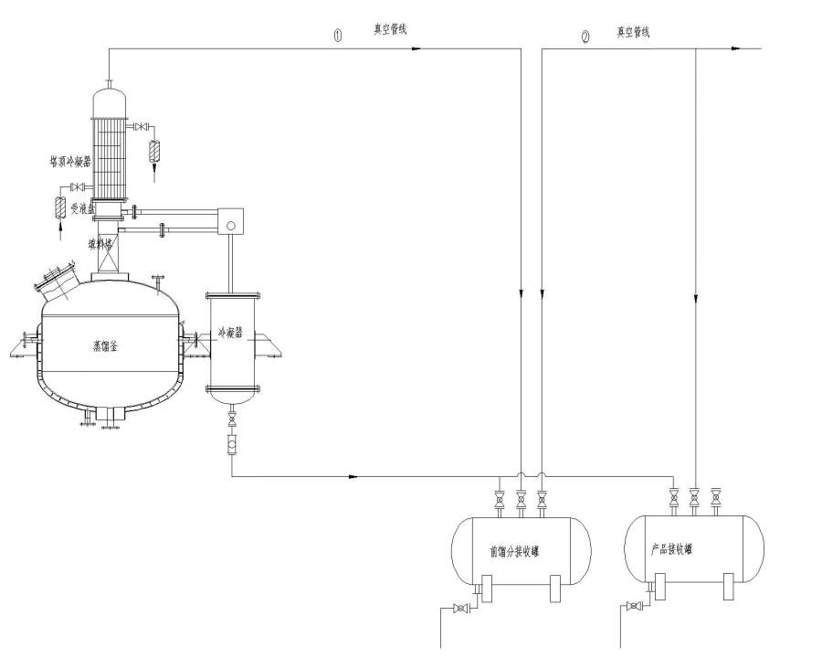
帮我看下这份工艺图有什么问题
|
||
» 本主题相关价值贴推荐,对您同样有帮助:
给青年基金申请者的几点建议
已经有57人回复

隐身猪
铁杆木虫 (正式写手)
- 应助: 49 (小学生)
- 金币: 5094.4
- 散金: 127
- 红花: 5
- 帖子: 777
- 在线: 422.4小时
- 虫号: 293330
- 注册: 2006-11-04
- 性别: GG
- 专业: 化工系统工程

10楼2016-06-28 10:40:15
小_包子
主管区长 (职业作家)
-

专家经验: +101 - TEPI: 3
- 应助: 516 (博士)
- 贵宾: 0.445
- 金币: 15167.8
- 散金: 21817
- 红花: 183
- 沙发: 161
- 帖子: 3227
- 在线: 1984.9小时
- 虫号: 2008233
- 注册: 2012-09-17
- 专业: 有机合成
- 管辖: 化学化工区
3楼2016-06-27 14:49:16
小美丽
木虫 (著名写手)
努力,奋斗!!!!
- 应助: 7 (幼儿园)
- 金币: 2425.9
- 散金: 121
- 红花: 2
- 帖子: 2168
- 在线: 210.4小时
- 虫号: 1737815
- 注册: 2012-04-05
- 性别: MM
- 专业: 人工智能与知识工程

4楼2016-06-28 08:48:28
小美丽
木虫 (著名写手)
努力,奋斗!!!!
- 应助: 7 (幼儿园)
- 金币: 2425.9
- 散金: 121
- 红花: 2
- 帖子: 2168
- 在线: 210.4小时
- 虫号: 1737815
- 注册: 2012-04-05
- 性别: MM
- 专业: 人工智能与知识工程

5楼2016-06-28 08:51:36













回复此楼