| ²é¿´: 5240 | »Ø¸´: 19 | ||
RUXsdÒø³æ (СÓÐÃûÆø)
|
[ÇóÖú]
½ðÏฯʴ¼°µç½âÅ×¹â ÒÑÓÐ3È˲ÎÓë
|
|
|
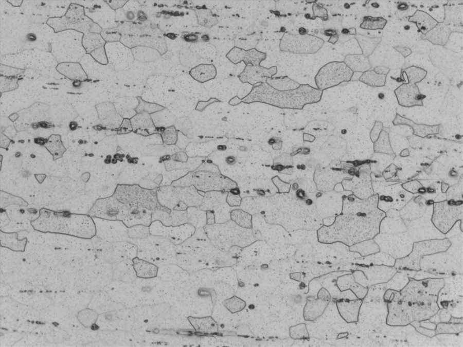
²ÄÁÏÊÇÔþÖÆºóµÄ¹ÌÈÜ̬µÄ6ϵÂÁºÏ½ð¡£½ðÏà×öµÄÒ»Ö±²»Ì«ÀíÏ룬ËùÒÔÔÚ´ËÏò¸÷λ´óÉñÇóÖú¡£ÍûµÃµ½Ö¸µã£¬ÔçÈÕÍÑÀë½ðÏà¿àº£¡£ÏÂÃæÊÇÎÒµç½âÅ×¹âÈ»ºóÓÃ9%µÄHF¸¯Ê´³öÀ´µÄ½ðÏࡣÿ´Î¶¼Ö»ÄÜÔÚµç½âÊ±ÒºÃæ²¨¶¯µÄµØ·½¸¯Ê´³öÀ´¡£ÆäËûµØ·½¾ÍºÜÄ£ºý²»ÄܳöÏÖÍêÕû¾§Á£¡£ ÕâÊÇÔõô»ØÊ£¿ÄÜ·ñ½â¾ö£¿ÓÐʲôºÃµÄ°ì·¨ÄܰѾ§Á£¸¯Ê´³öÀ´Ã´£¿ http://muchongimg.xmcimg.com/dat ... _1466155421_468.png http://muchongimg.xmcimg.com/dat ... 67.png#opennewwindow" target="_blank" class="content_pic"> http://muchongimg.xmcimg.com/dat ... _1466155959_903.png 200-4.png |
» ²ÂÄãϲ»¶
Çóµ÷¼Á
ÒѾÓÐ3È˻ظ´
265Çóµ÷¼Á
ÒѾÓÐ4È˻ظ´
085700×ÊÔ´Óë»·¾³308Çóµ÷¼Á
ÒѾÓÐ6È˻ظ´
Ò»Ö¾Ô¸¼ªÁÖ´óѧ²ÄÁÏѧ˶321Çóµ÷¼Á
ÒѾÓÐ12È˻ظ´
286·ÖÈ˹¤ÖÇÄÜרҵÇëÇóµ÷¼ÁÔ¸Òâ¿ç¿¼£¡
ÒѾÓÐ3È˻ظ´
329Çóµ÷¼Á
ÒѾÓÐ5È˻ظ´
ÉêÇë»Ø¸åÑÓÆÚÒ»¸öÔ£¬±à¼Í¬ÒâÁË¡£µ«ÏµÍ³ÉϵÄʱ¼äû±ä£¬¸ø±à¼ÓÖдÓʼþÁË£¬Ã»»Ø¸´
ÒѾÓÐ4È˻ظ´
²ÄÁÏѧ˶318Çóµ÷¼Á
ÒѾÓÐ5È˻ظ´
Ò»Ö¾Ô¸Öйúº£Ñó´óѧ£¬ÉúÎïѧ£¬301·Ö£¬Çóµ÷¼Á
ÒѾÓÐ6È˻ظ´
081700»¯¹¤Ñ§Ë¶µ÷¼Á
ÒѾÓÐ3È˻ظ´
» ±¾Ö÷ÌâÏà¹ØÉ̼ÒÍÆ¼ö: (ÎÒÒ²ÒªÔÚÕâÀïÍÆ¹ã)
» ±¾Ö÷ÌâÏà¹Ø¼ÛÖµÌùÍÆ¼ö£¬¶ÔÄúͬÑùÓаïÖú:
7075ÂÁºÏ½ðµÄ½ðÏàÖÆ±¸Å׹ⷽ·¨¼°¸¯Ê´ÊÔ¼Á
ÒѾÓÐ2È˻ظ´
×öһϺÃʰɣ¬ÄϾ©º½¿Õº½Ìì´óѧ×ÊÖúÇåµ¥£¬ÎÒûÖУ¬ÓôÃÆ£¡
ÒѾÓÐ11È˻ظ´
peterflyer
ľ³æÖ®Íõ (ÎÄѧ̩¶·)
peterflyer
- MM-EPI: 2
- Ó¦Öú: 20282 (Ժʿ)
- ½ð±Ò: 146149
- ºì»¨: 1374
- Ìû×Ó: 93091
- ÔÚÏß: 7694.3Сʱ
- ³æºÅ: 1482829
- ×¢²á: 2011-11-08
- ÐÔ±ð: GG
- רҵ: ¹¦ÄÜÌÕ´É
¡¾´ð°¸¡¿Ó¦Öú»ØÌû
¸Ðл²ÎÓ룬ӦÖúÖ¸Êý +1
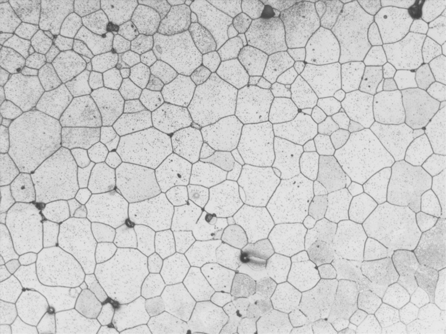
| ÒªÏë¿´µÄ¸üÇå³þһЩµÄ»°£¬½¨Òéµç½âÅ×¹âºó²»Òª¸¯Ê´£¬¶øÊÇÓ÷úÅðËáµÈÒ©¼Á¶ÔÊÔÑù½øÐÐÑô¼«¸²Ä¤´¦Àí£¬Ö®ºóÓÃÆ«¹âÏÔ΢¾µ¾Í¿É¹Û²ìºÍÅÄÕÕÇå³þÁË¡£ |
8Â¥2016-06-18 06:52:12
RUXsd
Òø³æ (СÓÐÃûÆø)
- Ó¦Öú: 0 (Ó×¶ùÔ°)
- ½ð±Ò: 231.5
- Ìû×Ó: 54
- ÔÚÏß: 30.4Сʱ
- ³æºÅ: 3271093
- ×¢²á: 2014-06-12
- ÐÔ±ð: GG
- רҵ: ½ðÊô½á¹¹²ÄÁÏ
2Â¥2016-06-17 17:37:57
52150915105
гæ (СÓÐÃûÆø)
- Ó¦Öú: 0 (Ó×¶ùÔ°)
- ½ð±Ò: 930.7
- É¢½ð: 265
- ºì»¨: 3
- Ìû×Ó: 214
- ÔÚÏß: 55.3Сʱ
- ³æºÅ: 4079768
- ×¢²á: 2015-09-17
- רҵ: ¹¤³ÌÈÈÎïÀíÓëÄÜÔ´ÀûÓÃ
3Â¥2016-06-17 17:43:58
fighting96
ͳæ (СÓÐÃûÆø)
- Ó¦Öú: 5 (Ó×¶ùÔ°)
- ½ð±Ò: 532.3
- Ìû×Ó: 85
- ÔÚÏß: 71.1Сʱ
- ³æºÅ: 2035936
- ×¢²á: 2012-09-28
- ÐÔ±ð: GG
- רҵ: ÓÐÉ«½ðÊôÒ±½ð
|
ÎÒµ±ÄêÊÇÖ±½ÓÅ׹ⲼÉϵÄÅ׹⣬ȻºóÓÿÀÖÊÔ¼Á½øÐеĸ¯Ê´£¬ÎÒÓõç½âÅ×¹âʱҲ³öÏÖÄãµÄÎÊÌ⣬µ÷½ÚµçѹµçÁ÷ºóÒ²²»ÊÇËùÓÐÇøÓò¶¼ºÃ£¬Èí¼þÀïÈç¹ûÓв»Í¬ÑÕÉ«µÄÏÔʾ£¬Ð§¹û¿´µÄ»áºÃһЩ£¬Ï£Íû¶ÔÄãÓÐËù°ïÖú£¡ ÂÁºÏ½ðÅ×¹âÐèÒªÄÍÐÄ£¬Ò»°ãÓþƾ«À´Å×¹âЧ¹û±ÈË®ºÃ£¡ ·¢×ÔСľ³æIOS¿Í»§¶Ë |

4Â¥2016-06-17 18:42:52
RUXsd
Òø³æ (СÓÐÃûÆø)
- Ó¦Öú: 0 (Ó×¶ùÔ°)
- ½ð±Ò: 231.5
- Ìû×Ó: 54
- ÔÚÏß: 30.4Сʱ
- ³æºÅ: 3271093
- ×¢²á: 2014-06-12
- ÐÔ±ð: GG
- רҵ: ½ðÊô½á¹¹²ÄÁÏ
5Â¥2016-06-17 18:51:59
RUXsd
Òø³æ (СÓÐÃûÆø)
- Ó¦Öú: 0 (Ó×¶ùÔ°)
- ½ð±Ò: 231.5
- Ìû×Ó: 54
- ÔÚÏß: 30.4Сʱ
- ³æºÅ: 3271093
- ×¢²á: 2014-06-12
- ÐÔ±ð: GG
- רҵ: ½ðÊô½á¹¹²ÄÁÏ
6Â¥2016-06-17 18:52:41
| ×£¸£ |
7Â¥2016-06-18 01:25:32
wsq_7710
ľ³æ (Ö°Òµ×÷¼Ò)
- Ó¦Öú: 58 (³õÖÐÉú)
- ¹ó±ö: 0.043
- ½ð±Ò: 3623.8
- É¢½ð: 8151
- ºì»¨: 54
- Ìû×Ó: 3432
- ÔÚÏß: 1194.2Сʱ
- ³æºÅ: 431152
- ×¢²á: 2007-08-11
- ÐÔ±ð: GG
- רҵ: ½ðÊô»ù¸´ºÏ²ÄÁÏ
9Â¥2016-06-18 11:24:34
vkrbd87
Òø³æ (СÓÐÃûÆø)
- Ó¦Öú: 1 (Ó×¶ùÔ°)
- ½ð±Ò: 233.8
- É¢½ð: 10
- ºì»¨: 5
- Ìû×Ó: 247
- ÔÚÏß: 68.1Сʱ
- ³æºÅ: 3053180
- ×¢²á: 2014-03-15
- ÐÔ±ð: GG
- רҵ: ¼ÆËã»ú¿ÆÑ§µÄ»ù´¡ÀíÂÛ
10Â¥2016-06-18 15:13:10













»Ø¸´´ËÂ¥