| ²é¿´: 629 | »Ø¸´: 1 | ||
·ã¹ýÎÞºÛͳæ (³õÈëÎÄ̳)
|
[ÇóÖú]
»úÆ÷ÈË·ÂÕæ
|
|
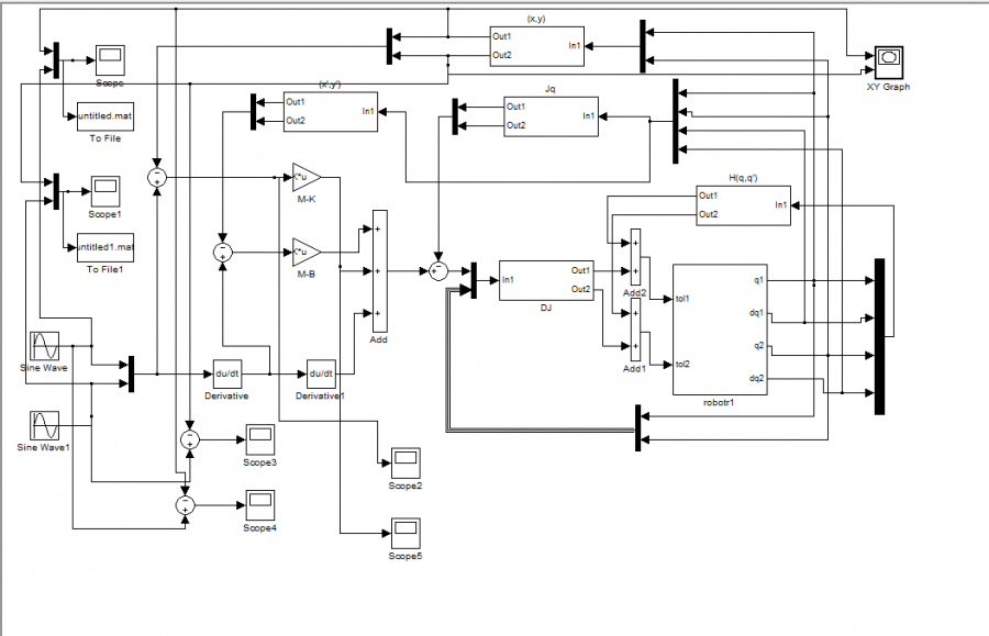
Õâ¸öÊÇ»úÆ÷ÈË¿ØÖÆ·ÂÕæÇëÎÊÕâ¸öMÎļþÓÐʲôÎÊÌ⣿·ÂÕæ×ܳöÏÖ˵Çóµ¼±ØÐëÊÇʵÊý 1}LDYF5T[TDW_I0CXAAR89K.png 9O04VWK1$YW@QO6}LPZ1WVQ.png RD7UB7@){K(3B(N(C6@)%RM.png 7{{X4I(~CU){5}U`X~3}G7X.png |
» ²ÂÄãϲ»¶
È˹¤ÖÇÄÜ320µ÷¼Á08¹¤À໹Óлú»áÂð
ÒѾÓÐ17È˻ظ´
¿¼ÑÐÓ¢Ò»ÊýÒ»338·Ö
ÒѾÓÐ10È˻ظ´
ÇóÖúµ÷¼Á£¬¿çµ÷
ÒѾÓÐ15È˻ظ´
085600²ÄÁÏÓ뻯¹¤329·ÖÇóµ÷¼Á
ÒѾÓÐ20È˻ظ´
085600²ÄÁÏÓ뻯¹¤349·ÖÇóµ÷¼Á
ÒѾÓÐ15È˻ظ´
Çóµ÷¼Á
ÒѾÓÐ13È˻ظ´
Ò»Ö¾Ô¸»ªÄÏÀí¹¤´óѧ331·Ö²ÄÁÏÇóµ÷¼Á
ÒѾÓÐ11È˻ظ´
271Çóµ÷¼Á
ÒѾÓÐ40È˻ظ´
Çóµ÷¼ÁѧУ
ÒѾÓÐ3È˻ظ´
332Çóµ÷¼Á
ÒѾÓÐ15È˻ظ´
yzq521373
ľ³æ (ÕýʽдÊÖ)
- Ó¦Öú: 0 (Ó×¶ùÔ°)
- ½ð±Ò: 2871.2
- ºì»¨: 2
- Ìû×Ó: 392
- ÔÚÏß: 308.1Сʱ
- ³æºÅ: 3502640
- ×¢²á: 2014-10-27
- ÐÔ±ð: GG
- רҵ: ¿ØÖÆÀíÂÛÓë·½·¨
2Â¥2016-06-17 13:40:39














»Ø¸´´ËÂ¥