| 查看: 1578 | 回复: 7 | |||
[求助]
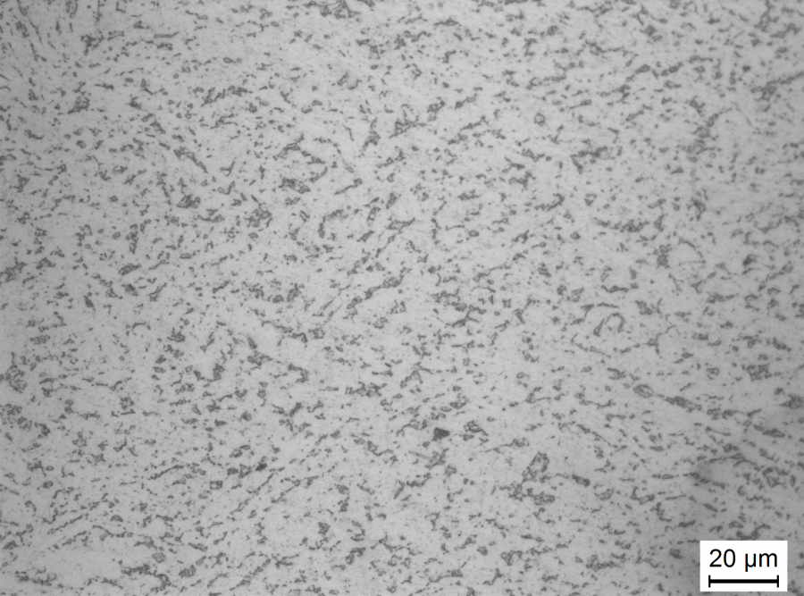
大家帮我看看 TC4钛合金的显微组织 热处理之后有变化么 已有1人参与
|
大家帮我看看 TC4热处理过后这组织有什么变化么 ? α和β相什么的没咋弄明白怎么分的 求大神帮帮忙 ![]() ![]() ![]() 原始板材表面1.png 原始板材表面2.png 原始板材截面.png 热处理表面1.png 热处理表面2.png 热处理表面3.png 热处理截面.png |
» 猜你喜欢
一志愿985,机械学硕333分求调剂
已经有0人回复
fluent结霜模拟
已经有2人回复
电气科学与工程论文润色/翻译怎么收费?
已经有195人回复
沈阳高校招收机械、控制类等相关专业研究生(调剂)
已经有0人回复
工科08专硕机械275求调剂
已经有3人回复
一志愿哈工大机械专硕,英一数一400分
已经有2人回复
沈阳高校招收机械、控制类等相关专业研究生(调剂)
已经有0人回复
山东交通学院航运学院硕士研究生还有大量名额,欢迎工科学院报考
已经有0人回复
本科机器人工程,总分296,共产党员,希望调剂B区大学,考研科目085500
已经有0人回复
一志愿重庆大学机械学硕080200 313分,求二轮调剂
已经有7人回复
沈阳高校招收机械、控制类等相关专业研究生(调剂)
已经有0人回复
» 本主题相关价值贴推荐,对您同样有帮助:
TC4金相求助
已经有6人回复
matlab计算数据的邻接矩阵
已经有0人回复
欢迎申请 WSU(美国华盛顿州立大学)——老板想招1-2名CSC公派博士生
已经有14人回复
如何计算 pooled standard error?
已经有0人回复
OPLSAA力场MD模拟时mdp文件
已经有0人回复
[2013][美国][喜剧][宿醉3][中文字幕][480P] +宿醉1高清+宿醉2高清
已经有28人回复
TC4表面渗Cu
已经有1人回复
TC4金相组织麻烦大家帮我看一下,谢谢~~
已经有8人回复
求助居里外斯定律的问题
已经有4人回复
闭式冷却塔热力计算的问题
已经有12人回复
【求助】帮忙改写展宽程序
已经有11人回复
mmc
木虫 (正式写手)
- 应助: 41 (小学生)
- 金币: 5350.9
- 散金: 106
- 红花: 5
- 帖子: 493
- 在线: 335.4小时
- 虫号: 77177
- 注册: 2005-06-28
- 专业: 金属材料表面科学与工程
2楼2016-05-26 10:16:50
3楼2016-05-26 16:19:31
4楼2016-05-26 16:54:16
1992n_320
捐助贵宾 (正式写手)
- 应助: 0 (幼儿园)
- 金币: 1401.4
- 红花: 1
- 沙发: 1
- 帖子: 437
- 在线: 88.1小时
- 虫号: 4410291
- 注册: 2016-02-17
- 性别: GG
- 专业: 环境化学
5楼2016-05-30 13:54:26
zbhwel
专家顾问 (知名作家)
-

专家经验: +782 - GEPI: 9
- 应助: 1730 (讲师)
- 贵宾: 0.259
- 金币: 23020.1
- 散金: 1738
- 红花: 272
- 沙发: 22
- 帖子: 5201
- 在线: 1050.9小时
- 虫号: 2249580
- 注册: 2013-01-19
- 性别: GG
- 专业: 金属结构材料
- 管辖: 材料工程

6楼2016-05-30 23:12:38
7楼2016-05-31 09:51:22
8楼2016-05-31 09:54:08














回复此楼