| 查看: 825 | 回复: 2 | |
catalyst2015金虫 (正式写手)
|
[求助]
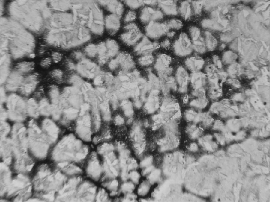
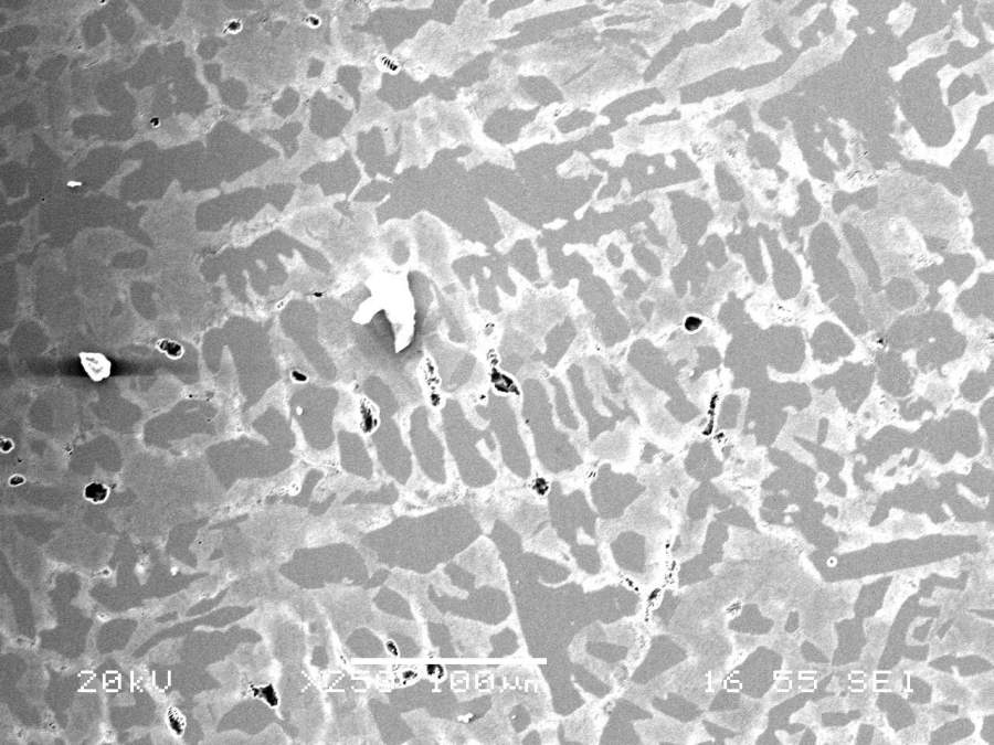
铸坯枝晶侵蚀与枝晶电镜下的形貌 已有1人参与
|
|
|
|
![]() |
|
|
2楼2016-05-15 06:55:34
|
|
catalyst2015金虫 (正式写手)
|
|
|
3楼2016-05-15 13:08:12
|
|














回复此楼

谢谢