| 查看: 763 | 回复: 3 | ||
z363596588新虫 (初入文坛)
|
[求助]
关于2A14铝合金激光焊接微观组织的探究 已有1人参与
|
|
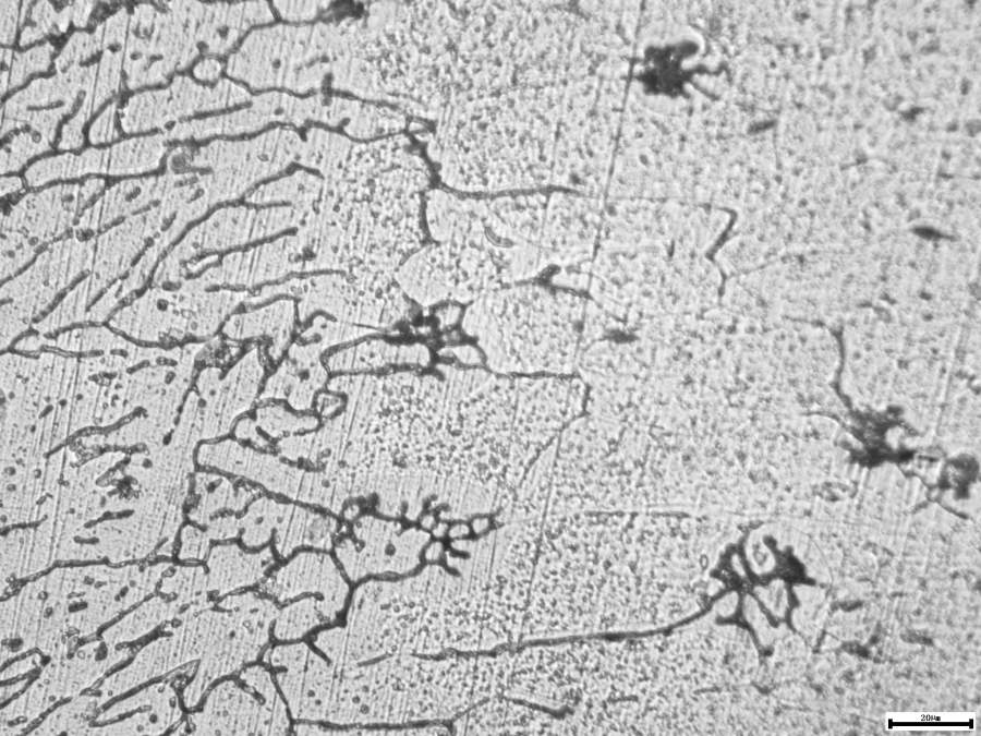
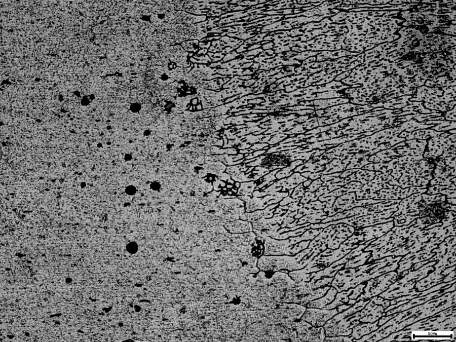
求助材料大神,下面两张图中,靠近熔合线的母材区域,出现了像雪花一样的物质,请问这是什么?怎么形成的? 第三张图是用EDS扫描的雪花状物质,但是没有发现什么特别的地方 5.jpg 7.jpg L4-EDS1.jpg |
» 猜你喜欢
一志愿211,0856初试成绩336分,英语四级530分,六级463分求调剂
已经有2人回复
成都大学课题组招收26级材料工程研究生
已经有1人回复
冶金与矿业论文润色/翻译怎么收费?
已经有92人回复
【博士招生】上海交通大学陈倩栎课题组招收2026年申请-考核博士生1名(能源材料方向)
已经有19人回复
武汉纺织大学2026年招收硕士研究生-全国重点实验室-【高性能、功能纺织复合材料方向】
已经有6人回复
085600总分293求B区调剂
已经有2人回复
江西师大化学工程学院接收2026调剂生
已经有15人回复
2026年汽车材料学院计划招收调剂研究生21名
已经有0人回复
内科大2026年硕士研究生调剂
已经有0人回复
2026年齐鲁工业大学(山东省科学院)材料学部电子材料与元器件创新团队招收调剂研究生
已经有1人回复
» 本主题相关商家推荐: (我也要在这里推广)
|
本帖内容被屏蔽 |
» 本帖已获得的红花(最新10朵)
2楼2016-05-22 11:45:37
z363596588
新虫 (初入文坛)
- 应助: 0 (幼儿园)
- 金币: 74
- 帖子: 32
- 在线: 3.5小时
- 虫号: 4126009
- 注册: 2015-10-08
- 性别: GG
- 专业: 金属材料的微观结构
3楼2016-05-23 20:11:01
|
本帖内容被屏蔽 |
4楼2016-05-28 20:02:41














回复此楼
z363596588