| 查看: 1668 | 回复: 2 | ||
[求助]
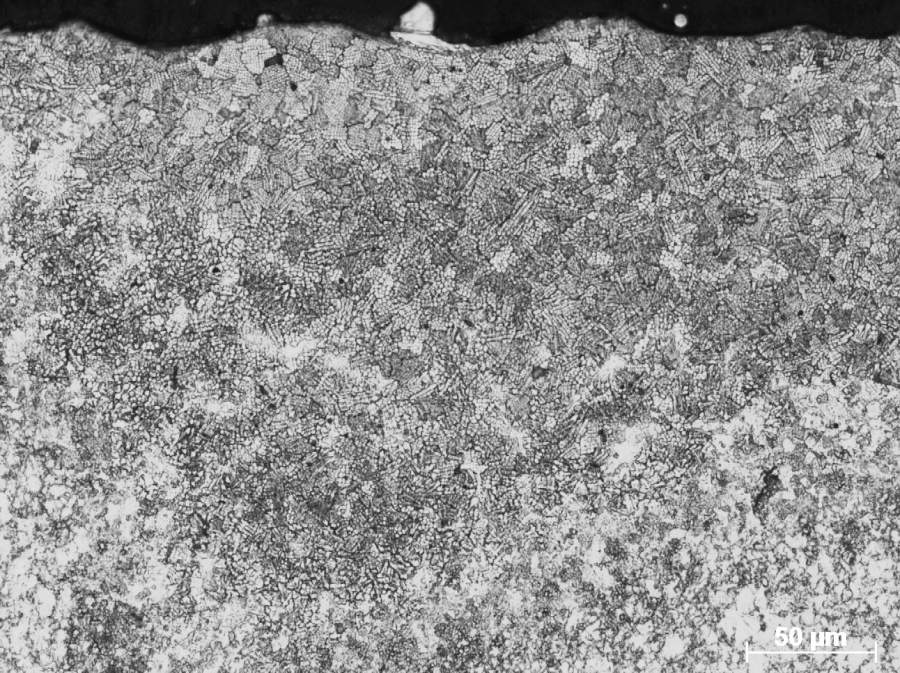
304焊接金相分析
|
||
|
|
||
zgj8613新虫 (正式写手)
|
|
|
|
2楼2016-05-01 23:49:02
|
|
|
|
3楼2016-05-17 20:21:39
|
|













回复此楼