| 查看: 3655 | 回复: 40 | ||
| 当前只显示满足指定条件的回帖,点击这里查看本话题的所有回帖 | ||
[交流]
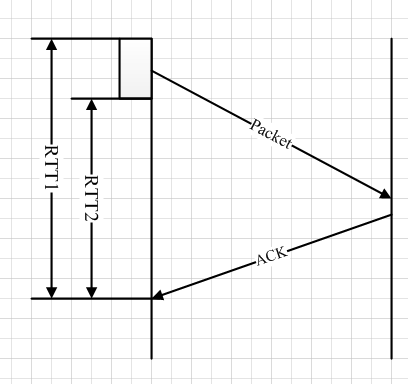
关于往返时延RTT
|
||
29楼2016-04-22 22:52:10
2楼2016-04-22 22:23:59
3楼2016-04-22 22:23:59
4楼2016-04-22 22:23:59













回复此楼
5