| ²é¿´: 1053 | »Ø¸´: 5 | |
z363596588гæ (³õÈëÎÄ̳)
|
[ÇóÖú]
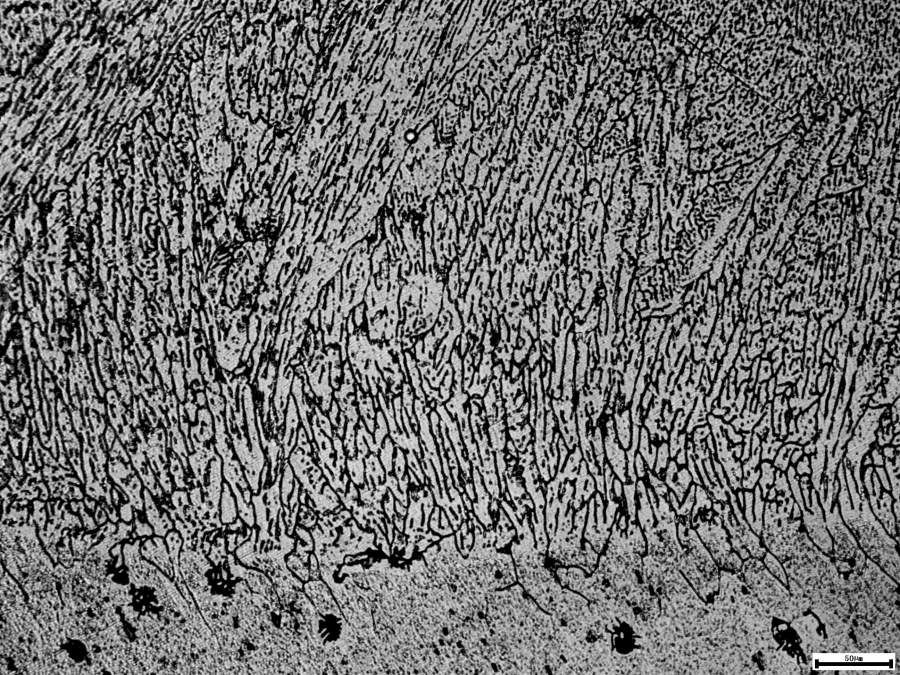
µÚÒ»´Î·¢Ìû£¬ÇëÎÊ2A14ÂÁºÏ½ðÀïÃæµÄÇ¿»¯Ïà×éÖ¯ÊÇʲô£¿£¿£¿
|
|
|
|
060609119ľ³æ (ÖøÃûдÊÖ)
|
|
![]() |
|
|
2Â¥2016-04-18 18:49:57
|
|
|
3Â¥2016-04-19 14:43:09
|
|
z363596588гæ (³õÈëÎÄ̳)
|
|
|
4Â¥2016-04-20 08:36:48
|
|
james.qinгæ (³õÈëÎÄ̳)
|
|
|
5Â¥2016-04-21 07:48:57
|
|
z363596588гæ (³õÈëÎÄ̳)
|
|
|
6Â¥2016-04-21 08:05:04
|
|














»Ø¸´´ËÂ¥