| 查看: 397 | 回复: 1 | |||
yechaochao
|
[交流]
谁知道这个 是怎么腐蚀 Plasma etched surface 求大神
|
|
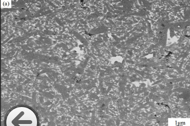
求求 大神 这个Plasma etched 离子腐蚀怎么操作啊 哪位大神知道,这是氮化硅腐蚀的一种,现在不太清楚是到底怎么操作,第一张图片是文献的抛光腐蚀图,第二张是自己做的抛光SEM图,请大神指点 (@1B(P5$B(CM6M$[X~7(BCK.png I1B]@IYM22HRSONH(`DM7XA.png |
» 猜你喜欢
请问有评职称,把科研教学业绩算分排序的高校吗
已经有6人回复
2025冷门绝学什么时候出结果
已经有6人回复
Bioresource Technology期刊,第一次返修的时候被退回好几次了
已经有7人回复
真诚求助:手里的省社科项目结项要求主持人一篇中文核心,有什么渠道能发核心吗
已经有8人回复
寻求一种能扛住强氧化性腐蚀性的容器密封件
已经有5人回复
请问哪里可以有青B申请的本子可以借鉴一下。
已经有4人回复
请问下大家为什么这个铃木偶联几乎不反应呢
已经有5人回复
天津工业大学郑柳春团队欢迎化学化工、高分子化学或有机合成方向的博士生和硕士生加入
已经有4人回复
康复大学泰山学者周祺惠团队招收博士研究生
已经有6人回复
AI论文写作工具:是科研加速器还是学术作弊器?
已经有3人回复

2楼2016-05-13 08:42:07














回复此楼