| ²é¿´: 1719 | »Ø¸´: 11 | ||
pk326гæ (СÓÐÃûÆø)
|
[ÇóÖú]
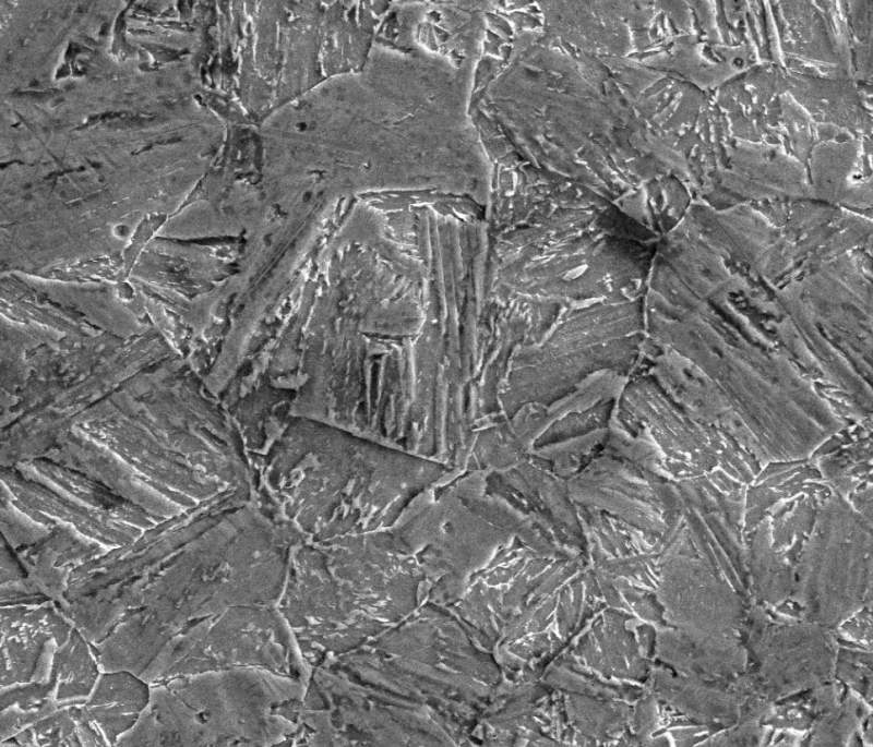
´ó¼Ò°ïæ¿´¿´É¨ÃèÕÕÆ¬±íÃæÕâЩºÚµÄÊÇÔõôÔì³ÉµÄ ÒÑÓÐ2È˲ÎÓë
|
|
|
ÎÒÕâÊǵͺϽð¸Ö£¬ÊÔÑùÅ×¹âºóÓÃÏõËá¾Æ¾«¸¯Ê´£¬µç¾µÏÂÄÜ¿´µ½ºÜ¶àÕâÑùµÄºÚÉ«µÄ¶«Î÷£¬²»ÖªµÀÊÇÔõôÔì³ÉµÄ¡£¸öÈ˸оõÓ¦¸ÃÊǸ¯Ê´¹ý³Ì´øÀ´µÄ£¬²»ÖªµÀÓÐûÓÐÈËÓöµ½ÕâÇé¿ö£¿ ²¶»ñ.JPG |
» ²ÂÄãϲ»¶
333Çóµ÷¼Á
ÒѾÓÐ10È˻ظ´
307Çóµ÷¼Á
ÒѾÓÐ3È˻ظ´
¿¼Ñл¯Ñ§308·ÖÇóµ÷¼Á
ÒѾÓÐ4È˻ظ´
298Çóµ÷¼Á
ÒѾÓÐ7È˻ظ´
263Çóµ÷¼Á
ÒѾÓÐ5È˻ظ´
276Çóµ÷¼Á¡£ÓаëÄêµç³ØºÍ°ëÄê¸ß·Ö×Óʵϰ¾Àú
ÒѾÓÐ6È˻ظ´
Çóµ÷¼Á²ÄÁÏѧ˶080500£¬×Ü·Ö289·Ö
ÒѾÓÐ21È˻ظ´
±±¿Æ281ѧ˶²ÄÁÏÇóµ÷¼Á
ÒѾÓÐ8È˻ظ´
08¹¤Ñ§µ÷¼Á
ÒѾÓÐ9È˻ظ´
291 Çóµ÷¼Á
ÒѾÓÐ4È˻ظ´
¶¹¶¹67
гæ (СÓÐÃûÆø)
- Ó¦Öú: 4 (Ó×¶ùÔ°)
- ½ð±Ò: 4.9
- É¢½ð: 5
- Ìû×Ó: 64
- ÔÚÏß: 28.8Сʱ
- ³æºÅ: 3319234
- ×¢²á: 2014-07-11
- רҵ: ÎÞ»ú·Ç½ðÊôÀà¹âµçÐÅÏ¢Ó빦
7Â¥2016-03-23 18:25:45
¹Ô~ÃþÃþÍ·
гæ (ÕýʽдÊÖ)
- Ó¦Öú: 0 (Ó×¶ùÔ°)
- ½ð±Ò: 485.1
- É¢½ð: 50
- ºì»¨: 2
- Ìû×Ó: 346
- ÔÚÏß: 69.8Сʱ
- ³æºÅ: 4455625
- ×¢²á: 2016-03-02
- רҵ: ½ðÊô½á¹¹²ÄÁÏ
2Â¥2016-03-21 22:29:30
pk326
гæ (СÓÐÃûÆø)
- Ó¦Öú: 0 (Ó×¶ùÔ°)
- ½ð±Ò: 2853.9
- É¢½ð: 100
- ºì»¨: 2
- Ìû×Ó: 116
- ÔÚÏß: 141.1Сʱ
- ³æºÅ: 889087
- ×¢²á: 2009-10-30
- רҵ: ½ðÊô½á¹¹²ÄÁÏ
3Â¥2016-03-22 11:01:20
¹Ô~ÃþÃþÍ·
гæ (ÕýʽдÊÖ)
- Ó¦Öú: 0 (Ó×¶ùÔ°)
- ½ð±Ò: 485.1
- É¢½ð: 50
- ºì»¨: 2
- Ìû×Ó: 346
- ÔÚÏß: 69.8Сʱ
- ³æºÅ: 4455625
- ×¢²á: 2016-03-02
- רҵ: ½ðÊô½á¹¹²ÄÁÏ
4Â¥2016-03-22 12:59:05
pk326
гæ (СÓÐÃûÆø)
- Ó¦Öú: 0 (Ó×¶ùÔ°)
- ½ð±Ò: 2853.9
- É¢½ð: 100
- ºì»¨: 2
- Ìû×Ó: 116
- ÔÚÏß: 141.1Сʱ
- ³æºÅ: 889087
- ×¢²á: 2009-10-30
- רҵ: ½ðÊô½á¹¹²ÄÁÏ
5Â¥2016-03-22 14:03:05
¹Ô~ÃþÃþÍ·
гæ (ÕýʽдÊÖ)
- Ó¦Öú: 0 (Ó×¶ùÔ°)
- ½ð±Ò: 485.1
- É¢½ð: 50
- ºì»¨: 2
- Ìû×Ó: 346
- ÔÚÏß: 69.8Сʱ
- ³æºÅ: 4455625
- ×¢²á: 2016-03-02
- רҵ: ½ðÊô½á¹¹²ÄÁÏ
6Â¥2016-03-22 20:10:41
ruirui4598
ľ³æ (ÕýʽдÊÖ)
- Ó¦Öú: 49 (СѧÉú)
- ½ð±Ò: 3991.6
- ºì»¨: 11
- Ìû×Ó: 357
- ÔÚÏß: 32.2Сʱ
- ³æºÅ: 3602302
- ×¢²á: 2014-12-19
- רҵ: ½ðÊô²ÄÁϵÄ΢¹Û½á¹¹
8Â¥2016-03-23 20:51:38
öèÓãÒ²·è¿ñ
гæ (Ö°Òµ×÷¼Ò)
- Ó¦Öú: 4 (Ó×¶ùÔ°)
- ½ð±Ò: 8898.9
- É¢½ð: 2624
- ºì»¨: 48
- Ìû×Ó: 3069
- ÔÚÏß: 185.7Сʱ
- ³æºÅ: 1830868
- ×¢²á: 2012-05-23
- ÐÔ±ð: GG
- רҵ: ½ðÊô½á¹¹²ÄÁÏ
9Â¥2016-03-23 22:08:18
gachdan
гæ (ÕýʽдÊÖ)
- Ó¦Öú: 1 (Ó×¶ùÔ°)
- ½ð±Ò: 1784.3
- É¢½ð: 55
- ºì»¨: 2
- Ìû×Ó: 401
- ÔÚÏß: 84.8Сʱ
- ³æºÅ: 4491148
- ×¢²á: 2016-03-11
- רҵ: ½ðÊô½á¹¹²ÄÁÏ
10Â¥2016-03-24 10:00:22













»Ø¸´´ËÂ¥