| 查看: 1093 | 回复: 6 | ||
sngrdidt2010新虫 (小有名气)
|
[求助]
请各位大神帮忙看看这几张各是什么断裂? 已有1人参与
|
|
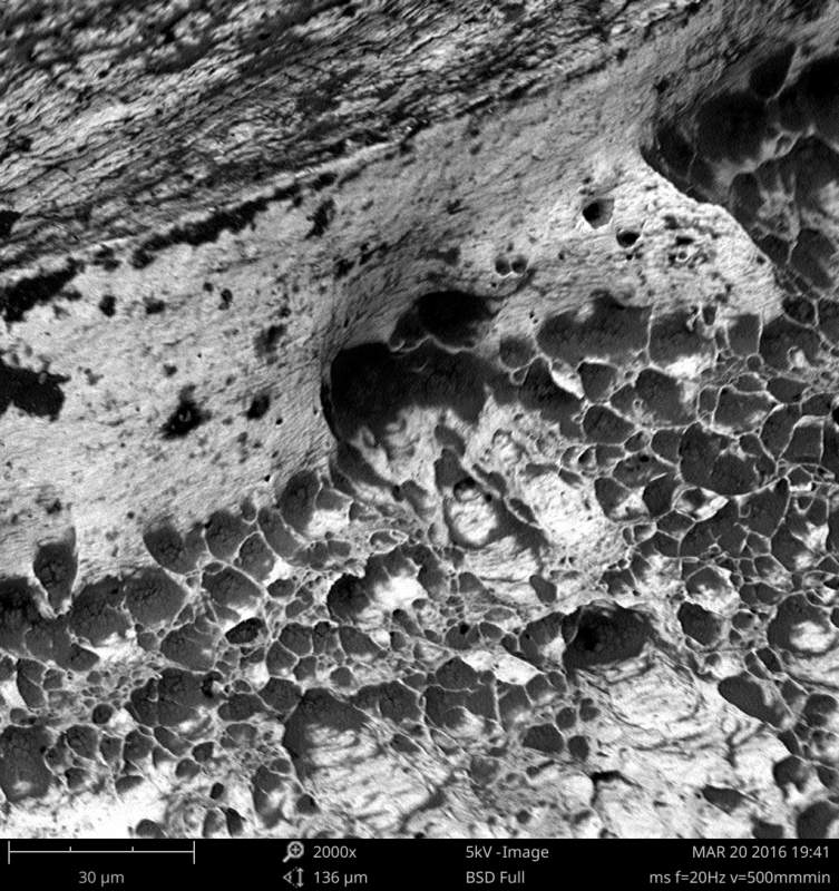
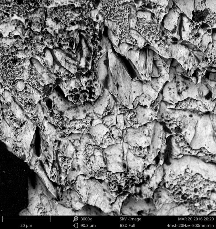
2205双相不锈钢激光焊接后拉抻断口扫描电镜图片如下,各位虫友帮忙看看, I=160AT=4msf=20Hzv=500mmmin0003.jpg I=175A T=5ms f=20Hz v=500mmmin0010.jpg I=145A T=5ms f=20Hz v=500mmmin0003.jpg I=160A T=5ms f=20Hz v=500mmmin0001.jpg |
» 猜你喜欢
085405 考的11408求各位老师带走
已经有3人回复
339求调剂
已经有6人回复
材料与化工272求调剂
已经有4人回复
085701环境工程,267求调剂
已经有15人回复
材料求调剂一志愿哈工大324
已经有9人回复
292求调剂
已经有15人回复
304求调剂
已经有5人回复
材料与化工考研调剂
已经有17人回复
321求调剂
已经有5人回复
329求调剂
已经有5人回复
2楼2016-03-20 22:44:30
yyhong0612
铁虫 (著名写手)
- 应助: 26 (小学生)
- 金币: 2089.1
- 散金: 650
- 红花: 6
- 帖子: 1224
- 在线: 127.8小时
- 虫号: 274703
- 注册: 2006-08-26
- 性别: GG
- 专业: 极端条件下使用的金属材料

3楼2016-03-21 00:33:04
sngrdidt2010
新虫 (小有名气)
- 应助: 0 (幼儿园)
- 金币: 2979.8
- 帖子: 193
- 在线: 57.8小时
- 虫号: 3745537
- 注册: 2015-03-17
- 性别: GG
- 专业: 机器人学及机器人技术
4楼2016-03-21 00:39:59
sngrdidt2010
新虫 (小有名气)
- 应助: 0 (幼儿园)
- 金币: 2979.8
- 帖子: 193
- 在线: 57.8小时
- 虫号: 3745537
- 注册: 2015-03-17
- 性别: GG
- 专业: 机器人学及机器人技术
5楼2016-03-21 00:40:55
xrrang
铜虫 (小有名气)
- 应助: 7 (幼儿园)
- 金币: 5.2
- 帖子: 55
- 在线: 64.3小时
- 虫号: 1173016
- 注册: 2010-12-19
- 性别: GG
- 专业: 金属材料的合金相、相变及

6楼2016-03-28 16:27:50
sngrdidt2010
新虫 (小有名气)
- 应助: 0 (幼儿园)
- 金币: 2979.8
- 帖子: 193
- 在线: 57.8小时
- 虫号: 3745537
- 注册: 2015-03-17
- 性别: GG
- 专业: 机器人学及机器人技术
7楼2016-03-29 00:11:19














回复此楼