±±¾©Ê¯ÓÍ»¯¹¤Ñ§Ôº2026ÄêÑо¿ÉúÕÐÉú½ÓÊÕµ÷¼Á¹«¸æ
²é¿´: 1060  |  »Ø¸´: 7

zhpz2011

Ìú¸Ëľ³æ (ÕýʽдÊÖ)

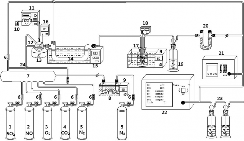
[ÇóÖú] ÇëÎÊÕâ¸öͼÊÇÓÃʲôÈí¼þ×öµÄ£¿ ÒÑÓÐ3È˲ÎÓë

ÇëÎÊÕâ¸öͼƬÊÇÓÃʲôÈí¼þ×öµÄ£¿

ÇëÎÊÕâ¸öͼÊÇÓÃʲôÈí¼þ×öµÄ£¿
ͼƬ2.png
»Ø¸´´ËÂ¥

» ²ÂÄãϲ»¶

» ±¾Ö÷ÌâÏà¹Ø¼ÛÖµÌùÍÆ¼ö£¬¶ÔÄúͬÑùÓаïÖú:

ÒÑÔÄ   »Ø¸´´ËÂ¥   ¹Ø×¢TA ¸øTA·¢ÏûÏ¢ ËÍTAºì»¨ TAµÄ»ØÌû

for study

Òø³æ (³õÈëÎÄ̳)

2Â¥2016-03-08 20:09:49
ÒÑÔÄ   »Ø¸´´ËÂ¥   ¹Ø×¢TA ¸øTA·¢ÏûÏ¢ ËÍTAºì»¨ TAµÄ»ØÌû

yanechao

Òø³æ (ÕýʽдÊÖ)

¡¾´ð°¸¡¿Ó¦Öú»ØÌû

¡ï
¸Ðл²ÎÓ룬ӦÖúÖ¸Êý +1
zhpz2011(yanww_219´ú·¢): ½ð±Ò+1, »ý¼«½»Á÷ 2016-03-09 10:54:17
ºÜ¶àÈí¼þ¶È¿ÉÒԵģ¬cad,ppt
Ò»½éÎÛʦ
3Â¥2016-03-09 09:36:52
ÒÑÔÄ   »Ø¸´´ËÂ¥   ¹Ø×¢TA ¸øTA·¢ÏûÏ¢ ËÍTAºì»¨ TAµÄ»ØÌû

zhpz2011

Ìú¸Ëľ³æ (ÕýʽдÊÖ)

ÒýÓûØÌû:
3Â¥: Originally posted by yanechao at 2016-03-09 09:36:52
ºÜ¶àÈí¼þ¶È¿ÉÒԵģ¬cad,ppt

Çó½Ì³Ì

·¢×ÔСľ³æAndroid¿Í»§¶Ë
4Â¥2016-03-09 18:12:34
ÒÑÔÄ   »Ø¸´´ËÂ¥   ¹Ø×¢TA ¸øTA·¢ÏûÏ¢ ËÍTAºì»¨ TAµÄ»ØÌû

alden³æ

гæ (ÕýʽдÊÖ)

5Â¥2016-03-09 23:08:10
ÒÑÔÄ   »Ø¸´´ËÂ¥   ¹Ø×¢TA ¸øTA·¢ÏûÏ¢ ËÍTAºì»¨ TAµÄ»ØÌû

ydxqhxm

Òø³æ (³õÈëÎÄ̳)

¡¾´ð°¸¡¿Ó¦Öú»ØÌû

¡ï
¸Ðл²ÎÓ룬ӦÖúÖ¸Êý +1
zhpz2011(nickxiaotong´ú·¢): ½ð±Ò+1, »ý¼« 2016-03-11 17:10:41
ÓÃCAD»­±È½Ï˳ÊÖ°É£¬ÓкܶàÖØ¸´µÄÔªËØ¿ÉÒÔÓÃÕóÁУ¬Ö±Ïß»¡ÏßʲôµÄÓÃCADÒ²·½±ã¡£
6Â¥2016-03-11 11:40:47
ÒÑÔÄ   »Ø¸´´ËÂ¥   ¹Ø×¢TA ¸øTA·¢ÏûÏ¢ ËÍTAºì»¨ TAµÄ»ØÌû

²»±ØÔÚºõ

Í­³æ (СÓÐÃûÆø)

¡ï
zhpz2011(nickxiaotong´ú·¢): ½ð±Ò+1, »ý¼« 2016-03-11 17:10:50
CADÈýά
²»Íü³õÐÄ£¬·½ÄÜʼÖÕ
7Â¥2016-03-11 15:59:07
ÒÑÔÄ   »Ø¸´´ËÂ¥   ¹Ø×¢TA ¸øTA·¢ÏûÏ¢ ËÍTAºì»¨ TAµÄ»ØÌû

nickxiaotong

ÖÁ×ðľ³æ (ÖøÃûдÊÖ)

¡¾´ð°¸¡¿Ó¦Öú»ØÌû

»¯Ñ§Á÷³ÌÒ»°ã¶¼ÊÇÓÃchemdraw×öµÄ
Òª×öºÃÒ»¼þÊ£¬¾ÍÒª°ÑËüµ±×öÒ»ÏîÊÂҵȥ×ö¡£
8Â¥2016-03-11 17:11:19
ÒÑÔÄ   »Ø¸´´ËÂ¥   ¹Ø×¢TA ¸øTA·¢ÏûÏ¢ ËÍTAºì»¨ TAµÄ»ØÌû
Ïà¹Ø°æ¿éÌø×ª ÎÒÒª¶©ÔÄÂ¥Ö÷ zhpz2011 µÄÖ÷Ìâ¸üÐÂ
×î¾ßÈËÆøÈÈÌûÍÆ¼ö [²é¿´È«²¿] ×÷Õß »Ø/¿´ ×îºó·¢±í
[¿¼ÑÐ] »¯Ñ§µ÷¼Á +10 °¬Ö¾ºã 2026-04-03 11/550 2026-04-04 19:01 by asdhh1991
[¿¼ÑÐ] 085601£¬Ò»Ö¾Ô¸Ïôó334¸´ÊÔ±»Ë¢Çóµ÷¼Á +11 ÔøÑöÖ® 2026-04-03 13/650 2026-04-04 18:54 by imissbao
[¿¼ÑÐ] 081700£¬311£¬Çóµ÷¼Á +7 ¶¬Ê®Èý 2026-04-04 7/350 2026-04-04 18:36 by imissbao
[¿¼ÑÐ] 272Çóµ÷¼Á +4 Ëɰس£Çà5 2026-04-03 4/200 2026-04-04 17:03 by babysonlkd
[¿¼ÑÐ] ÉúÎïѧ308·ÖÇóµ÷¼Á£¨Ò»Ö¾Ô¸»ª¶«Ê¦´ó£© +7 ÏàÐűػá¹ââÍòÕ 2026-04-02 7/350 2026-04-03 16:48 by rzh123456
[¿¼ÑÐ] 274Çóµ÷¼Á +9 ˳Àí³ÉÕÅ 2026-04-03 10/500 2026-04-03 15:10 by °¡¿¡£¡
[¿¼ÑÐ] Çóµ÷¼Á +4 15064154688 2026-04-03 5/250 2026-04-03 15:07 by zrongyan
[¿¼ÑÐ] ½¨»·£¬ÄÜÔ´£¬ÍÁľÀÏʦ·¹ý¿´Ò»¿´£¡£¡£¡ +5 ºÙºÙuu 2026-04-01 5/250 2026-04-03 11:47 by znian
[¿¼ÑÐ] 274Çóµ÷¼Á +10 Ѧ¶¨Ú̵Ļ¢¡£ 2026-04-01 10/500 2026-04-03 10:13 by tianyyysss
[¿¼ÑÐ] 312Çóµ÷¼Á +4 ÉÞÔÂÉ« 2026-04-02 5/250 2026-04-03 08:21 by fangshan711
[¿¼ÑÐ] 349Çóµ÷¼Á +10 zwjjjjjj 2026-03-31 10/500 2026-04-02 20:13 by dongzh2009
[¿¼ÑÐ] 293Çóµ÷¼Á +4 çæçæÀÖ 2026-04-02 4/200 2026-04-02 20:10 by 6781022
[¿¼ÑÐ] 270Çóµ÷¼Á +8 С½Üpp 2026-03-31 10/500 2026-04-02 12:57 by yulian1987
[¿¼ÑÐ] 266·Ö£¬Ò»Ö¾Ô¸µçÆø¹¤³Ì£¬±¾¿Æ²ÄÁÏ£¬Çó²ÄÁÏרҵµ÷¼Á +10 ÍÛºôºßºôºß 2026-04-01 11/550 2026-04-02 11:31 by lnilvy
[¿¼ÑÐ] 08ÉúÎïÓëҽҩר˶³õÊÔ346ÕÒµ÷¼Á +6 dianeeee 2026-04-01 7/350 2026-04-02 08:23 by guoweigw
[¿¼ÑÐ] ²ÄÁÏÇóµ÷¼Á +8 ÄØÄØÄÝÄÝ 2026-04-01 8/400 2026-04-02 07:13 by yjolah
[¿¼ÑÐ] Ò»Ö¾Ô¸Î÷°²½»´ó²ÄÁÏѧ˶£¨Ó¢Ò»Êý¶þ£©347£¬Çóµ÷¼Áµ½¸ß·Ö×Ó/²ÄÁÏÏà¹Ø×¨Òµ +7 zju51 2026-03-31 9/450 2026-04-01 19:35 by CFQZAFU
[¿¼ÑÐ] 349Çóµ÷¼Á +6 ³ÔµÄ²»ÉÙ 2026-04-01 6/300 2026-04-01 17:55 by JYD2011
[¿¼ÑÐ] 08¹¤¿Æ275Çóµ÷¼Á£¬¿É¿ç¿¼¡£ +5 AaAa7420 2026-03-31 5/250 2026-04-01 15:21 by 159357hjz
[¿¼ÑÐ] ÎïÀíѧµ÷¼Á +4 СÑò36 2026-03-30 4/200 2026-03-31 16:16 by lishahe
ÐÅÏ¢Ìáʾ
ÇëÌî´¦ÀíÒâ¼û