| ²é¿´: 307 | »Ø¸´: 0 | ||
fz3734134гæ (³õÈëÎÄ̳)
|
[ÇóÖú]
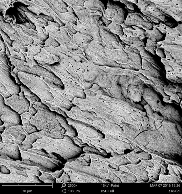
´óÉñ°ï濴϶ÏÃæÕÕÆ¬£¬Ë«Ïà¸Ö±ß²¿ÈÈÔþ¶ÏÃæÕÕÆ¬
|
|
´óÉñ°ï濴϶ÏÃæÕÕÆ¬£¬Ë«Ïà¸Ö±ß²¿ÈÈÔþ¶ÏÃæÕÕÆ¬£¬¿´ÏÂÕâÊÇʲô¶ÏÁÑ·½Ê½£¬ÅжÏÒÀ¾ÝÊÇʲô£¬Çó´óÉñ½²½âһϣ¬Í¼Æ¬ÔÚ¸½¼þÀͼƬҪurl²ÅÄÜ´«Ã´£¿ duanmian.jpg s0070.jpg s182.jpg |
» ²ÂÄãϲ»¶
ÉúÎïѧѧ˶£¬Ò»Ö¾Ô¸ºþÄÏ´óѧ£¬³õÊԳɼ¨338
ÒѾÓÐ6È˻ظ´
321Çóµ÷¼Á
ÒѾÓÐ7È˻ظ´
343Çóµ÷¼Á
ÒѾÓÐ4È˻ظ´
305Çóµ÷¼Á
ÒѾÓÐ3È˻ظ´
±¾¿ÆÐÂÄÜÔ´¿ÆÑ§Ó빤³Ì£¬Ò»Ö¾Ô¸»ªÀíÄܶ¯285Çóµ÷¼Á
ÒѾÓÐ6È˻ظ´
332Çóµ÷¼Á
ÒѾÓÐ3È˻ظ´
ѧ˶274Çóµ÷¼Á
ÒѾÓÐ8È˻ظ´
ѹ¹ú¼ÒÒ»ÇøÏߣ¬Çóµ¼Ê¦ÊÕÁô£¬Óж÷±ØÐ»£¡
ÒѾÓÐ7È˻ظ´
081200-11408-276ѧ˶Çóµ÷¼Á
ÒѾÓÐ4È˻ظ´
22408 359·Öµ÷¼Á
ÒѾÓÐ4È˻ظ´














»Ø¸´´ËÂ¥