| 查看: 806 | 回复: 2 | |||
毛毛虫哒金虫 (小有名气)
|
[求助]
钢板桩土压力计算问题已有1人参与
|
||
|
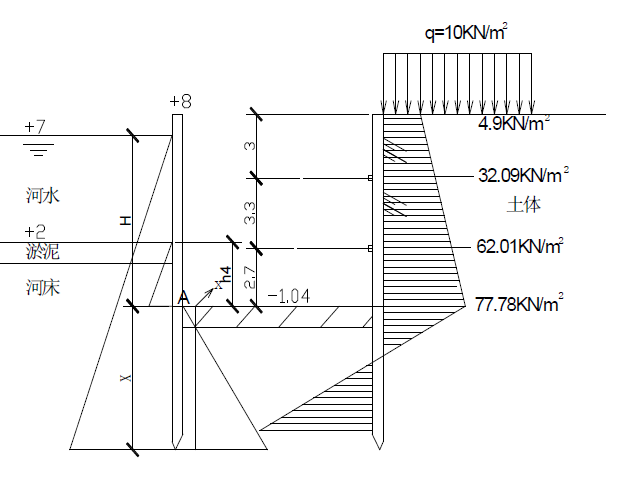
如下图所示。设计资料以及题所给出的不同高度处的土压力计算答案,求具体的计算步骤。(最主要是32.09 62.01 以及77.78怎么算出来的) 谢谢!!! ![]() ![]() ![]() ![]() ![]() @xmxiaoming)]MH6W0~`V0ATI$5HNBZ_C3.png TGM(K]UHU3J8AGWWR9{I(WY.png |
» 猜你喜欢
三甲基碘化亚砜的氧化反应
已经有4人回复
请问下大家为什么这个铃木偶联几乎不反应呢
已经有5人回复
请问有评职称,把科研教学业绩算分排序的高校吗
已经有5人回复
孩子确诊有中度注意力缺陷
已经有12人回复
2025冷门绝学什么时候出结果
已经有3人回复
天津工业大学郑柳春团队欢迎化学化工、高分子化学或有机合成方向的博士生和硕士生加入
已经有4人回复
康复大学泰山学者周祺惠团队招收博士研究生
已经有6人回复
AI论文写作工具:是科研加速器还是学术作弊器?
已经有3人回复
论文投稿,期刊推荐
已经有4人回复
硕士和导师闹得不愉快
已经有13人回复
xmxiaoming
实习版主 (职业作家)
-

专家经验: +385 - 应助: 203 (大学生)
- 贵宾: 0.023
- 金币: 12377.9
- 散金: 1172
- 红花: 60
- 帖子: 4012
- 在线: 1181.1小时
- 虫号: 917167
- 注册: 2009-11-30
- 性别: GG
- 专业: 岩土与基础工程
- 管辖: 土木建筑
2楼2016-03-03 15:35:10
毛毛虫哒
金虫 (小有名气)
- 应助: 25 (小学生)
- 金币: 1574.5
- 散金: 10
- 红花: 1
- 帖子: 253
- 在线: 38.1小时
- 虫号: 3464247
- 注册: 2014-10-09
- 专业: 岩土与基础工程
3楼2016-03-03 22:22:39















回复此楼