| 查看: 742 | 回复: 4 | |
[求助]
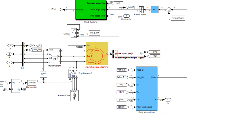
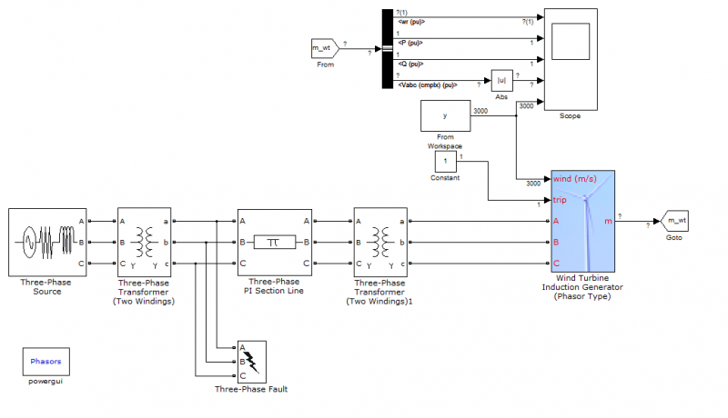
急!!!初次用MATLAB,,遇到了解决不了的错误,求大神帮我看看,提点意见。。
|
|
|
|
|
苏叶去哪儿银虫 (初入文坛)
|
|
![]() |
|
|
2楼2016-03-05 19:34:52
|
|
|
3楼2016-03-06 10:27:32
|
|
苏叶去哪儿银虫 (初入文坛)
|
|
![]() |
|
|
4楼2016-03-06 12:22:44
|
|
|
5楼2016-03-06 17:16:31
|
|















回复此楼
