| 查看: 569 | 回复: 1 | |
[求助]
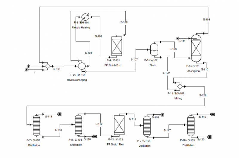
有人知道这个乙烯制乙醇的工艺流程图的流程吗?急用
|
|
|
|
|
|
2楼2015-12-04 09:23:22
|
|














回复此楼