| 查看: 2171 | 回复: 17 | |||
| 当前只显示满足指定条件的回帖,点击这里查看本话题的所有回帖 | |||
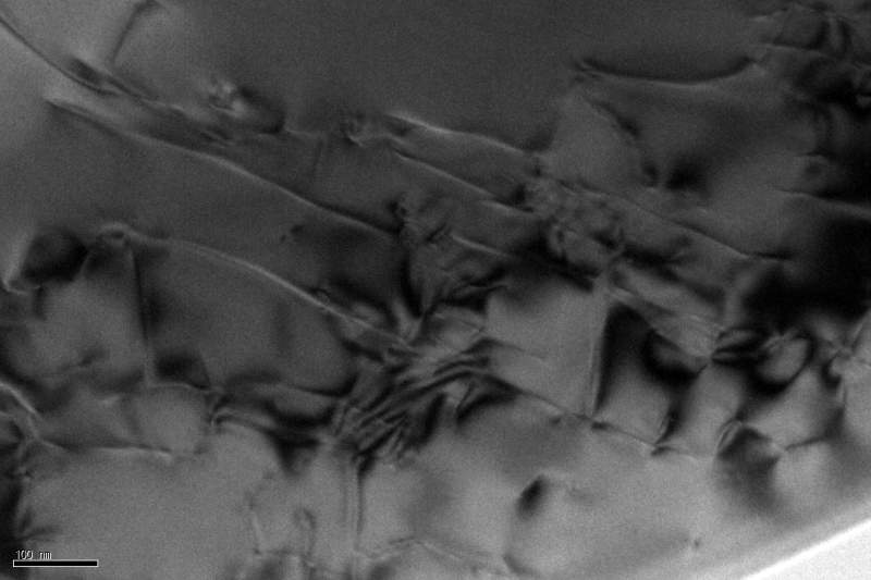
[交流]
一个TEM 图,请大神来过过目
|
|||

逗奶Orz
铁虫 (小有名气)
- 应助: 0 (幼儿园)
- 金币: 66.5
- 帖子: 64
- 在线: 26.6小时
- 虫号: 3396208
- 注册: 2014-09-03
- 性别: GG
- 专业: 极端条件下使用的金属材料
★
小木虫: 金币+0.5, 给个红包,谢谢回帖
小木虫: 金币+0.5, 给个红包,谢谢回帖
小弟无知
至尊木虫 (职业作家)
- 应助: 15 (小学生)
- 金币: 32412.8
- 散金: 18594
- 红花: 322
- 帖子: 3079
- 在线: 1865.7小时
- 虫号: 597220
- 注册: 2008-09-09
- 性别: GG
- 专业: 金属结构材料













回复此楼