| 查看: 1947 | 回复: 10 | |||
[求助]
铝合金铸造 已有4人参与
|
|||
|
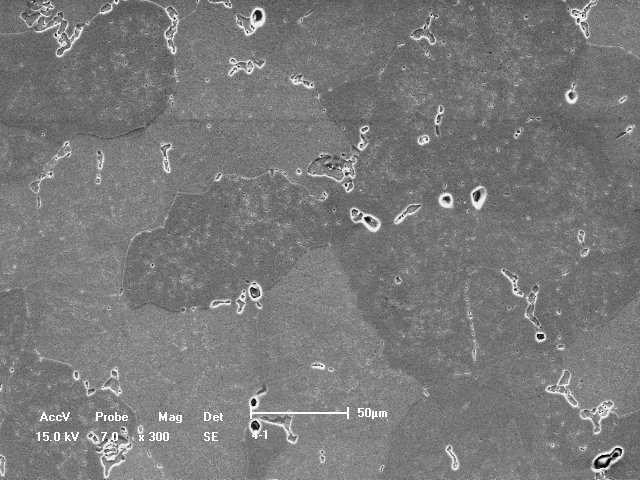
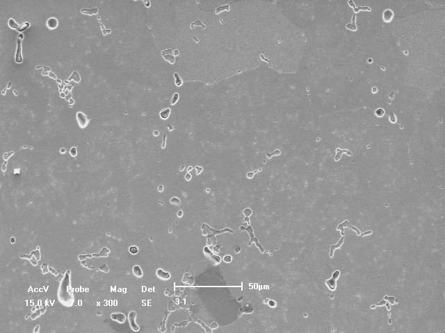
我做的铝合金铸造,经过固溶和时效后发现铁相在晶界上分布。打了成分是铁元素,成分分析的时候铁成分在合金牌号的正常至范围内。不知道怎么处理。合金在石墨粘土坩埚内加热至750℃扒渣,保温5min,降低至温度735摄氏度,加入0.5%的六氯乙烷。保温10min。扒渣。降低温度至720℃。铁模浇铸。 5083+3%Zn-475-50-1200-7.jpg |
» 收录本帖的淘帖专辑推荐
英语资料 |
» 猜你喜欢
考研求调剂
已经有13人回复
求调剂
已经有3人回复
人工智能320调剂08工类还有机会吗
已经有17人回复
考研英一数一338分
已经有10人回复
求助调剂,跨调
已经有15人回复
085600材料与化工329分求调剂
已经有20人回复
085600材料与化工349分求调剂
已经有15人回复
求调剂
已经有13人回复
一志愿华南理工大学331分材料求调剂
已经有11人回复
271求调剂
已经有40人回复
» 本主题相关商家推荐: (我也要在这里推广)

5楼2014-06-26 14:48:13
tade1231692
铜虫 (小有名气)
- 应助: 0 (幼儿园)
- 金币: 110.8
- 散金: 142
- 帖子: 118
- 在线: 50.4小时
- 虫号: 1348811
- 注册: 2011-07-18
- 性别: GG
- 专业: 金属材料

2楼2014-06-26 12:58:24
3楼2014-06-26 14:05:15
peterflyer
木虫之王 (文学泰斗)
peterflyer
- MM-EPI: 2
- 应助: 20282 (院士)
- 金币: 146248
- 红花: 1374
- 帖子: 93091
- 在线: 7694.3小时
- 虫号: 1482829
- 注册: 2011-11-08
- 性别: GG
- 专业: 功能陶瓷
4楼2014-06-26 14:42:16
6楼2014-06-26 18:02:11
7楼2014-06-26 18:04:36
8楼2014-06-26 18:24:39
9楼2014-06-26 18:30:16
wdlwxyh
银虫 (著名写手)
- 应助: 49 (小学生)
- 金币: 7952.7
- 散金: 343
- 红花: 19
- 帖子: 1738
- 在线: 557.4小时
- 虫号: 912923
- 注册: 2009-11-25
- 性别: GG
- 专业: 金属结构材料

10楼2014-06-27 20:03:15














回复此楼

