| 查看: 625 | 回复: 3 | ||
[求助]
帮忙看一下铸态组织啊 特别奇怪 已有1人参与
|
|
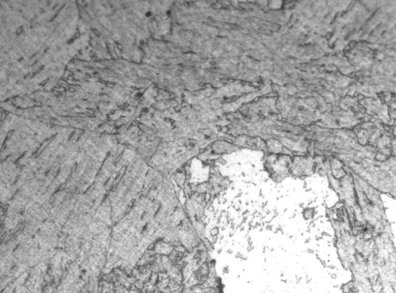
钢成分为0.03C 0.2Si 0.6Mn 3.5Ni 0.5Cr 0.45Mo 0.08V 1.5Cu 0.1Ti 图片为不同放大倍数的铸态组织 不知道里面到底是什么组织 而且为什么看不到铸锭的特征啊 比如支晶等?? 50倍.jpg 100倍.jpg 200倍.jpg 500倍.jpg 800倍.jpg |
» 猜你喜欢
一志愿深大085601材料工程专业(专硕)300分可以调剂去哪
已经有12人回复
一志愿华东理工085601材料工程303分求调剂
已经有11人回复
266求调剂
已经有17人回复
324求调剂
已经有11人回复
0703调剂,一志愿天津大学319分
已经有24人回复
机械专硕273请求调剂
已经有5人回复
求调剂材料科学与工程一志愿985初试365分
已经有3人回复
一志愿2110,化学学硕310分,本科重点双非求调剂
已经有10人回复
281求调剂
已经有10人回复
材料专硕322分
已经有12人回复
» 本主题相关价值贴推荐,对您同样有帮助:
大神能帮忙分析下蓝色2变黑色1代表什么吗?
已经有5人回复
请大神帮忙看一下这两张图片的组织都有什么?由于不是专业的所以看起来比较困难。
已经有10人回复
本人测试一个流变样品的频率扫描,但是图很奇怪,不会分析,求助一下
已经有9人回复
提取椎间盘髓核组织RNA,A260/208<1.5,A230峰值远高于A260、A280峰值,
已经有9人回复
我有一个关于无菌操作的疑问!
已经有20人回复
请问这铝合金金相上面的小黑点是什么
已经有19人回复
帮忙看下金相组织
已经有28人回复
颗粒增强金属基复合材料的高手请帮忙
已经有11人回复
【求助】帮忙分析W-Ni-Fe合金SEM照片
已经有10人回复
【请教】关于金相组织观察设备
已经有11人回复
随节奏摇晃
金虫 (初入文坛)
- 应助: 0 (幼儿园)
- 金币: 1791.5
- 帖子: 10
- 在线: 18.5小时
- 虫号: 2212157
- 注册: 2012-12-28
- 性别: GG
- 专业: 金属非晶态、准晶和纳米晶
2楼2014-05-15 10:58:59
3楼2014-05-15 16:14:50
辛超
金虫 (小有名气)
- 应助: 5 (幼儿园)
- 金币: 904.7
- 散金: 286
- 帖子: 234
- 在线: 210.6小时
- 虫号: 1196955
- 注册: 2011-01-27
- 性别: GG
- 专业: 金属材料的微观结构
4楼2014-05-15 23:58:23














回复此楼