±±¾©Ê¯ÓÍ»¯¹¤Ñ§Ôº2026ÄêÑо¿ÉúÕÐÉú½ÓÊÕµ÷¼Á¹«¸æ
²é¿´: 2842  |  »Ø¸´: 10

Miss_Üç

гæ (³õÈëÎÄ̳)

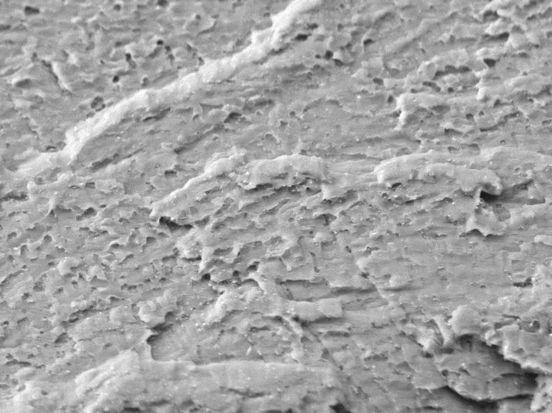
[ÇóÖú] ¼±¡£¡£¡£Çë½Ì¸÷λ´óÉñÕâÊôÓÚÔõÑùµÄ¶Ï¿ÚÄØ? ÒÑÓÐ5È˲ÎÓë

ÕâÊǸßÎÂÀ­ÉìϵĶϿڣ¬ÑÓÉìÂÊ4%£¬Çë½Ì¸÷룬¸ÃÔõô·ÖÎöÄØ£¬ÊôÓÚ´à¶Ï»¹ÊÇÈͶÏÄØ£¿¸Ðл¸Ðл£¡
¼±¡£¡£¡£Çë½Ì¸÷λ´óÉñÕâÊôÓÚÔõÑùµÄ¶Ï¿ÚÄØ?
¸±±¾.jpg
»Ø¸´´ËÂ¥

» ²ÂÄãϲ»¶

» ±¾Ö÷ÌâÏà¹Ø¼ÛÖµÌùÍÆ¼ö£¬¶ÔÄúͬÑùÓаïÖú:

µ±Ê±Ö»µÀÊÇѰ³£
ÒÑÔÄ   »Ø¸´´ËÂ¥   ¹Ø×¢TA ¸øTA·¢ÏûÏ¢ ËÍTAºì»¨ TAµÄ»ØÌû

lucifer007

Ìú¸Ëľ³æ (ÕýʽдÊÖ)

¡¾´ð°¸¡¿Ó¦Öú»ØÌû

¸Ðл²ÎÓ룬ӦÖúÖ¸Êý +1
ûÓÐÈÍÎÑ£¬¿Ï¶¨²»ÊÇÈÍÐÔ¶ÏÁÑ¡£µ«ÊÇÄãµÄ·Å´ó±¶ÂÊÌ«´óÁË£¬ÉÔ΢Сһµã¿´¿´È«Ã棬ÓÐûÓкÓÁ÷»¨ÎÆ£¬Óеϰ¾ÍÊÇ´àÐÔ¶ÏÁÑ
2Â¥2014-02-04 20:38:08
ÒÑÔÄ   »Ø¸´´ËÂ¥   ¹Ø×¢TA ¸øTA·¢ÏûÏ¢ ËÍTAºì»¨ TAµÄ»ØÌû

¡¶²ÝÔ­µÄ·ç¡·

ÖÁ×ðľ³æ (Ö°Òµ×÷¼Ò)

¡¾´ð°¸¡¿Ó¦Öú»ØÌû

¸Ðл²ÎÓ룬ӦÖúÖ¸Êý +1
´ÓÑÓÉìÂÊ4%À´Åжϣ¬ºÁÎÞÒÉÎÊÊÇ´àÐÔ¶ÏÁÑ¡£
Ï¡ÀïºýÍ¿ÊÇ×î¸ß¾³½ç
3Â¥2014-02-04 21:28:40
ÒÑÔÄ   »Ø¸´´ËÂ¥   ¹Ø×¢TA ¸øTA·¢ÏûÏ¢ ËÍTAºì»¨ TAµÄ»ØÌû

wyphit

гæ (³õÈëÎÄ̳)

¶à¸ßζȣ¬4%µÄÑÓÉìÂÊ£¬ºÜµÍѽ
4Â¥2014-02-05 00:47:17
ÒÑÔÄ   »Ø¸´´ËÂ¥   ¹Ø×¢TA ¸øTA·¢ÏûÏ¢ ËÍTAºì»¨ TAµÄ»ØÌû

yong0119

ľ³æ (ÕýʽдÊÖ)

¡¾´ð°¸¡¿Ó¦Öú»ØÌû

¸Ðл²ÎÓ룬ӦÖúÖ¸Êý +1
4%µÄÑÓÉìÂÊÊǵ͵쬹â´ÓÕâÌõ¿´£¬Ó¦¸ÃÊÇ´à¶Ï£¬²»¹ý»¹ÐèÒª½áºÏ¶ÏÃæÊÕËõÂÊÀ´È·¶¨£»
´ÓÄãÕâÕÅSEM¶Ï¿Ú¿´£¬ÊÇÓÐÈÍÎѵģ¬ÈÍÎѺÜdz£¬×îºÃ½áºÏµÍ±¶¸ß±¶¿´£¬¿´¿´µ½µ×ÊÇʲô΢¹Û¶ÏÁÑģʽ¡£
»¶Ó­Ê§Ð§·ÖÎö°¸Àý×Éѯ
5Â¥2014-02-05 10:50:49
ÒÑÔÄ   »Ø¸´´ËÂ¥   ¹Ø×¢TA ¸øTA·¢ÏûÏ¢ ËÍTAºì»¨ TAµÄ»ØÌû

Ðų¤·ç

ľ³æ (ÕýʽдÊÖ)

¿´Ò»¿´£¬Ñ§Ï°Ñ§Ï°£¡

[ ·¢×ÔСľ³æ¿Í»§¶Ë ]
Äþ¾²ÖÂÔ¶£¬Õù³¯Ï¦£¡
6Â¥2014-02-05 10:57:44
ÒÑÔÄ   »Ø¸´´ËÂ¥   ¹Ø×¢TA ¸øTA·¢ÏûÏ¢ ËÍTAºì»¨ TAµÄ»ØÌû

as3311677

½ð³æ (ÕýʽдÊÖ)

ºÃ¸ß¼¶

[ ·¢×ÔСľ³æ¿Í»§¶Ë ]
7Â¥2014-02-05 11:18:21
ÒÑÔÄ   »Ø¸´´ËÂ¥   ¹Ø×¢TA ¸øTA·¢ÏûÏ¢ ËÍTAºì»¨ TAµÄ»ØÌû

Miss_Üç

гæ (³õÈëÎÄ̳)

ÒýÓûØÌû:
5Â¥: Originally posted by yong0119 at 2014-02-05 10:50:49
4%µÄÑÓÉìÂÊÊǵ͵쬹â´ÓÕâÌõ¿´£¬Ó¦¸ÃÊÇ´à¶Ï£¬²»¹ý»¹ÐèÒª½áºÏ¶ÏÃæÊÕËõÂÊÀ´È·¶¨£»
´ÓÄãÕâÕÅSEM¶Ï¿Ú¿´£¬ÊÇÓÐÈÍÎѵģ¬ÈÍÎѺÜdz£¬×îºÃ½áºÏµÍ±¶¸ß±¶¿´£¬¿´¿´µ½µ×ÊÇʲô΢¹Û¶ÏÁÑģʽ¡£

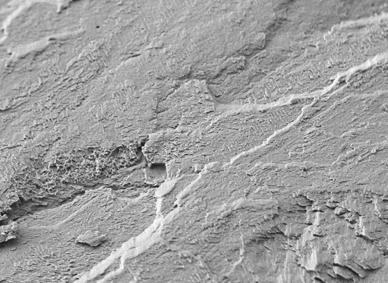
ÄãºÃ£¬ÒòΪûÓÐÃ÷ÏԵľ±ËõÏÖÏ󣬾ÍûÓвâ¶ÏÃæÊÕËõÂÊ£¬¿ªÊ¼ÈÏΪÊÇ´à¶Ï¡£ÕâÊǽϵͱ¶ÊýµÄ¶Ï¿Ú£¬ÎÒ¿´×ÅÏñÊÇ²ãÆ¬µÄ¸Ð¾õ£¬µ«ÊéÖÐûÓÐÕâÑùµÄ¶Ï¿Ú£¬Òò´ËÎÒ²»ÖªµÀ¸ÃÔõôÅжÏÁË£¬Çë½Ì´óÉñ£¬Äú¾õµÃÄØ£¿¸Ðл¸Ðл£¡
¼±¡£¡£¡£Çë½Ì¸÷λ´óÉñÕâÊôÓÚÔõÑùµÄ¶Ï¿ÚÄØ?-1
2_¸±±¾.jpg

µ±Ê±Ö»µÀÊÇѰ³£
8Â¥2014-02-05 13:52:48
ÒÑÔÄ   »Ø¸´´ËÂ¥   ¹Ø×¢TA ¸øTA·¢ÏûÏ¢ ËÍTAºì»¨ TAµÄ»ØÌû

lxyÓÂÍùֱǰ

ľ³æ (ÖøÃûдÊÖ)

¡¾´ð°¸¡¿Ó¦Öú»ØÌû

¸Ðл²ÎÓ룬ӦÖúÖ¸Êý +1
´ÓÄãµÄSEMͼÀ´¿´Ó¦¸ÃÊÇ´à¶Ï£¬¶ÔÓÚ¸ßËÜÐÔ²ÄÁÏÊÒÎÂÀ­ÉìÖвÅÓÐÃ÷ÏԵľ±Ëõ½×¶Î£¬µÍËÜÐÔ²ÄÁÏûÓÐÃ÷ÏÔ¾±Ëõ½×¶Î£¬´àÐÔ²ÄÁÏÍêȫûÓо±Ëõ½×¶ÎµÄ£»´ÓÉ쳤ÂÊÀ´¿´4%ȷʵºÜµÍÁË£¬Ó¦¸ÃÊÇ´à¶Ï£»¶Ë¿ÚÃæÃ»ÓеäÐ͵ÄÈÍÎС£

[ ·¢×ÔСľ³æ¿Í»§¶Ë ]
9Â¥2014-02-05 14:24:20
ÒÑÔÄ   »Ø¸´´ËÂ¥   ¹Ø×¢TA ¸øTA·¢ÏûÏ¢ ËÍTAºì»¨ TAµÄ»ØÌû

peterflyer

ľ³æÖ®Íõ (ÎÄѧ̩¶·)

peterflyer


¡¾´ð°¸¡¿Ó¦Öú»ØÌû

¸Ðл²ÎÓ룬ӦÖúÖ¸Êý +1
½ö´Ó4%µÄÉ쳤ÂÊÀ´¿´ÎÞÒÉÊÇ´à¶Ï¡£µ«¾¿¾¹ÊǺÎÖÖ´à¶Ï£¬»¹Òª½áºÏÕÕÆ¬µÄ·Å´ó±¶Êý¡¢²ÄÁϵÄÖÖÀࡢʵÑéζȡ¢À­ÉìËٶȵÈÒòËØ¿¼ÂÇ¡£Í¼ÖеÄС¿Ó²»ÊÇÈÍÎÑ£¬¶øÊǾ§Á£°ÏìèºóÁôϵݼ¿Ó£¬´ÓÕâµã¿´¶ÏÁÑÓо§¼ä¶ÏÁѵijɷ֡£
10Â¥2014-02-05 14:42:34
ÒÑÔÄ   »Ø¸´´ËÂ¥   ¹Ø×¢TA ¸øTA·¢ÏûÏ¢ ËÍTAºì»¨ TAµÄ»ØÌû
Ïà¹Ø°æ¿éÌø×ª ÎÒÒª¶©ÔÄÂ¥Ö÷ Miss_Üç µÄÖ÷Ìâ¸üÐÂ
×î¾ßÈËÆøÈÈÌûÍÆ¼ö [²é¿´È«²¿] ×÷Õß »Ø/¿´ ×îºó·¢±í
[¿¼ÑÐ] 22408 ×Ü·Ö320£¬Ò»ÆªÂÛÎĶþ×÷£¬Á½¸ö¹úÈý£¬Çóµ÷¼Á +3 Leomulufu 2026-04-04 5/250 2026-04-05 19:04 by chongya
[¿¼ÑÐ] ²ÄÁϵ÷¼Á +11 Ò¼·¡·¡ÒÚ 2026-04-04 11/550 2026-04-05 18:47 by À¶ÔÆË¼Óê
[¿¼ÑÐ] 359Çóµ÷¼Á22408 +3 123456789qw 2026-03-31 3/150 2026-04-05 10:09 by zhq0425
[¿¼ÑÐ] ÇóÉúÎïѧµ÷¼Á +14 15172915737 2026-04-01 14/700 2026-04-04 20:13 by babysonlkd
[¿¼ÑÐ] ¸´ÊÔµ÷¼Á +6 ·¶¸ùÅà 2026-04-04 6/300 2026-04-04 14:27 by ÍÁľ˶ʿÕÐÉú
[¿¼ÑÐ] Ò»Ö¾Ô¸085404£¬×Ü·Ö291£¬Ëļ¶Òѹý£¬Çóµ÷¼Á +5 °¢¿¡°¢¿¡°¢¿¡ 2026-04-04 7/350 2026-04-04 13:23 by Á«²Ë¾ÍÊÇź°É
[¿¼ÑÐ] Ò»Ö¾Ô¸±±¾©¿Æ¼¼´óѧ²ÄÁϹ¤³Ì085601£¬Çóµ÷¼Á +17 cdyw 2026-04-02 18/900 2026-04-04 11:14 by w_xuqing
[¿¼ÑÐ] µ÷¼Á0855-288 +5 xÐܶþa 2026-04-03 5/250 2026-04-04 00:19 by Öí»á·É
[¿¼ÑÐ] 301Çóµ÷¼Á +14 A_JiXing 2026-04-01 14/700 2026-04-03 18:31 by lsÁõ˧
[¿¼ÑÐ] 285Çóµ÷¼Á +5 AZMK 2026-04-03 8/400 2026-04-03 18:17 by AZMK
[¿¼ÑÐ] 0856£¬269·ÖÇóµ÷¼Á +15 ÓÐѧÉϾÍÐÐÇóÇóÁ 2026-03-30 18/900 2026-04-03 16:50 by melodiousnow
[¿¼ÑÐ] 338Çóµ÷¼Á +4 zzz£¬£¬r 2026-04-03 4/200 2026-04-03 16:39 by lijunpoly
[¿¼ÑÐ] 274Çóµ÷¼Á +10 Ѧ¶¨Ú̵Ļ¢¡£ 2026-04-01 10/500 2026-04-03 10:13 by tianyyysss
[¿¼ÑÐ] µ÷¼Á +3 osbbx 2026-04-02 3/150 2026-04-03 07:47 by cc8418
[¿¼ÑÐ] 366Çóµ÷¼ÁÒ»Ö¾Ô¸¶«±±´óѧ +8 ÔËÆøÀ´µÃÈôÓÐËÆÎ 2026-04-02 8/400 2026-04-02 21:39 by dongzh2009
[¿¼ÑÐ] ¿¼Ñе÷¼Á +12 Amber00 2026-03-31 12/600 2026-04-02 09:04 by sanrepian
[¿¼ÑÐ] Ò»Ö¾Ô¸±±½»´ó²ÄÁϹ¤³Ì£¬×Ü·Ö358 +4 cs0106 2026-04-01 4/200 2026-04-02 07:42 by ÉÐË®¸óÖ÷
[¿¼ÑÐ] Ò»Ö¾Ô¸±±½»²ÄÁϹ¤³Ì×Ü·Ö358 +5 cs0106 2026-04-01 7/350 2026-04-01 11:45 by wangjy2002
[¿¼ÑÐ] ÍÁľ304Çóµ÷¼Á +5 ¶¥¼¶²Á²Á 2026-03-31 5/250 2026-04-01 08:15 by fdcxdystjk£¤
[¿¼ÑÐ] 279Çóµ÷¼Á +12 jµÄÁ¢·½ 2026-03-29 12/600 2026-03-30 20:30 by dick_runner
ÐÅÏ¢Ìáʾ
ÇëÌî´¦ÀíÒâ¼û