| 查看: 2487 | 回复: 10 | |||
| 当前只显示满足指定条件的回帖,点击这里查看本话题的所有回帖 | |||
fantasy1990铜虫 (小有名气)
|
[求助]
求大神们帮忙看看我的TC11钛合金金相问题,之前图挂了,重新发已有5人参与
|
||
|
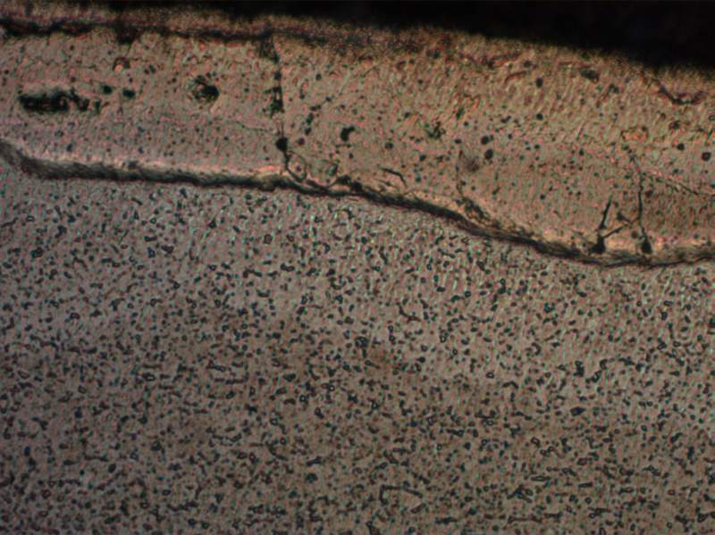
钛合金表面运用电火花工艺制备涂层,把截面做成镶块想看金相组织,砂纸磨后抛光,然后腐蚀,腐蚀液用的是HF:HNO3:H20=1:2:50或者1:2:25,不知道图片中的是什么东西,是不是金相组织呢?如果不是的话是哪道程序出了问题?求大神解答。。。。不甚感激 snap001.jpg snap009.jpg |
» 猜你喜欢
投稿Elsevier的Neoplasia杂志,到最后选publishing options时页面空白,不能完成投稿
已经有22人回复
申请26博士
已经有5人回复
职称评审没过,求安慰
已经有22人回复
垃圾破二本职称评审标准
已经有15人回复
EST投稿状态问题
已经有7人回复
毕业后当辅导员了,天天各种学生超烦
已经有4人回复
聘U V热熔胶研究人员
已经有10人回复
求助文献
已经有3人回复
投稿返修后收到这样的回复,还有希望吗
已经有8人回复
三无产品还有机会吗
已经有6人回复

zbhwel
专家顾问 (知名作家)
-

专家经验: +782 - MM-EPI: 7
- 应助: 1730 (讲师)
- 贵宾: 0.259
- 金币: 23093.1
- 散金: 1738
- 红花: 272
- 沙发: 22
- 帖子: 5197
- 在线: 1050.7小时
- 虫号: 2249580
- 注册: 2013-01-19
- 性别: GG
- 专业: 金属结构材料
- 管辖: 材料工程

11楼2014-07-03 08:45:11
yong0119
木虫 (正式写手)
- 应助: 158 (高中生)
- 金币: 4306.2
- 散金: 15
- 红花: 9
- 帖子: 342
- 在线: 218.7小时
- 虫号: 2684526
- 注册: 2013-09-27
- 性别: GG
- 专业: 金属结构材料

2楼2014-01-16 14:49:49
fantasy1990
铜虫 (小有名气)
- 应助: 0 (幼儿园)
- 金币: 15.3
- 帖子: 109
- 在线: 64.4小时
- 虫号: 2247265
- 注册: 2013-01-17
- 性别: GG
- 专业: 金属材料表面科学与工程

3楼2014-01-16 15:33:47
yong0119
木虫 (正式写手)
- 应助: 158 (高中生)
- 金币: 4306.2
- 散金: 15
- 红花: 9
- 帖子: 342
- 在线: 218.7小时
- 虫号: 2684526
- 注册: 2013-09-27
- 性别: GG
- 专业: 金属结构材料

4楼2014-01-16 16:00:11













回复此楼