| ²é¿´: 3341 | »Ø¸´: 30 | |||
aidisheng6гæ (³õÈëÎÄ̳)
|
[½»Á÷]
×ö½ðÏà·¢ÏÖÀàËÆÆøÅݵÄ×éÖ¯£¬¹òÇó´óÉñÖ¸µãÊÇʲô ÒÑÓÐ21È˲ÎÓë
|
|
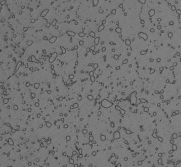
×öÄøîÑ»ù½ðÊôµÄ½ðÏ࣬·¢ÏÖÀàËÆÆøÅݵÄ×éÖ¯£¬´ÓÀ´Ã»¼û¹ý£¬²»ÖªµÀÊÇʲô£¬Çó¸ßÈËÖ¸µã£¬Í¼Æ¬ÈçÏ£º Z0H%TO(G[0F`ZW@Z@HZT%CM.jpg |
» ²ÂÄãϲ»¶
²ÄÁÏר˶322
ÒѾÓÐ7È˻ظ´
Çóµ÷¼Á
ÒѾÓÐ20È˻ظ´
Ò»Ö¾Ô¸Ö£ÖÝ´óѧ085600Çóµ÷¼Á
ÒѾÓÐ20È˻ظ´
»¯Ñ§µ÷¼Á
ÒѾÓÐ17È˻ظ´
3-äåßÁà¤-4-¼×È©ºÏ³É
ÒѾÓÐ9È˻ظ´
Ò»Ö¾Ô¸ÄϾ©º½¿Õº½Ìì´óѧ ²ÄÁÏÓ뻯¹¤329·ÖÇóµ÷¼Á
ÒѾÓÐ3È˻ظ´
285Çóµ÷¼Á
ÒѾÓÐ9È˻ظ´
²ÄÁÏÇóµ÷¼Á
ÒѾÓÐ11È˻ظ´
µ÷¼Á
ÒѾÓÐ8È˻ظ´
²ÄÁϵ÷¼Á
ÒѾÓÐ14È˻ظ´
jackia
гæ (СÓÐÃûÆø)
- Ó¦Öú: 0 (Ó×¶ùÔ°)
- ½ð±Ò: 1564.8
- ºì»¨: 1
- Ìû×Ó: 67
- ÔÚÏß: 60.5Сʱ
- ³æºÅ: 331955
- ×¢²á: 2007-03-25
- ÐÔ±ð: MM
- רҵ: ½ðÊô²ÄÁϵÄ΢¹Û½á¹¹
2Â¥2013-11-11 17:18:56
aidisheng6
гæ (³õÈëÎÄ̳)
- Ó¦Öú: 0 (Ó×¶ùÔ°)
- ½ð±Ò: 145.1
- É¢½ð: 15
- Ìû×Ó: 42
- ÔÚÏß: 14.5Сʱ
- ³æºÅ: 2523477
- ×¢²á: 2013-06-27
- רҵ: ½ðÊô¹¦ÄܲÄÁÏ
3Â¥2013-11-11 17:32:30
aidisheng6
гæ (³õÈëÎÄ̳)
- Ó¦Öú: 0 (Ó×¶ùÔ°)
- ½ð±Ò: 145.1
- É¢½ð: 15
- Ìû×Ó: 42
- ÔÚÏß: 14.5Сʱ
- ³æºÅ: 2523477
- ×¢²á: 2013-06-27
- רҵ: ½ðÊô¹¦ÄܲÄÁÏ
4Â¥2013-11-11 17:36:16
penghuabei
Ìú¸Ëľ³æ (Ö°Òµ×÷¼Ò)
- Ó¦Öú: 60 (³õÖÐÉú)
- ½ð±Ò: 1276
- É¢½ð: 6811
- ºì»¨: 13
- Ìû×Ó: 3116
- ÔÚÏß: 2718.9Сʱ
- ³æºÅ: 696104
- ×¢²á: 2009-02-04
- רҵ: ½ðÊô·Ç¾§Ì¬¡¢×¼¾§ºÍÄÉÃ×¾§
5Â¥2013-11-11 18:45:09
sunrisehust
гæ (³õÈëÎÄ̳)
- Ó¦Öú: 0 (Ó×¶ùÔ°)
- ½ð±Ò: 143.8
- Ìû×Ó: 28
- ÔÚÏß: 8.3Сʱ
- ³æºÅ: 2151239
- ×¢²á: 2012-11-27
- ÐÔ±ð: GG
- רҵ: Áã¼þ¼Ó¹¤ÖÆÔì

6Â¥2013-11-11 20:45:37
kmd
ľ³æ (ÖøÃûдÊÖ)
- Ó¦Öú: 7 (Ó×¶ùÔ°)
- ½ð±Ò: 3514.5
- É¢½ð: 468
- ºì»¨: 2
- Ìû×Ó: 1554
- ÔÚÏß: 203.1Сʱ
- ³æºÅ: 467023
- ×¢²á: 2007-11-24
- רҵ: ½ðÊô²ÄÁϵÄÄý¹ÌÓë½á¾§Ñ§
7Â¥2013-11-11 21:14:20
ÍõÄÜÄÜ_
½ð³æ (ÕýʽдÊÖ)
- Ó¦Öú: 7 (Ó×¶ùÔ°)
- ½ð±Ò: 521.8
- É¢½ð: 2
- ºì»¨: 1
- Ìû×Ó: 420
- ÔÚÏß: 625.5Сʱ
- ³æºÅ: 1287907
- ×¢²á: 2011-05-06
- רҵ: ½ðÊô²ÄÁϱíÃæ¿ÆÑ§Ó빤³Ì
8Â¥2013-11-12 06:47:27
1874149274
гæ (СÓÐÃûÆø)
- Ó¦Öú: 1 (Ó×¶ùÔ°)
- ½ð±Ò: 1739.9
- Ìû×Ó: 84
- ÔÚÏß: 161.2Сʱ
- ³æºÅ: 2727128
- ×¢²á: 2013-10-15
- רҵ: ½ðÊô²ÄÁϵĺϽðÏà¡¢Ïà±ä¼°
9Â¥2013-11-12 07:08:54
aidisheng6
гæ (³õÈëÎÄ̳)
- Ó¦Öú: 0 (Ó×¶ùÔ°)
- ½ð±Ò: 145.1
- É¢½ð: 15
- Ìû×Ó: 42
- ÔÚÏß: 14.5Сʱ
- ³æºÅ: 2523477
- ×¢²á: 2013-06-27
- רҵ: ½ðÊô¹¦ÄܲÄÁÏ
10Â¥2013-11-12 10:06:29














»Ø¸´´ËÂ¥
10