版块导航
正在加载中...
客户端APP下载
论文辅导
调剂小程序
登录
注册
帖子
帖子
用户
本版
应《网络安全法》要求,自2017年10月1日起,未进行实名认证将不得使用互联网跟帖服务。为保障您的帐号能够正常使用,请尽快对帐号进行手机号验证,感谢您的理解与支持!
24小时热门版块排行榜
>
论坛更新日志
(512)
>
虫友互识
(22)
>
基金申请
(15)
>
文献求助
(14)
>
导师招生
(11)
>
硕博家园
(8)
>
考博
(6)
>
论文投稿
(6)
>
教师之家
(5)
>
博后之家
(3)
>
公派出国
(3)
>
考研
(3)
>
休闲灌水
(3)
>
留学生活
(2)
>
论文道贺祈福
(2)
>
找工作
(2)
小木虫论坛-学术科研互动平台
»
计算模拟区
»
计算模拟
»
谁能帮我改一下这个程序
12
1/2
返回列表
1
2
下一页
查看: 1169 | 回复: 11
只看楼主
@他人
存档
新回复提醒
(忽略)
收藏
在APP中查看
jyd3611
新虫
(初入文坛)
应助: 0
(幼儿园)
金币: 1.8
帖子: 33
在线: 10小时
虫号: 2059571
注册: 2012-10-14
性别: GG
专业: 光学
[
求助
]
谁能帮我改一下这个程序
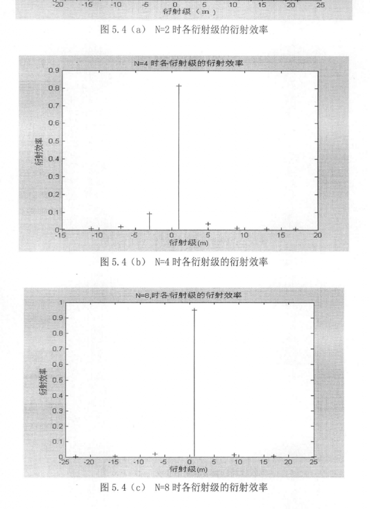
N=2;
k=-20:5:20;
%K为整数
c=(N*sin(pi/N))/(pi*(1+-kN));
plot(k,c);
这个程序用matlab画不出来图
回复此楼
» 猜你喜欢
深圳大学2026年秋博士招生-物理学-活性胶体方向-高永祥课题组
已经有18人回复
论物质与能量的统一模型及物理现象解释
已经有0人回复
物理学I论文润色/翻译怎么收费?
已经有292人回复
基于基元I统一理论的数学相关应用推导
已经有0人回复
基元I统一理论:宇宙本质、层级演化与修炼文明的本源规律
已经有1人回复
基元I理论下三大核心空间现象精准推导与细节解析
已经有0人回复
基于基元 I 统一理论的反重力理论推导
已经有0人回复
基于基元I统一理论的量子力学本源推导
已经有1人回复
推荐一款可以AI辅助写作的Latex编辑器SmartLatexEditor,超级好用,AI润色,全免费
已经有20人回复
【EI|Scopus 双检索】第六届智能机器人系统国际会议(ISoIRS 2026)
已经有0人回复
2026年第四届电动车与车辆工程国际会议(CEVVE 2026)
已经有0人回复
高级回复
» 本主题相关价值贴推荐,对您同样有帮助:
求大神帮我改一下下面的程序!matlab迭代法的 不知道错在哪里!
已经有7人回复
多个函数都要用到共同的变量和数据,数据不止一组,这个程序,该怎么组织
已经有16人回复
谁能帮我从PDB库里下一个CDK1 ,CDK2,以及BCL-2蛋白质的PDB结构啊?
已经有9人回复
无题,杂想,——至小芳
已经有15人回复
谁能帮我分析一下系统进化树?
已经有7人回复
往届生考博报名,谁能帮我想想办法
已经有10人回复
谁能帮我把win7资源管理器的背景色由白色改为淡绿色的?
已经有10人回复
这几个大学那个好考点?谁能帮我选一下
已经有8人回复
【求助】50金币求大家帮忙改一段程序
已经有13人回复
在网上求助计算化学问题时的注意事项-Sobereva
已经有6人回复
【求助】谁能帮我用Gaus03做一下丁二烯的势能面扫描
已经有25人回复
【求助】谁能帮我看看这个钢筋是什么型号
已经有4人回复
【整理】《提问的智慧》——献给那些不会提问的人
已经有78人回复
谁能帮我看下编辑修改的这个单词是什么?
已经有12人回复
【求助】求高人帮我修改程序
已经有5人回复
【求助】帮忙改写展宽程序
已经有11人回复
【求助】求高手帮忙改写数据实时动态显示程序~
已经有8人回复
【求助】谁能帮我解这个积分
已经有10人回复
1楼
2013-03-26 20:43:13
已阅
回复此楼
关注TA
给TA发消息
送TA红花
TA的回帖
回帖支持 ( 显示支持度最高的前 50 名 )
solar0913
至尊木虫
(著名写手)
应助: 5
(幼儿园)
金币: 12161.5
散金: 350
红花: 8
帖子: 2369
在线: 200.9小时
虫号: 1422152
注册: 2011-09-29
性别:
MM
专业: 固体力学
【答案】应助回帖
★
csgt0: 金币+1, 谢谢
2013-03-27 10:17:59
不知道你用的哪个版本,为了保险起见,还是把/替换成 ./ 注意是英文点除。
[ 发自手机版 http://muchong.com/3g ]
赞
一下
(1人)
回复此楼
4楼
2013-03-27 01:48:27
已阅
回复此楼
关注TA
给TA发消息
送TA红花
TA的回帖
普通回帖
libralibra
至尊木虫
(著名写手)
骠骑将军
计算强帖: 3
应助: 817
(博后)
金币: 12914.1
红花: 64
帖子: 2238
在线: 287.3小时
虫号: 696514
注册: 2009-02-05
专业: 计算机软件
【答案】应助回帖
★
感谢参与,应助指数 +1
csgt0: 金币+1, 谢谢
2013-03-27 10:17:46
ben_ladeng: 专家考核
2013-03-27 16:54:56
你括号里面1+-kN到底是要加啊,还是要减啊
赞
一下
回复此楼
matlab/VB/python/c++/Java写程序请发QQ邮件:790404545@qq.com
2楼
2013-03-26 20:52:10
已阅
回复此楼
关注TA
给TA发消息
送TA红花
TA的回帖
solar0913
至尊木虫
(著名写手)
应助: 5
(幼儿园)
金币: 12161.5
散金: 350
红花: 8
帖子: 2369
在线: 200.9小时
虫号: 1422152
注册: 2011-09-29
性别:
MM
专业: 固体力学
【答案】应助回帖
★
感谢参与,应助指数 +1
csgt0: 金币+1, 谢谢
2013-03-27 10:17:53
只需加一个乘号1+k*N,即可!
[ 发自手机版 http://muchong.com/3g ]
赞
一下
回复此楼
3楼
2013-03-27 01:44:59
已阅
回复此楼
关注TA
给TA发消息
送TA红花
TA的回帖
jyd3611
新虫
(初入文坛)
应助: 0
(幼儿园)
金币: 1.8
帖子: 33
在线: 10小时
虫号: 2059571
注册: 2012-10-14
性别: GG
专业: 光学
引用回帖:
2楼
:
Originally posted by
libralibra
at 2013-03-26 20:52:10
你括号里面1+-kN到底是要加啊,还是要减啊
如果只加或只减,画出的图有一部分在x轴下面 我希望图形都在x轴上方
赞
一下
回复此楼
5楼
2013-04-07 14:51:53
已阅
回复此楼
关注TA
给TA发消息
送TA红花
TA的回帖
jyd3611
新虫
(初入文坛)
应助: 0
(幼儿园)
金币: 1.8
帖子: 33
在线: 10小时
虫号: 2059571
注册: 2012-10-14
性别: GG
专业: 光学
引用回帖:
4楼
:
Originally posted by
solar0913
at 2013-03-27 01:48:27
不知道你用的哪个版本,为了保险起见,还是把/替换成 ./ 注意是英文点除。
我用的是2011a ,我想两边的图形都在x轴上面
赞
一下
回复此楼
6楼
2013-04-07 14:53:44
已阅
回复此楼
关注TA
给TA发消息
送TA红花
TA的回帖
月只蓝
主管区长
(职业作家)
专家经验: +1059
计算强帖: 8
应助: 1712
(讲师)
贵宾: 8.888
金币: 68125.7
散金: 1938
红花: 443
沙发: 4
帖子: 4373
在线: 3291.4小时
虫号: 1122189
注册: 2010-10-14
专业: 宇宙学
管辖:
计算模拟区
【答案】应助回帖
★
csgt0: 金币+1, 应助指数+1, 谢谢
2013-04-07 15:15:32
引用回帖:
6楼
:
Originally posted by
jyd3611
at 2013-04-07 14:53:44
我用的是2011a ,我想两边的图形都在x轴上面...
数组运算点乘点除的点不能省。
axis([ ])可以设定图像的范围。
function paint
N=2;
k=-20:5:20;
%K为整数
c=(N*sin(pi/N))./(pi*(1+-k*N));
plot(k,c),axis([0 max(k) min(c) max(c)])
两边图形都在x轴上方,是如附图那样么?
赞
一下
回复此楼
MATLAB、MS小问题、普通问题请发帖求助!时间精力有限,恕不接受无偿私信求助。
7楼
2013-04-07 15:06:51
已阅
回复此楼
关注TA
给TA发消息
送TA红花
TA的回帖
月只蓝
主管区长
(职业作家)
专家经验: +1059
计算强帖: 8
应助: 1712
(讲师)
贵宾: 8.888
金币: 68125.7
散金: 1938
红花: 443
沙发: 4
帖子: 4373
在线: 3291.4小时
虫号: 1122189
注册: 2010-10-14
专业: 宇宙学
管辖:
计算模拟区
引用回帖:
7楼
:
Originally posted by
月只蓝
at 2013-04-07 15:06:51
数组运算点乘点除的点不能省。
axis()可以设定图像的范围。
function paint
N=2;
k=-20:5:20;
%K为整数
c=(N*sin(pi/N))./(pi*(1+-k*N));
plot(k,c),axis()
两边图形都在x轴上方,是如附图那样么?...
附图1传好了。
附图1.jpg
赞
一下
回复此楼
MATLAB、MS小问题、普通问题请发帖求助!时间精力有限,恕不接受无偿私信求助。
8楼
2013-04-07 15:07:40
已阅
回复此楼
关注TA
给TA发消息
送TA红花
TA的回帖
jyd3611
新虫
(初入文坛)
应助: 0
(幼儿园)
金币: 1.8
帖子: 33
在线: 10小时
虫号: 2059571
注册: 2012-10-14
性别: GG
专业: 光学
引用回帖:
8楼
:
Originally posted by
月只蓝
at 2013-04-07 15:07:40
附图1传好了。
附图1.jpg
...
其实是这样的图,但是我不会编程。
图片1.png
赞
一下
回复此楼
9楼
2013-04-07 15:22:41
已阅
回复此楼
关注TA
给TA发消息
送TA红花
TA的回帖
月只蓝
主管区长
(职业作家)
专家经验: +1059
计算强帖: 8
应助: 1712
(讲师)
贵宾: 8.888
金币: 68125.7
散金: 1938
红花: 443
沙发: 4
帖子: 4373
在线: 3291.4小时
虫号: 1122189
注册: 2010-10-14
专业: 宇宙学
管辖:
计算模拟区
【答案】应助回帖
★ ★ ★
csgt0: 金币+1, 谢谢
2013-04-09 10:43:47
jyd3611: 金币+2,
★★★
很有帮助
2013-04-14 14:32:09
引用回帖:
5楼
:
Originally posted by
jyd3611
at 2013-04-07 14:51:53
如果只加或只减,画出的图有一部分在x轴下面 我希望图形都在x轴上方...
如附图2那样么?
function paint
N=2;
k=-20:5:20;
%K为整数
c=abs((N*sin(pi/N))./(pi*(1+-k*N)));
stem(k,c,'+'),
附图2.jpg
赞
一下
回复此楼
MATLAB、MS小问题、普通问题请发帖求助!时间精力有限,恕不接受无偿私信求助。
10楼
2013-04-07 16:38:52
已阅
回复此楼
关注TA
给TA发消息
送TA红花
TA的回帖
相关版块跳转
第一性原理
量子化学
计算模拟
分子模拟
仿真模拟
程序语言
我要订阅楼主
jyd3611
的主题更新
12
1/2
返回列表
1
2
下一页
如果回帖内容含有宣传信息,请如实选中。否则帐号将被全论坛禁言
普通表情
龙
兔
虎
猫
百度网盘
|
360云盘
|
千易网盘
|
华为网盘
在新窗口页面中打开自己喜欢的网盘网站,将文件上传后,然后将下载链接复制到帖子内容中就可以了。
信息提示
关闭
请填处理意见
关闭
确定