| ²é¿´: 1215 | »Ø¸´: 4 | |
yuwangnanľ³æ (СÓÐÃûÆø)
|
[ÇóÖú]
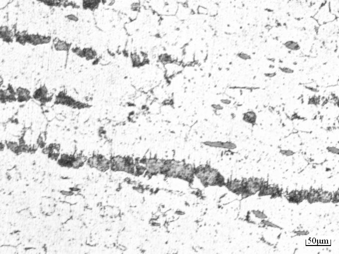
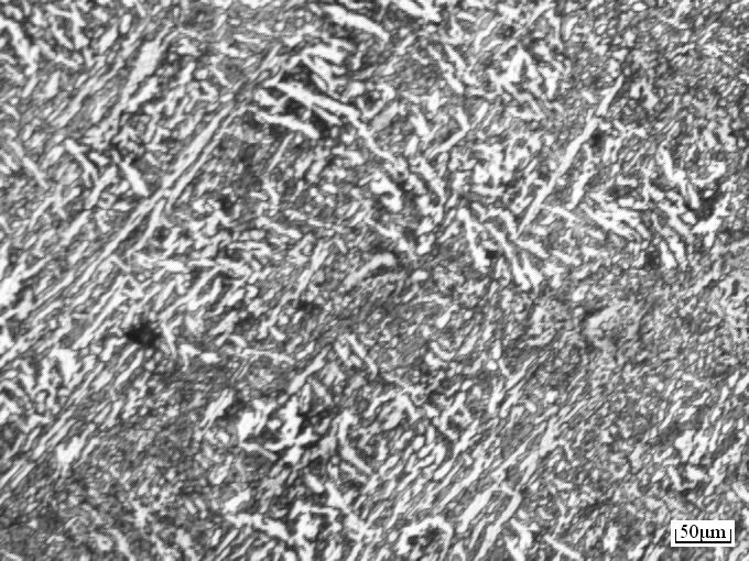
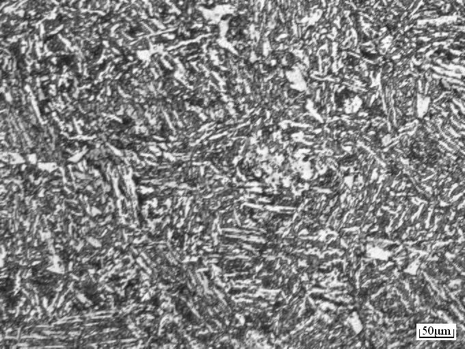
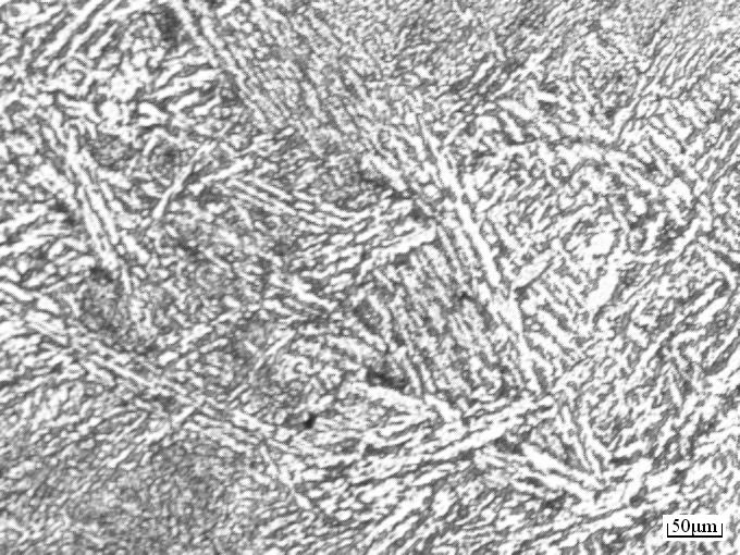
¼¸ÖÖÏÔ΢×éÖ¯ÆÀ¶¨
|
|
|
|
fyc7806067гæ (СÓÐÃûÆø)
|
|
|
2Â¥2012-12-28 08:23:53
|
|
yuwangnanľ³æ (СÓÐÃûÆø)
|
|
|
3Â¥2012-12-28 10:52:21
|
|
stone527903гæ (³õÈëÎÄ̳)
|
|
|
4Â¥2013-01-01 18:55:17
|
|
yuwangnanľ³æ (СÓÐÃûÆø)
|
|
|
5Â¥2013-01-03 01:50:24
|
|














»Ø¸´´ËÂ¥
yuwangnan